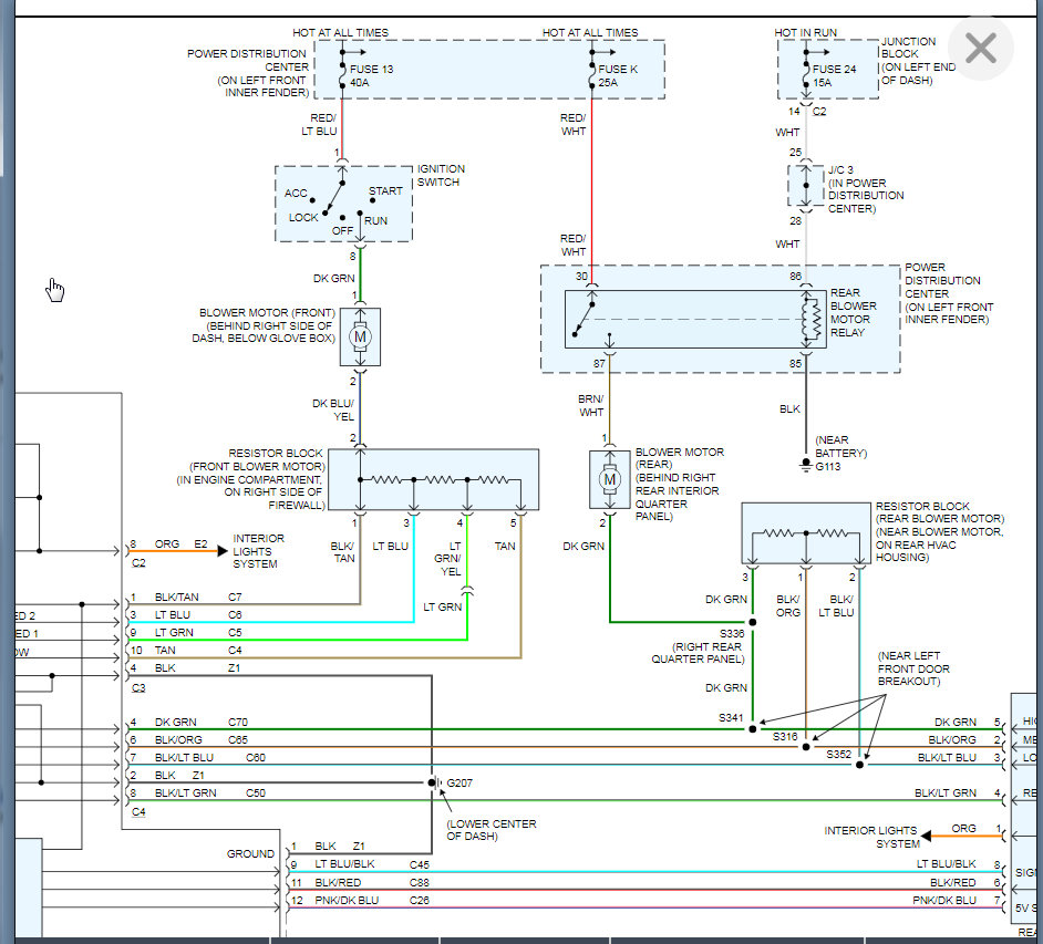
Heater not working properly

Tiny
JOHN FERREIRA
  • MEMBER
  • 2002 DODGE DURANGO
  • 5.9L
  • V8
  • 4WD
  • AUTOMATIC
  • 159,000 MILES
I change out front heaters blower and resistor but now it only works on high settings. My back heater won't blow hot air.
Thursday, January 28th, 2021 AT 3:37 PM

1 Reply

Tiny
KASEKENNY
  • MECHANIC
  • 18,907 POSTS
This is most likely two separate issues. So let's tackle the front heater here since that is the title and get a new post starter for the rear. We need to keep each post to one topic so that others can find the answers as well.

The blower on working on high is normally a faulty resistor as the wiring in the resistor is set up so that when you have it on high it is basically bypassing the resistor so it is able to work.

So if you didn't have this issue until you replaced the resistor then it sounds like you got a faulty resistor.

I am attaching the info on how to test and replace this below.

Let us know what you find. Thanks
Was this
answer
helpful?
Yes
No
Thursday, January 28th, 2021 AT 5:47 PM

Please login or register to post a reply.