No heater opration?

Tiny
ACE-DOG
  • MEMBER
  • 1999 DODGE DURANGO
  • V8
  • 2WD
  • AUTOMATIC
  • 100,000 MILES
1999 durango 5.9 ltr doesnt get above 130 degrees blows luke warm air in cab is it a sensor or thermostat maybe?
Sunday, November 21st, 2010 AT 3:34 PM

24 Replies

Tiny
ERNEST CLARK
  • MECHANIC
  • 1,730 POSTS
First you'll need to make sure there's no blockage in the heater core. For the thermostat to cause a "no heat" issue, it would have to be stuck open. Though this is extremely rare, I've seen a few cases. And in those cases, the heat blowing would get hotter as the engine was reved higher, and colder as the engine idled.

This will help us

https://www.2carpros.com/articles/car-heater-not-working

If both of these check out fine, then I'd think you have a stuck blend door or leaking/loose vacuum line/solenoid inside of the HVAC unit. this will have to be removed and inspected.
Was this
answer
helpful?
Yes
No
Sunday, November 21st, 2010 AT 3:39 PM
Tiny
WRENCHTECH
  • MECHANIC
  • 20,761 POSTS
Where are you getting this 130degrees from? If you have verified that the engine temp isn't getting over that, then the first thing to do is replace the thermostat.
Was this
answer
helpful?
Yes
No
Sunday, November 21st, 2010 AT 4:11 PM
Tiny
KELSCOURT
  • MEMBER
  • 1 POST
  • 1999 DODGE DURANGO
  • V8
  • 4WD
  • AUTOMATIC
  • 106,000 MILES
We are not getting any "hot" heat or "cold" air. We replaced the thermostat and checked the anitifreeze. What else could it be?
Was this
answer
helpful?
Yes
No
-1
Thursday, August 6th, 2020 AT 11:01 AM (Merged)
Tiny
JACOBANDNICKOLAS
  • MECHANIC
  • 110,192 POSTS
Hi:

Is the blower motor working? If so, check both heater core hoses and let me know if they are both hot with the engine warm and the heat on.

Let me know.

Joe
Was this
answer
helpful?
Yes
No
Thursday, August 6th, 2020 AT 11:01 AM (Merged)
Tiny
RYANAMORINE
  • MEMBER
  • 1 POST
  • 1999 DODGE DURANGO
  • 199,000 MILES
My heater or air won blow when the car is at a idle. There is no heat or air comming out of the vents at all on any setting. There is several fuses missing under dash and under hood and I don't have a manual so I can try to buy all the fuses and put them in. I need to know which fuses go where and what each one is for. Can someone please help me?
Was this
answer
helpful?
Yes
No
Thursday, August 6th, 2020 AT 11:01 AM (Merged)
Tiny
JDL
  • MECHANIC
  • 16,098 POSTS
Your saying the blower motor works ok at higher rpms? I'd have to check voltage at the blower motor connector, when problem is ongoing, at idle.
Was this
answer
helpful?
Yes
No
Thursday, August 6th, 2020 AT 11:01 AM (Merged)
Tiny
JDL
  • MECHANIC
  • 16,098 POSTS
Note the diagrams. Interior fuse box.
Was this
answer
helpful?
Yes
No
Thursday, August 6th, 2020 AT 11:01 AM (Merged)
Tiny
FEINELIFE
  • MEMBER
  • 1 POST
  • 1998 DODGE DURANGO
  • V8
  • 4WD
  • AUTOMATIC
  • 170,000 MILES
My heat is not getting hot. I replaced the thermostat ang radiator cap. The coolant never gets hot is just gets a little warm. The dip stick to check the coolant level after a while reads low or not even on the stick. Please help I do not know what to check next
Was this
answer
helpful?
Yes
No
Saturday, August 8th, 2020 AT 10:51 AM (Merged)
Tiny
BMRFIXIT
  • MECHANIC
  • 19,053 POSTS
Stick for coolant level?

No heat new thermostat
most common is heater core need flush

Check heater core hoses if both are hot, if not the heater core need to be flushed as a 1st step
these are the steps
WARNING: NEVER REMOVE THE PRESSURE RELIEF CAP UNDER ANY CONDITIONS WHILE THE ENGINE IS OPERATING. FAILURE TO FOLLOW THESE INSTRUCTIONS COULD RESULT IN DAMAGE TO THE COOLING SYSTEM OR ENGINE AND/OR PERSONAL INJURY. TO AVOID HAVING SCALDING HOT COOLANT OR STEAM BLOW OUT OF THE COOLING SYSTEM OR DEGAS BOTTLE, USE EXTREME CARE WHEN REMOVING THE PRESSURE RELIEF CAP FROM A HOT COOLING SYSTEM OR DEGAS BOTTLE. WAIT UNTIL THE ENGINE HAS COOLED, THEN WRAP A THICK CLOTH AROUND THE PRESSURE RELIEF CAP AND TURN IT SLOWLY UNTIL PRESSURE BEGINS TO RELEASE. STEP BACK WHILE THE PRESSURE IS RELEASED FROM THE COOLING SYSTEM. WHEN CERTAIN ALL PRESSURE HAS BEEN RELEASED, PRESS DOWN ON THE PRESSURE CAP (STILL WITH A CLOTH), TURN AND REMOVE PRESSURE RELIEF CAP.
Engine cool
lower the coolant level
Locate the two hoses running to the heater core
disconnect them at the engine side leaving hoses connected to heater core throw the firewall
use garden water hose and compressed air if possible
run the water and follow by air throw one side and out the other and vice versa
do that two to three times watching what leaving the heater core you are looking for the good flow and clear water to run throw
reconnect hoses
top off coolant system
good luck
let me know
Was this
answer
helpful?
Yes
No
-1
Saturday, August 8th, 2020 AT 10:51 AM (Merged)
Tiny
BMRFIXIT
  • MECHANIC
  • 19,053 POSTS
Is it heating up to normal temp?
And if so
heater core need to be flushed
Sorry I do not recall seeing dip stick for the coolant level
some have it for the washer fluid

Check heater core hoses if both are hot, if not the heater core need to be flushed as a 1st step
these are the steps
WARNING: NEVER REMOVE THE PRESSURE RELIEF CAP UNDER ANY CONDITIONS WHILE THE ENGINE IS OPERATING. FAILURE TO FOLLOW THESE INSTRUCTIONS COULD RESULT IN DAMAGE TO THE COOLING SYSTEM OR ENGINE AND/OR PERSONAL INJURY. TO AVOID HAVING SCALDING HOT COOLANT OR STEAM BLOW OUT OF THE COOLING SYSTEM OR DEGAS BOTTLE, USE EXTREME CARE WHEN REMOVING THE PRESSURE RELIEF CAP FROM A HOT COOLING SYSTEM OR DEGAS BOTTLE. WAIT UNTIL THE ENGINE HAS COOLED, THEN WRAP A THICK CLOTH AROUND THE PRESSURE RELIEF CAP AND TURN IT SLOWLY UNTIL PRESSURE BEGINS TO RELEASE. STEP BACK WHILE THE PRESSURE IS RELEASED FROM THE COOLING SYSTEM. WHEN CERTAIN ALL PRESSURE HAS BEEN RELEASED, PRESS DOWN ON THE PRESSURE CAP (STILL WITH A CLOTH), TURN AND REMOVE PRESSURE RELIEF CAP.
Engine cool
lower the coolant level
Locate the two hoses running to the heater core
disconnect them at the engine side leaving hoses connected to heater core throw the firewall
use garden water hose and compressed air if possible
run the water and follow by air throw one side and out the other and vice versa
do that two to three times watching what leaving the heater core you are looking for the good flow and clear water to run throw
reconnect hoses
top off coolant system
good luck
let me know
Was this
answer
helpful?
Yes
No
+1
Saturday, August 8th, 2020 AT 10:51 AM (Merged)
Tiny
DAZED&&CONFUSED
  • MEMBER
  • 1 POST
  • 1998 DODGE DURANGO
  • 5.8L
  • 4 CYL
  • 4WD
  • AUTOMATIC
  • 181,460 MILES
When we first got it the heat worked great. A few weeks ago it started only working on high, and then it just stopped working. Sometimes when I hit a bump it’ll turn on for a minute or two but kicks right back off. And the last couple days it won’t work at all.
Was this
answer
helpful?
Yes
No
Saturday, August 8th, 2020 AT 10:51 AM (Merged)
Tiny
SCGRANTURISMO
  • MECHANIC
  • 4,897 POSTS
Hello,

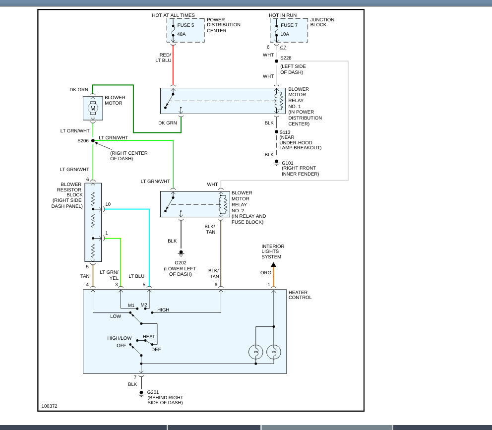
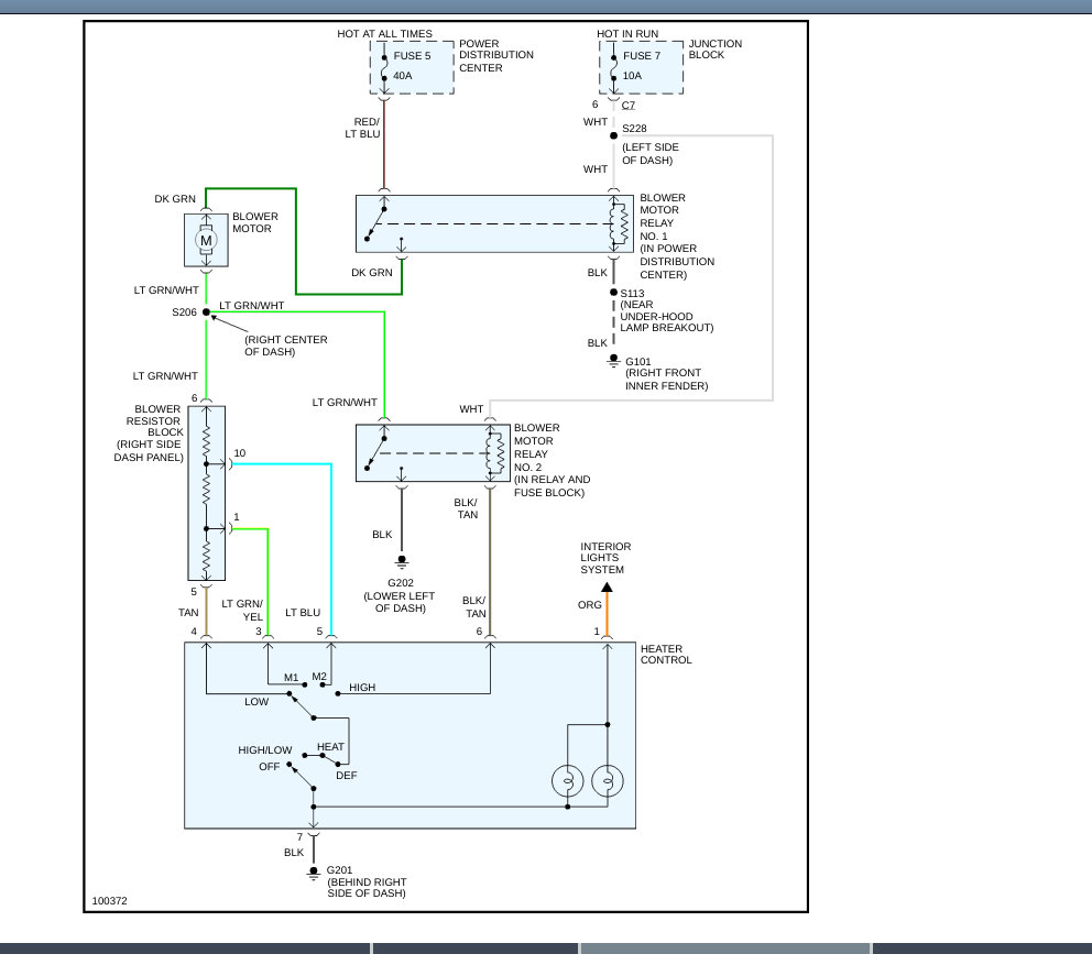
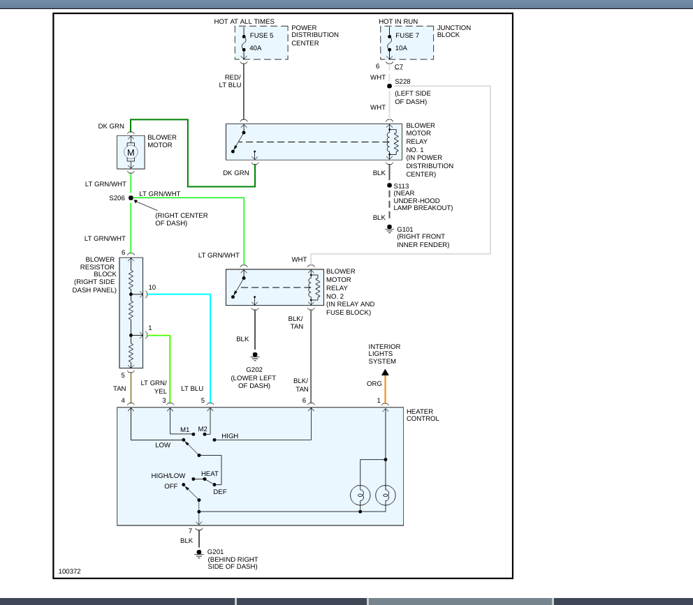
This could be a problem with ground 201, behind the right side of the dashboard. In the diagrams down below I have included a wiring diagram of the blower motor circuit for you. Please inspect this ground and make sure that it is clean, corrosion free, tight, and making good metal to metal contact. Please get back to us with what you are able to find out.

Thanks,
Alex
2CarPros
Was this
answer
helpful?
Yes
No
Saturday, August 8th, 2020 AT 10:51 AM (Merged)
Tiny
GJACOBSMEYER
  • MEMBER
  • 2 POSTS
  • DODGE DURANGO
I have a 98 Durango that blows cool air when the heater is on. Temperature gauge shows normal and the small vent between the front seats that blows toward the rear seats blows hot air! Do I have 2 heater cores? Or do I have an air leak under the dash? I'll take any suggestions.

Thanks,
Greg
Was this
answer
helpful?
Yes
No
Saturday, August 8th, 2020 AT 10:51 AM (Merged)
Tiny
SERVICE WRITER
  • MECHANIC
  • 9,123 POSTS
There is only one heater core, have you replaced the cabin air filter?
Was this
answer
helpful?
Yes
No
Saturday, August 8th, 2020 AT 10:51 AM (Merged)
Tiny
GJACOBSMEYER
  • MEMBER
  • 2 POSTS
No I have not. Where is the cabin filter? Where is the heater core? Is it hard to replace?
Was this
answer
helpful?
Yes
No
Saturday, August 8th, 2020 AT 10:51 AM (Merged)
Tiny
SERVICE WRITER
  • MECHANIC
  • 9,123 POSTS
Greg,
With all due respect, if you don't know where the heater core is, you don't want to go after it yourself. It's located in the heaterbox under the dash. It is a 5 hour job if your god like, average tech 8-10 hours, a d-i-y has it towed to a shop in pieces and pays double what it would have cost to just take it there to begin with.

Try changing the cabin air filter and hope it blocked up first. It is behind the glove, Let me see what I find out tommorrow and i'll update it
Was this
answer
helpful?
Yes
No
Saturday, August 8th, 2020 AT 10:51 AM (Merged)
Tiny
SERVICE WRITER
  • MECHANIC
  • 9,123 POSTS
I can find a cabin air filter for your truck, nothing on location. Typically the are behind the glove compartment or accesible from the passenger side wiper cowl area.

Two things I am thinking, is there may be a build up of crap in there, not allowing air flow to you, a binding door or cable problem.
Was this
answer
helpful?
Yes
No
Saturday, August 8th, 2020 AT 10:51 AM (Merged)
Tiny
SPADAFR
  • MEMBER
  • 1 POST
  • 1998 DODGE DURANGO
  • V8
  • 4WD
  • AUTOMATIC
  • 101,000 MILES
The heater only gets moderately warm. It has been getting worse over the course of the winter. What are the possible problems?
Was this
answer
helpful?
Yes
No
Saturday, August 8th, 2020 AT 10:51 AM (Merged)
Tiny
BLACKOP555
  • MECHANIC
  • 10,386 POSTS
Flush out the heater core and make sure the antifreeze level is full.

Does this fix it? Let me k nwo what you find.

Have you noticed a increase or decrease in engine temperature?
Was this
answer
helpful?
Yes
No
Saturday, August 8th, 2020 AT 10:51 AM (Merged)
Tiny
SMITTY_101
  • MEMBER
  • 1 POST
  • 1998 DODGE DURANGO
  • V8
  • 4WD
  • AUTOMATIC
  • 125,000 MILES
In my 98 dodge durango when the truck is at running temp. I have barelly luke warm temp coming out of the vents and defrost, I changed the water pump over the summer and I just recently changed the therestat. Any ideas as to what it might be
Was this
answer
helpful?
Yes
No
+2
Saturday, August 8th, 2020 AT 10:51 AM (Merged)

Please login or register to post a reply.