Front heated/cooled seats not working

Tiny
HEFFTY
  • MEMBER
  • 2013 LINCOLN MKX
  • 4 CYL
  • 2WD
  • AUTOMATIC
  • 200,000 MILES
My heated and cooled front seats stopped working, my heated steering and rear heated seats still work. When I click to turn them on it says they are on but nothing happens. Not quite sure what the issue is checked fuses and they are all good. Any ideas appreciated.
Sunday, February 14th, 2021 AT 8:54 PM

9 Replies

Tiny
KASEKENNY
  • MECHANIC
  • 18,907 POSTS
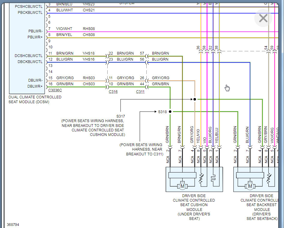
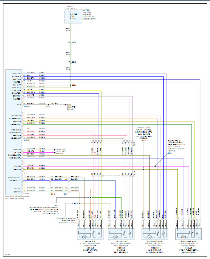
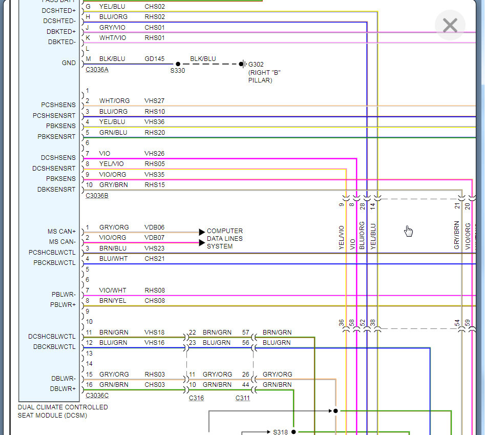
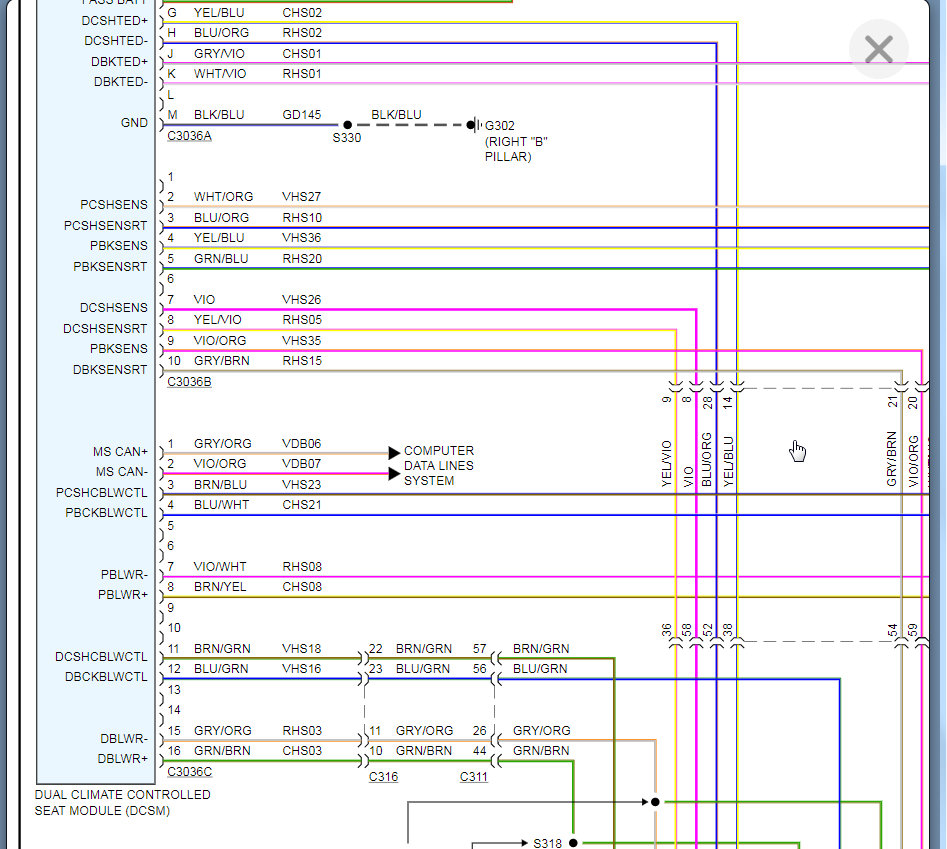
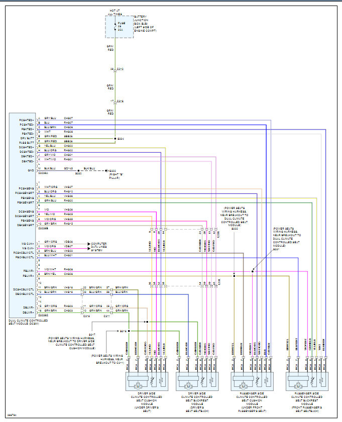
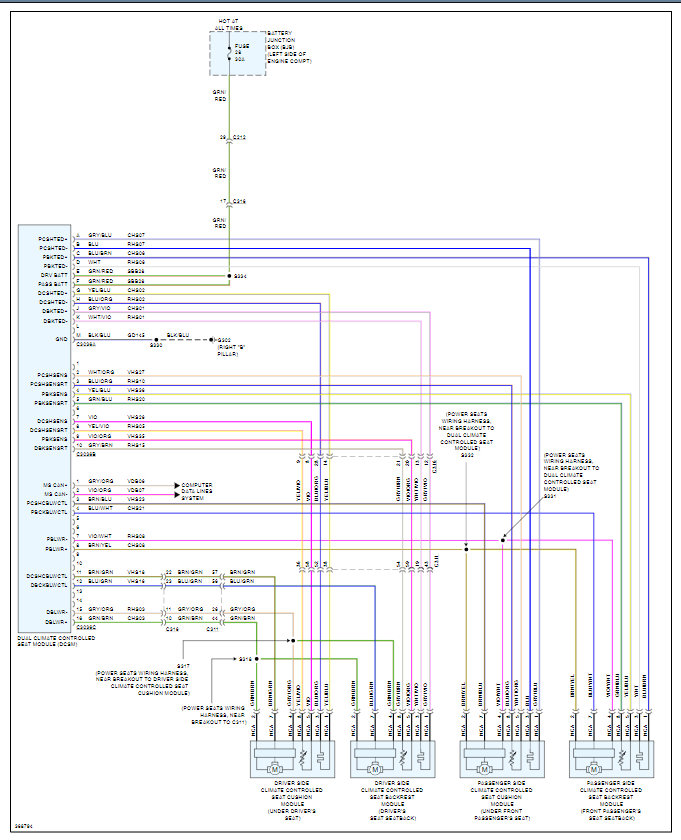
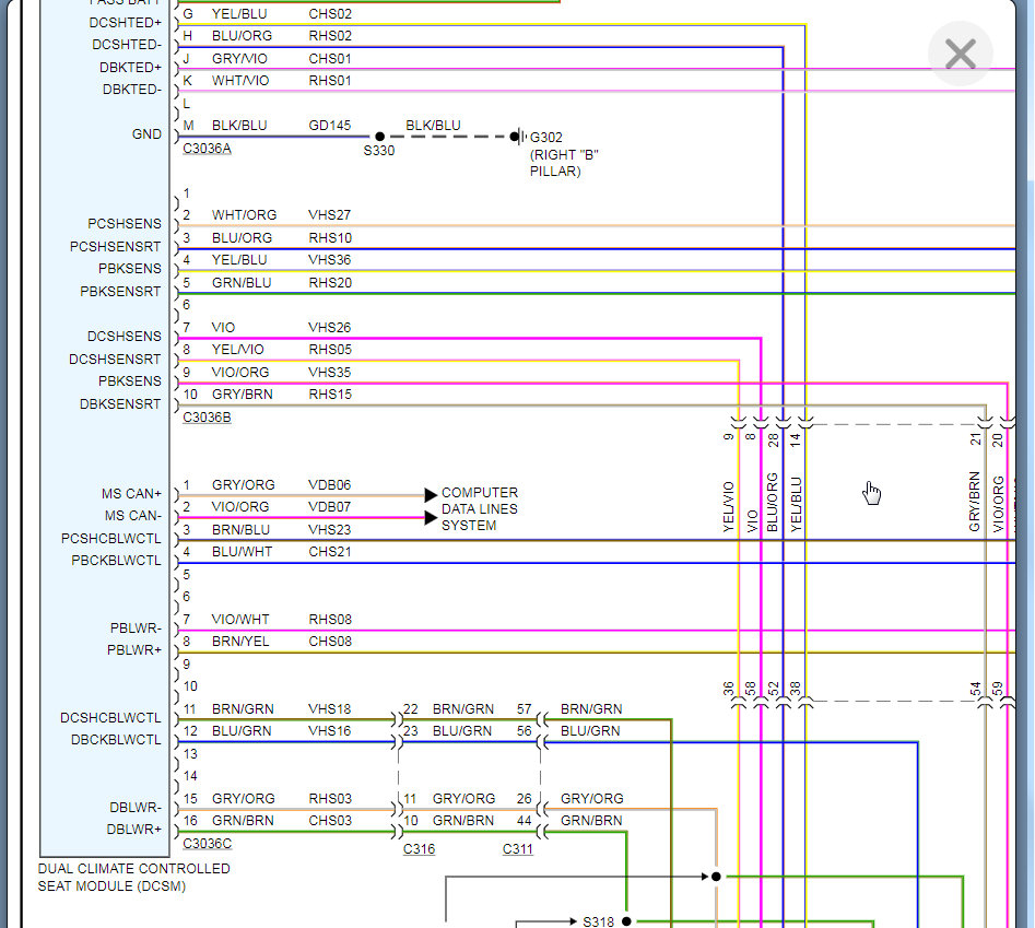
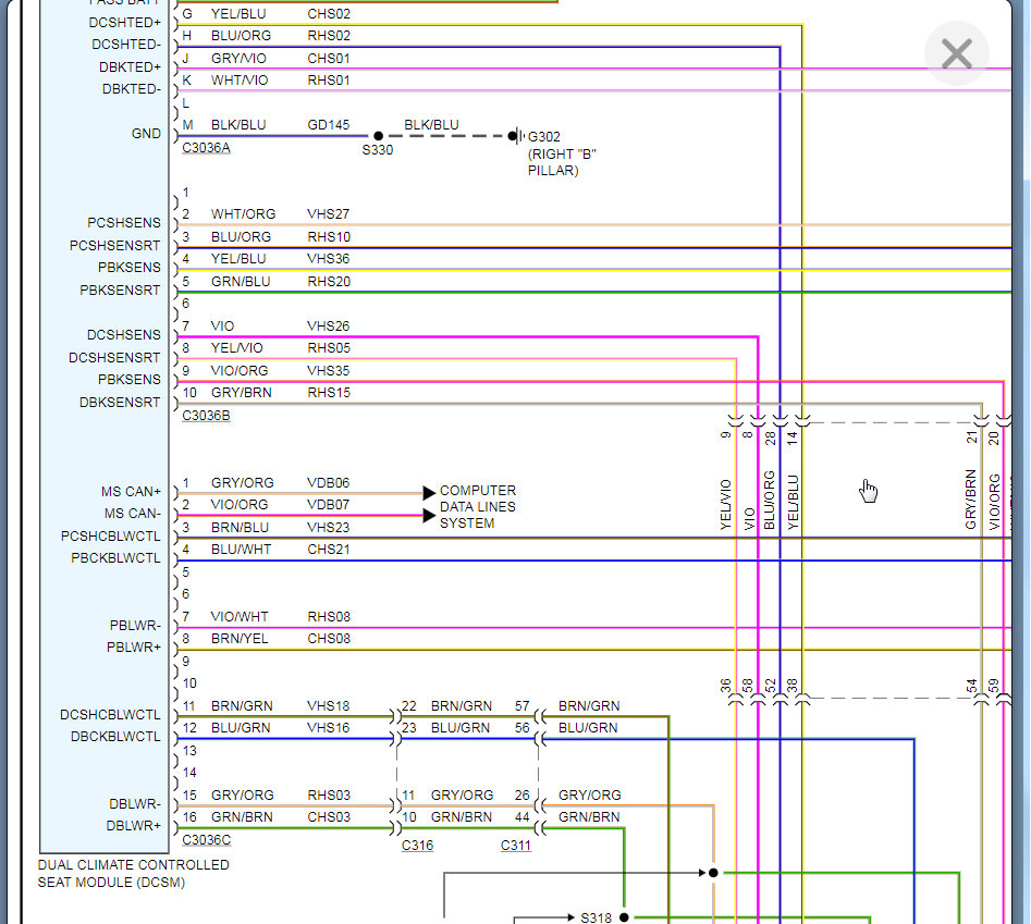
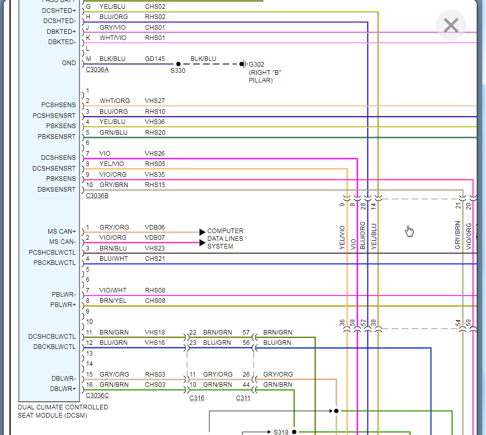
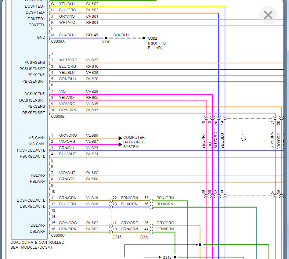
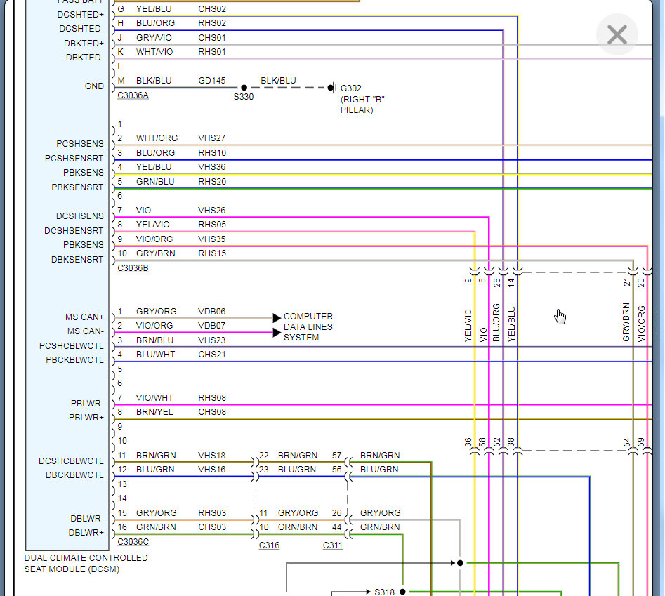
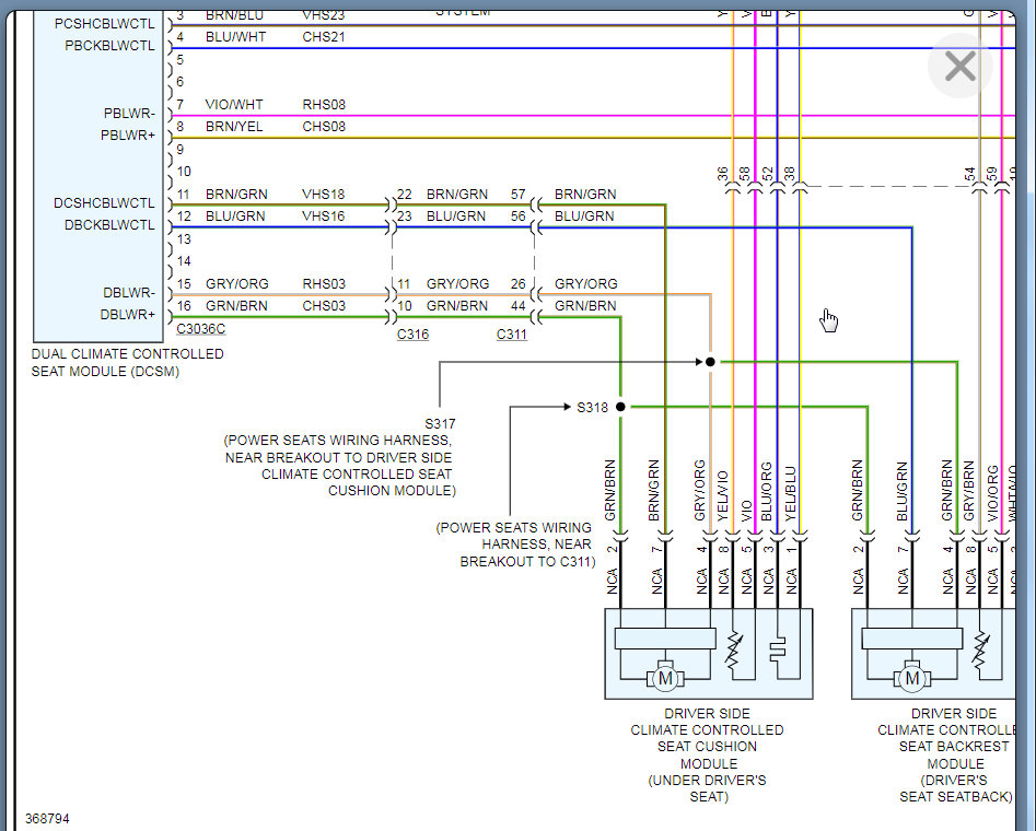
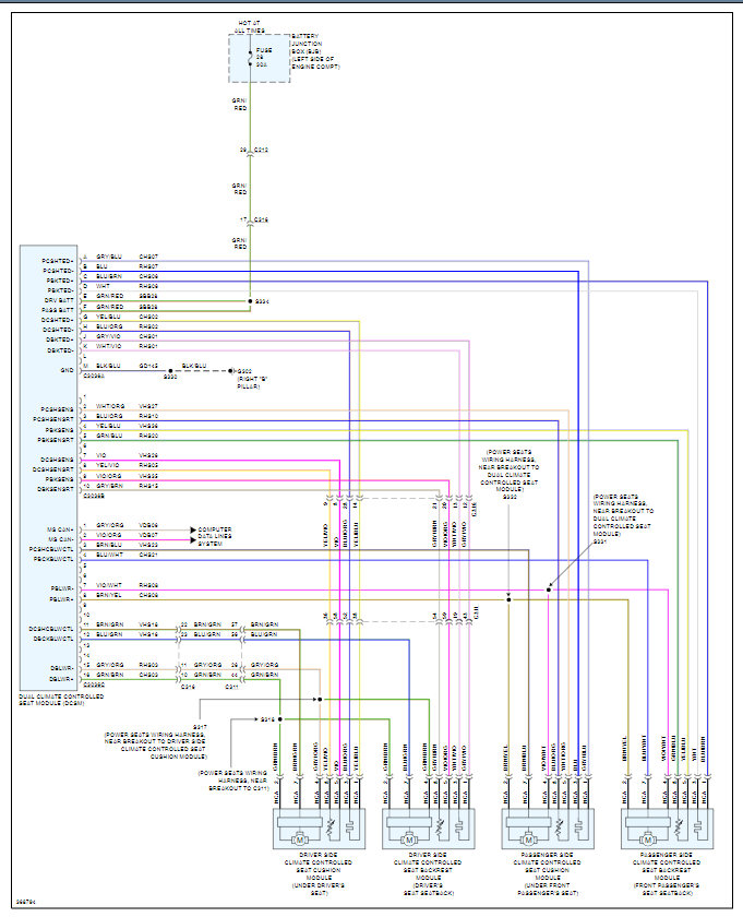
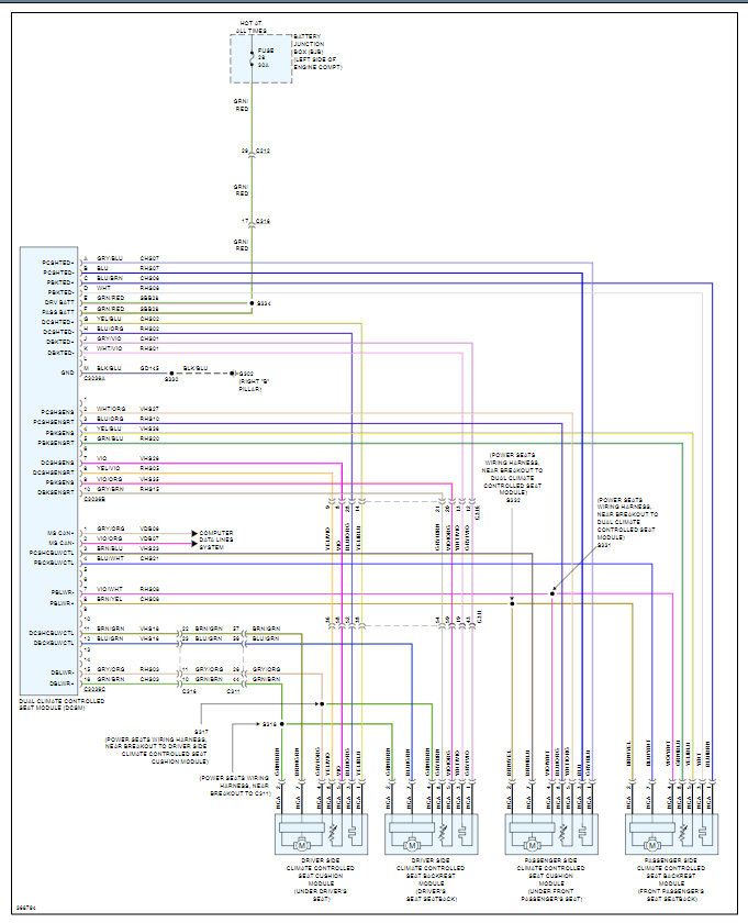
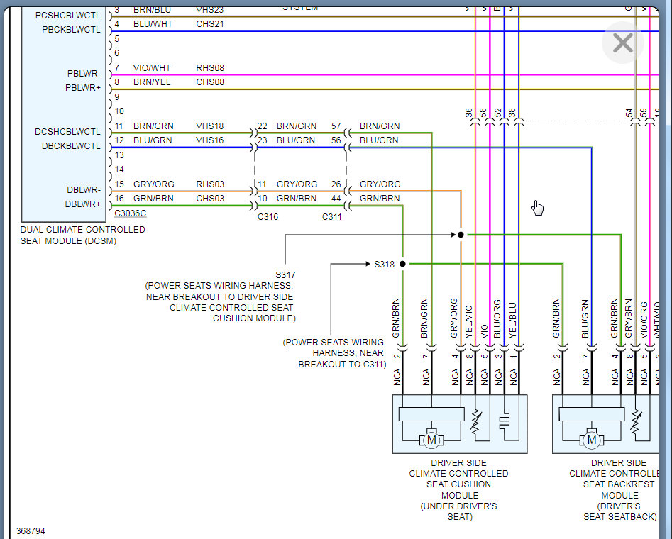
More than likely the issue is the Dual Climate Controlled Seat Module. This is what is responsible for turning both front seats on and if the button is showing they are on but they are not actually coming on then it would have to be something in common with them. We need to check the fuse for this module which is in the battery junction block fuse 28.

If this is okay then we are left with the module or all the elements which is highly unlikely that they would all fail at the same time. I would check the voltage at the elements in the seat and then go to the module and check the same wire. I suspect you will not find voltage on it which indicates the module has failed.

https://www.2carpros.com/articles/how-to-check-wiring

I attached the info below on this. Let us know if you have questions. Thanks
Was this
answer
helpful?
Yes
No
Monday, February 15th, 2021 AT 3:35 PM
Tiny
HEFFTY
  • MEMBER
  • 6 POSTS
I checked the fuse and it’s good, also is the DSCM under the driver or passenger seat. I also ordered a new voltmeter because of course when I need it mine breaks, I will test the voltage when it comes in on Wednesday and let you know the results.
Was this
answer
helpful?
Yes
No
Monday, February 15th, 2021 AT 5:15 PM
Tiny
KASEKENNY
  • MECHANIC
  • 18,907 POSTS
It never fails. Whenever you need something it is either broken or lost.

The last attachment was the replacement procedure in case you needed it. However, I attached it below again to make it easier, plus I added a view of the passenger seat that shows the connectors.
Was this
answer
helpful?
Yes
No
Monday, February 15th, 2021 AT 7:03 PM
Tiny
HEFFTY
  • MEMBER
  • 6 POSTS
Okay, thank you. I will let you know as soon as I test it.
Was this
answer
helpful?
Yes
No
Monday, February 15th, 2021 AT 7:18 PM
Tiny
KASEKENNY
  • MECHANIC
  • 18,907 POSTS
Sounds great. We will be here when you get back to us. Thanks for the update.
Was this
answer
helpful?
Yes
No
Tuesday, February 16th, 2021 AT 5:17 PM
Tiny
HEFFTY
  • MEMBER
  • 6 POSTS
Sorry for the late response. I got under the seat and on one of the connectors on the DSCM is absolutely destroyed. Any ideas/part links to fix this?
Was this
answer
helpful?
Yes
No
Wednesday, March 3rd, 2021 AT 5:52 PM
Tiny
KASEKENNY
  • MECHANIC
  • 18,907 POSTS
If this is just a connector, I would get online and see if you can find what is called a connector kit. This is basically a new connector with wiring pigtails where you can cut the current connector out and solder this new one on in its place.

Here is a link to Motorcrafts document where they list all of their connectors but you are going to have look on the connector you have and see if you can find the part number. Then you can locate that in this document and order it from Ford.

https://parts.ford.com/content/dam/ford-parts/catalog/sub-category/desktop/Pigtail%20Final.pdf

If this doesn't work, then I would go to a salvage yard and find a similar vehicle and see if it has heated seats then cut that connector off the harness. It doesn't matter what wire colors or number of wires it has, as long as it is the same connector and has wires in the same terminal locations as yours, then you can use it.

Last resort, is to cut the connector out and solder the wires together with no connector. Clearly this is not desirable because if you ever need to take it apart again you will have to cut the wires. However, this may be ok because how many times do you need to take this heated seat connector apart?

Let me know what questions you have. Thanks
Was this
answer
helpful?
Yes
No
+1
Thursday, March 4th, 2021 AT 7:03 AM
Tiny
HEFFTY
  • MEMBER
  • 6 POSTS
Great news, I just replaced the whole wire harness of the seat I didn’t want spliced wires decided to do it correctly, bought a new wire harness and control module for the seat heater/cooling. Put it all in total cost in parts was about $250.00 and 2 hours of work. A lot better than a $1,200.00 quote from Ford. Thanks for the help on the site it works great!
Was this
answer
helpful?
Yes
No
Wednesday, March 10th, 2021 AT 7:07 PM
Tiny
KASEKENNY
  • MECHANIC
  • 18,907 POSTS
Wow. That is great news! Thanks for the update as I am sure that info will help others that visit this site as well.

Please come back to 2CarPros next time you need some help. Thanks
Was this
answer
helpful?
Yes
No
+1
Thursday, March 11th, 2021 AT 6:18 PM

Please login or register to post a reply.