Monday, August 11th, 2025 AT 2:26 PM
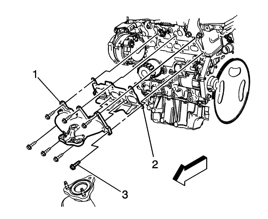
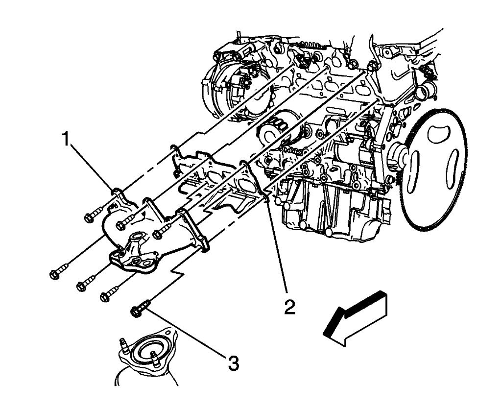
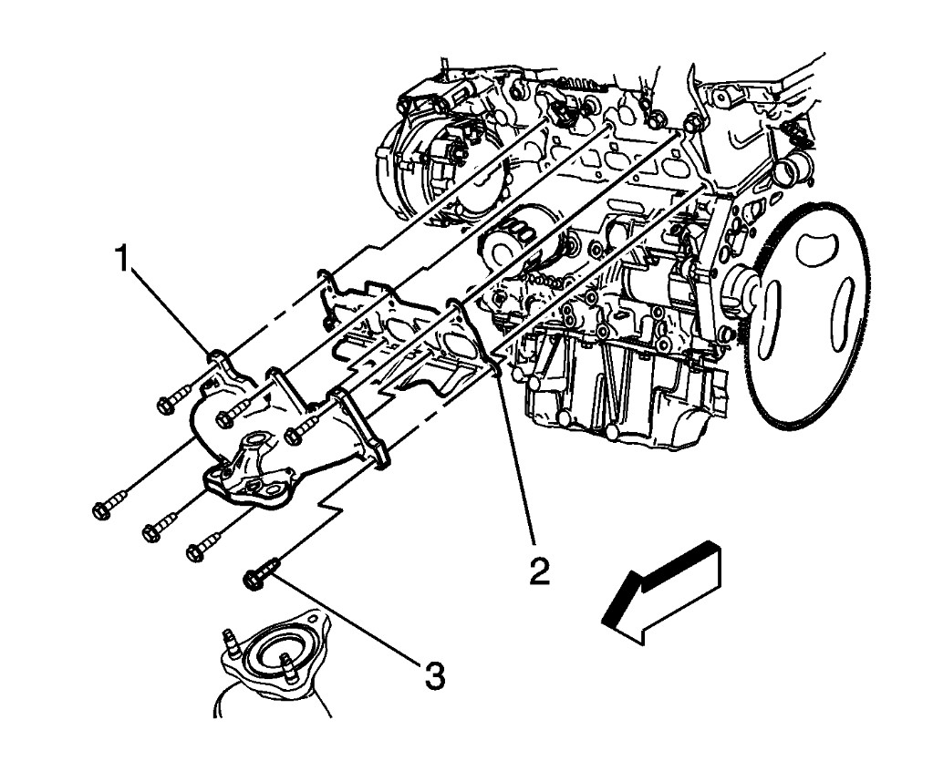
Can someone show me and give me the part number for the front exhaust manifold on mth car I put in. Mines is cracked and I need to replace the original one that came on the car


