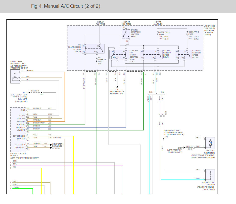
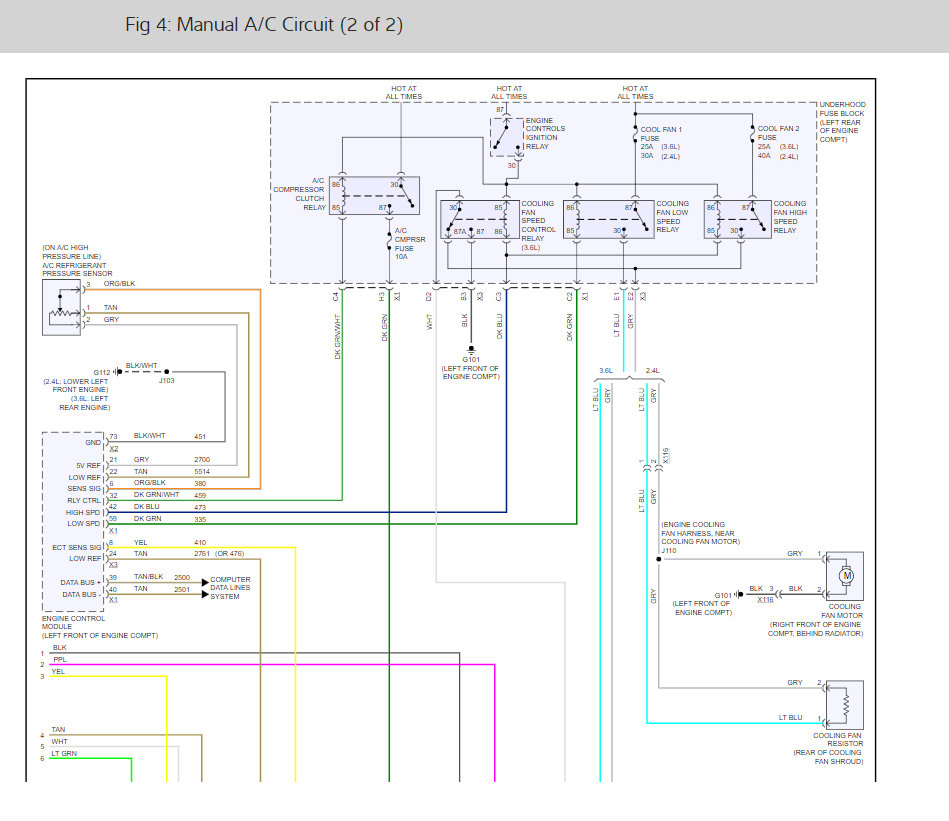
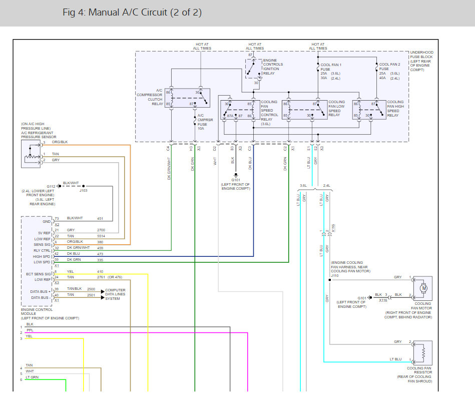
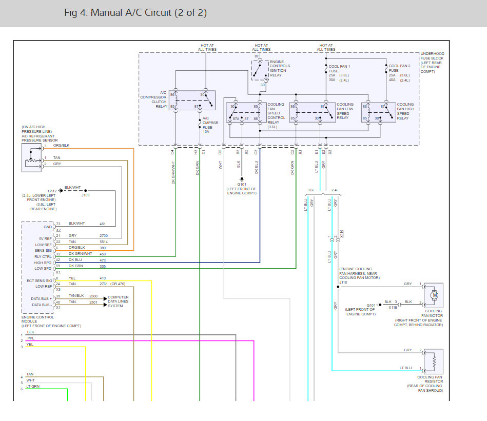
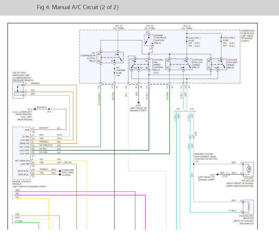
Thursday, June 8th, 2017 AT 12:21 PM
The air conditioning works, but the front blowers are not blowing any air. The air does work when turned on from the foot area. I have checked all of the fuses and they all looked good. What is my next step?















