Front A/C not working properly

Tiny
DON03
  • MEMBER
  • 2006 GMC ENVOY
  • 4.2L
  • V6
  • 2WD
  • AUTOMATIC
  • 131,000 MILES
My rear AC blows perfectly fine air and heat but my front AC blows only like a personal fan and takes upwards of 45 minutes to start.
Tuesday, January 7th, 2020 AT 10:37 AM

1 Reply

Tiny
KENW1
  • MECHANIC
  • 213 POSTS
Thanks for visiting 2CarPros.

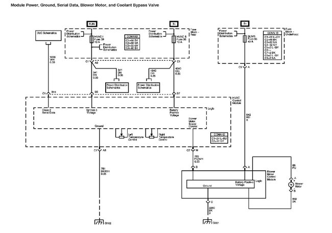
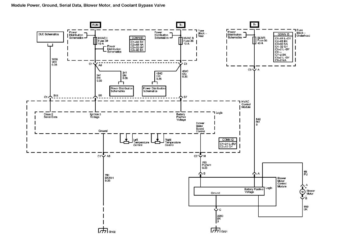
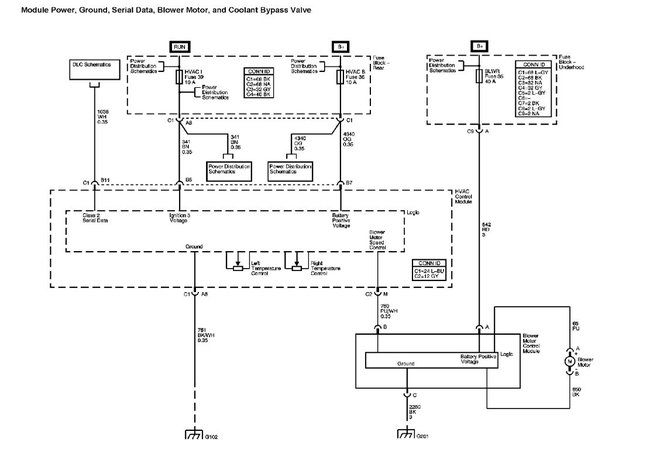
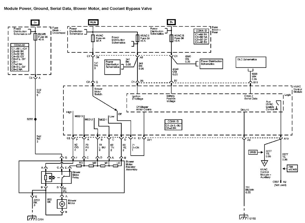
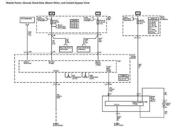
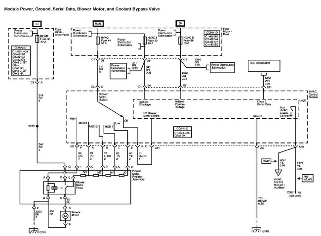
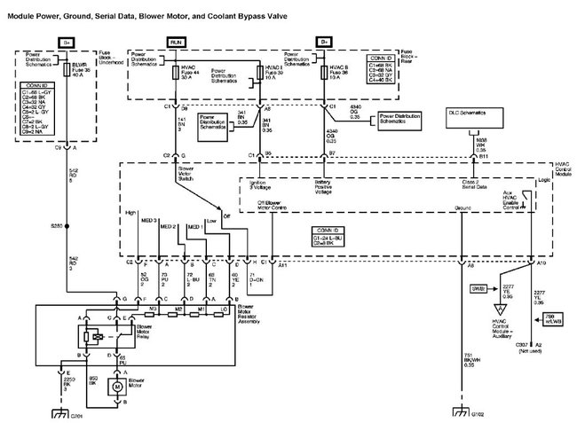
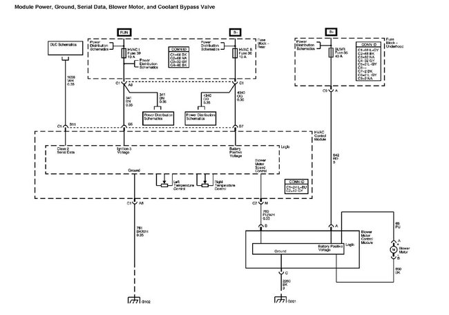
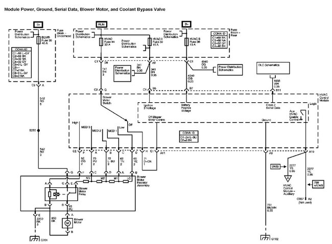
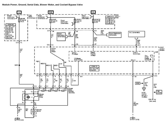
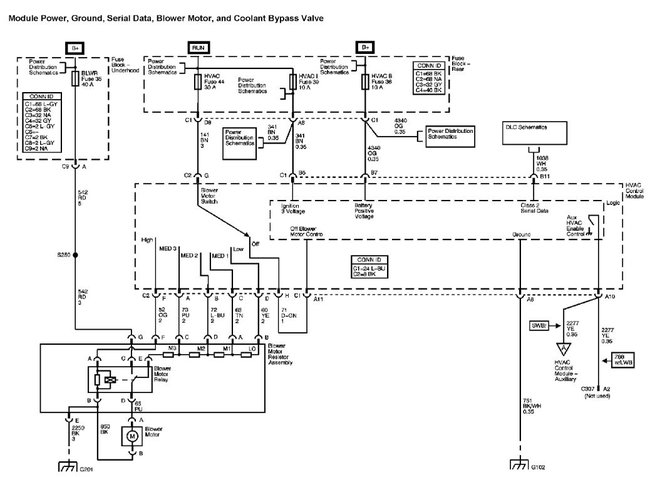
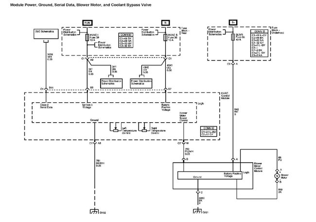
These vehicles had fairly common issues with this due to the blower control module. What you can do is remove the plug at the blower motor under the passenger side of the dash and use a voltmeter with one probed in each cavity of the connector to check for voltage. If it changes at each speed and goes to 12 volts the motor is bad, if not it's most likely the module. Also inspect the connectors for burning at the contacts which is another common issue with these. I'll post the wiring diagrams below.
Was this
answer
helpful?
Yes
No
Wednesday, January 8th, 2020 AT 11:32 AM

Please login or register to post a reply.