HOME
ASK A QUESTION
REPAIR GUIDES
BECOME A MEMBER
LOG IN
Login with Facebook
OR
Remember me
NOT A MEMBER?
FORGOT PASSWORD?
CONTACT US
PRIVACY POLICY
TERMS AND CONDITIONS
☰
Home
Ford
Windstar
Body
Mirror
Wiring
2003 Ford Windstar Passenger Mirror
JMJOHNSO2
MEMBER
2003 FORD WINDSTAR
Electrical problem
2003 Ford Windstar 6 cyl Two Wheel Drive Automatic
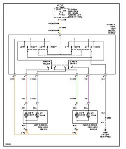
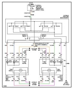
Looking for a 3 to five wire diagram for passenger side mirror.
Monday, May 25th, 2009 AT 5:52 PM
1 Reply
DAVE H
MECHANIC
13,384 POSTS
Power mirror's with heater
Was this
answer
helpful?
Yes
No
Tuesday, May 26th, 2009 AT 6:31 AM
Please
login
or
register
to post a reply.
Related Mirror Wiring Content
2003 Ford Windstar Mirror Thumb Control
Hi. The Control For The Mirrorsonly Works In Two Functions. Pan Ouy And Pan Up On Both Sides. The Down And Pan In Isnt Working. How Do I...
Asked by
paul 5405
·
1 ANSWER
2003
FORD WINDSTAR
1999 Ford Windstar Replace Passenger Side Mirror
1999 Ford Windstar 6 Cyl Front Wheel Drive 98271 Miles How Do I Disassemble The Passenger Door To Replace The Side Mirror Unit - And...
Asked by
maven49
·
1 ANSWER
1999
FORD WINDSTAR
Ambient Air Temperature Sensor Location
Can Someone Tell Me Where I Can Find The Sensor Under The Hood? Any Manual That I Have Seen Leaves Me Guessing With No Specifics. The Van...
Asked by
Chalky
·
4 ANSWERS
2 IMAGES
2003
FORD WINDSTAR
Taillights And Rear Window Light Not Working Properly
The Light On The Rear Window And The Taillights Will Not Go Off When It Is Bad Weather. Sometimes, They Come On When The Car Is Not In Use...
Asked by
Anonymous
·
1 ANSWER
3 IMAGES
2008
FORD WINDSTAR
2002 Ford Windstar Windshield Wipers
The Windshield Wiper Fluid Does Not Squirt Out Onto The Windshield For Cleaning
Asked by
waynemat
·
1 ANSWER
2002
FORD WINDSTAR
VIEW MORE
Ask a Car Question. It's Free!
Door Panel Removal
How to Use a Test Light