Saturday, February 23rd, 2013 AT 10:54 AM
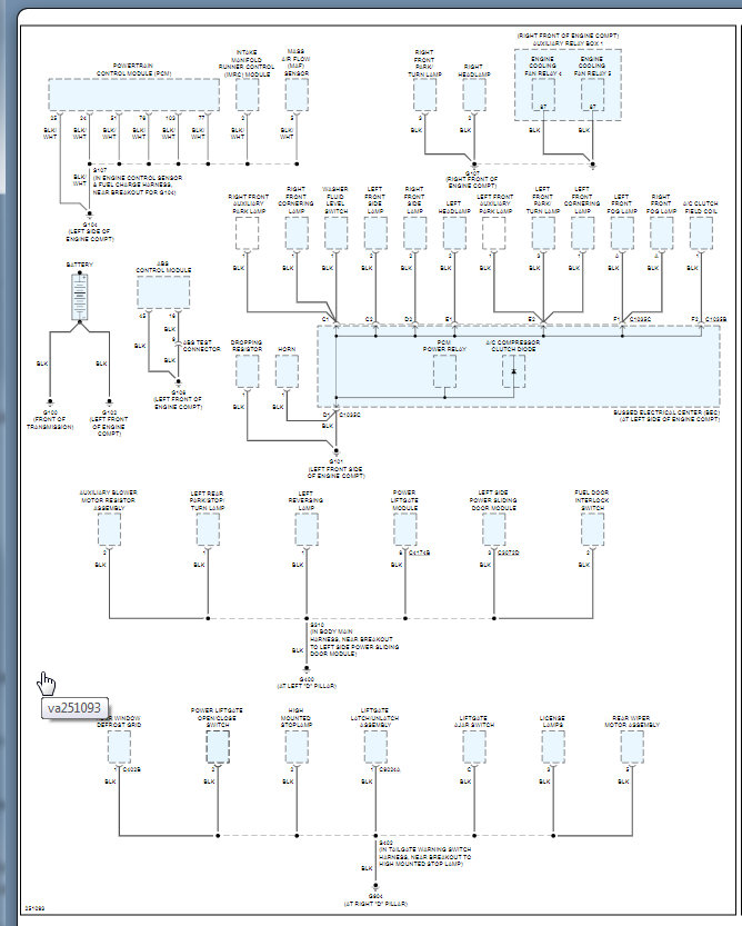
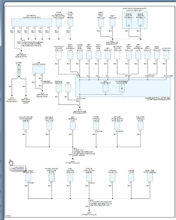
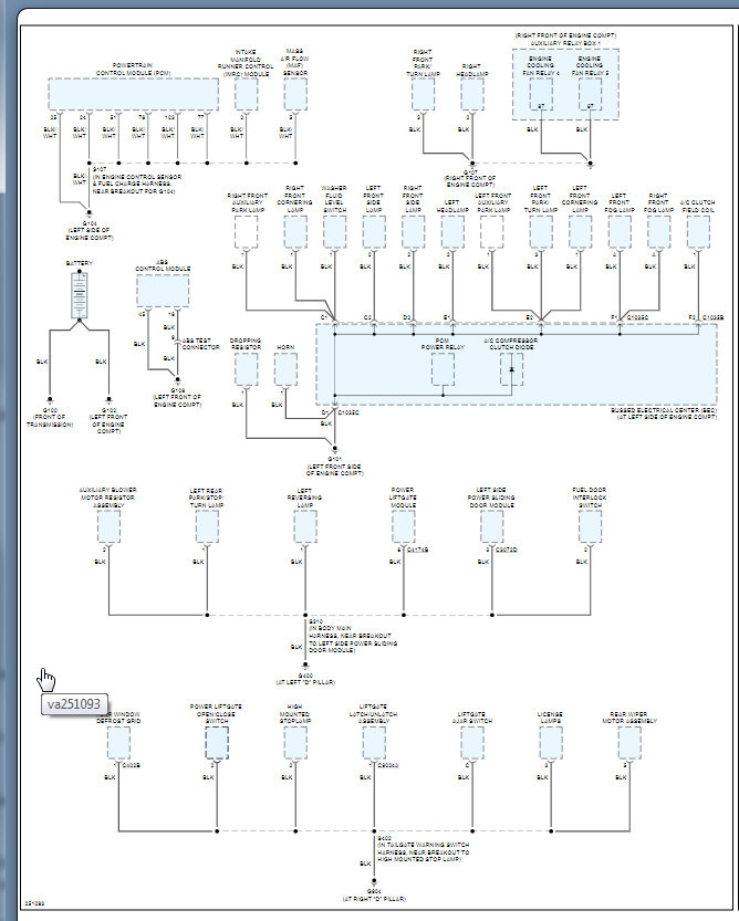
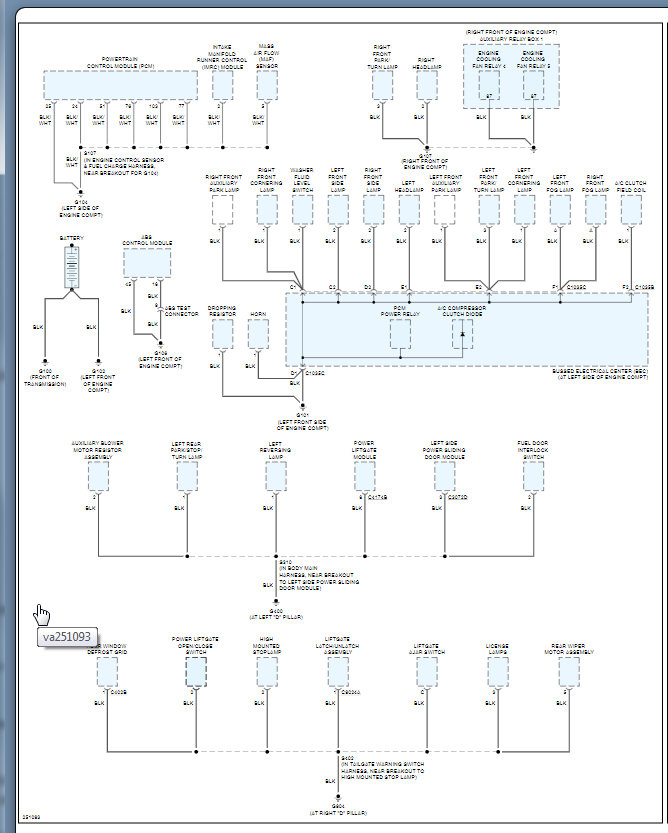
The light on the rear window and the taillights will not go off when it is bad weather. Sometimes, they come on when the car is not in use. Car stopped when I pulled over to take a call. Acted as though the battery was dead but started up a few minutes later. Had the battery checked out 3 times with positive results. Car smells when lights are stuck on.


