Electric Sliding Doors Passenger side one, does not open

Tiny
CHARLOTTERG
  • MEMBER
  • 2002 FORD WINDSTAR
My van is equipped with electric sliding passenger doors on both sides. The Driver's side works fine. But the Passenger side one, does not. We have to manually open & close this door. When you press the button to open or close it, nothing happens at all.
Can you please tell me what this may be and how or where to fix it?
Tuesday, February 9th, 2010 AT 10:27 AM

1 Reply

Tiny
SQM
  • MECHANIC
  • 6,383 POSTS
Hello,

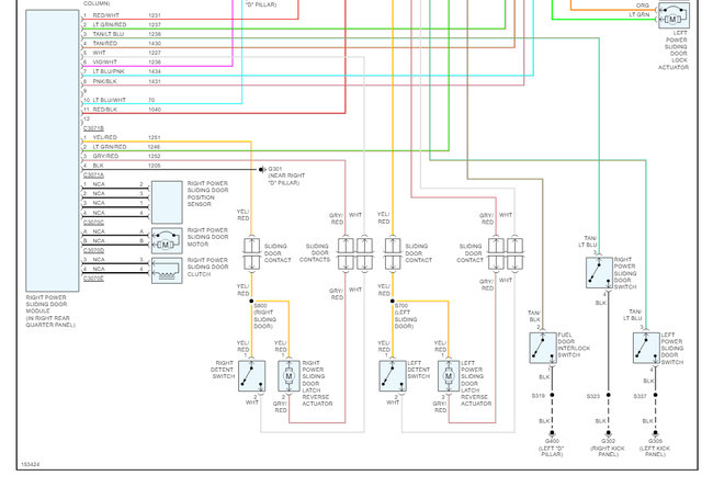
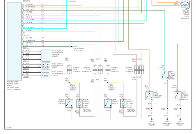
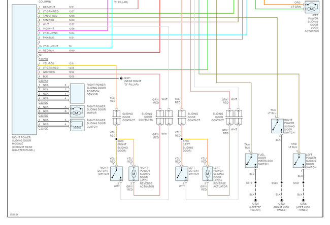
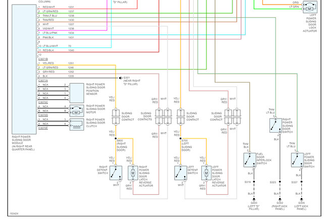
In operative power door could be due to a bad motor, faulty wiring, defective actuator.
It can also be due to a faulty module for the door.
You will have to look at few things in order to figure out what is the issue. First you will need to make sure you are getting power from the switch. And to the motor and the module.

https://www.2carpros.com/articles/how-to-check-wiring

One of the issues for inoperative door is a faulty door release actuator. If the actuator fails, the door will not operate.

I have attached diagrams as well as the wiring schematics below for your reference.

Please let me know of any questions.
Thank you.
Was this
answer
helpful?
Yes
No
Sunday, December 5th, 2021 AT 7:53 PM

Please login or register to post a reply.