1999 Ford Windstar Tail lights do not work

Tiny
RON DUEHRING
  • MEMBER
  • 1999 FORD WINDSTAR
  • 6 CYL
  • 2WD
  • AUTOMATIC
  • 120,000 MILES
Might be relay fuses all okay
Sunday, October 12th, 2008 AT 2:38 PM

2 Replies

Tiny
RASMATAZ
  • MECHANIC
  • 75,992 POSTS
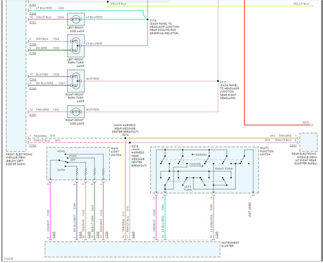
Have the main light switch and the rear electronic module.
Was this
answer
helpful?
Yes
No
-1
Monday, October 13th, 2008 AT 5:01 PM
Tiny
KEN L
  • MASTER CERTIFIED MECHANIC
  • 55,481 POSTS
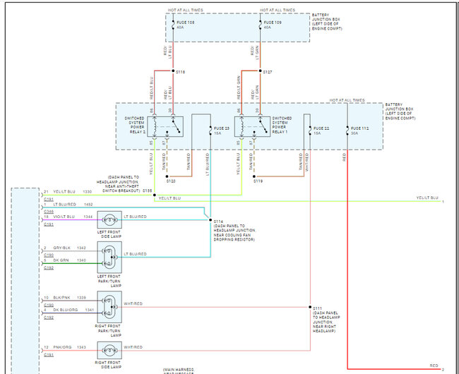
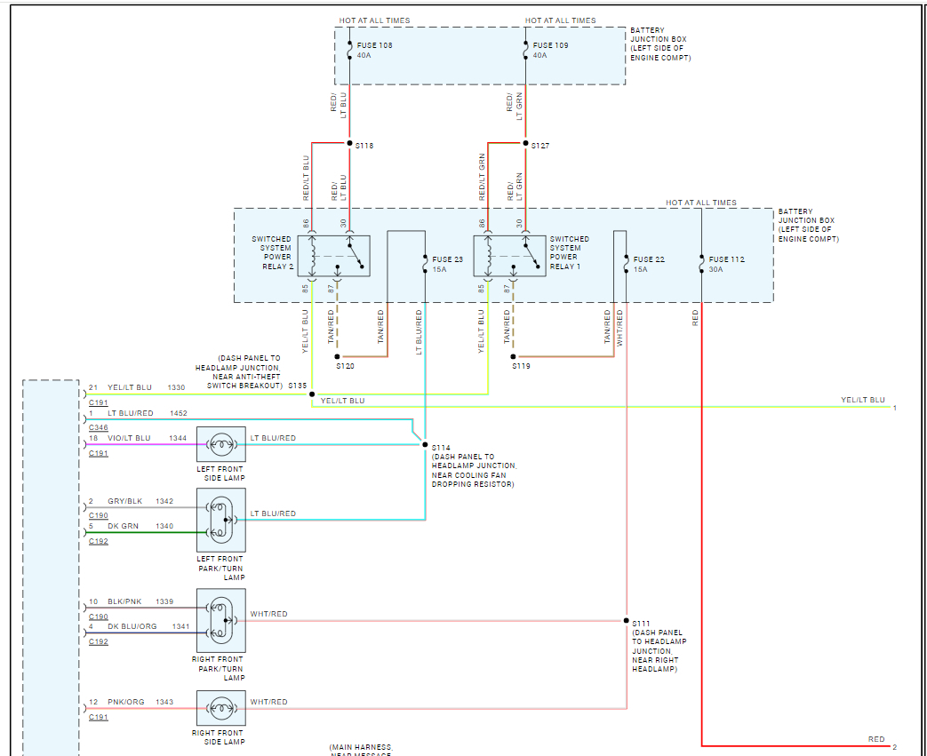
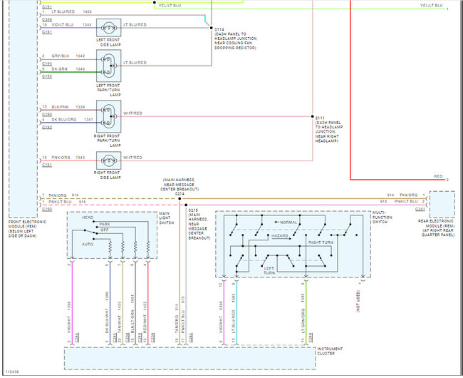
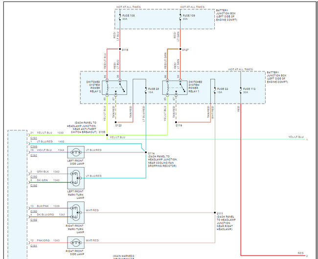
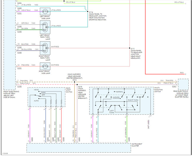
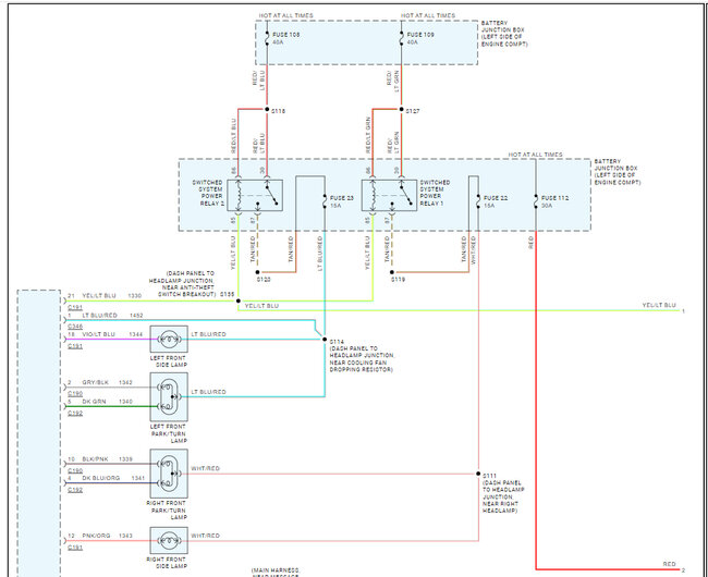
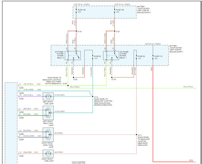
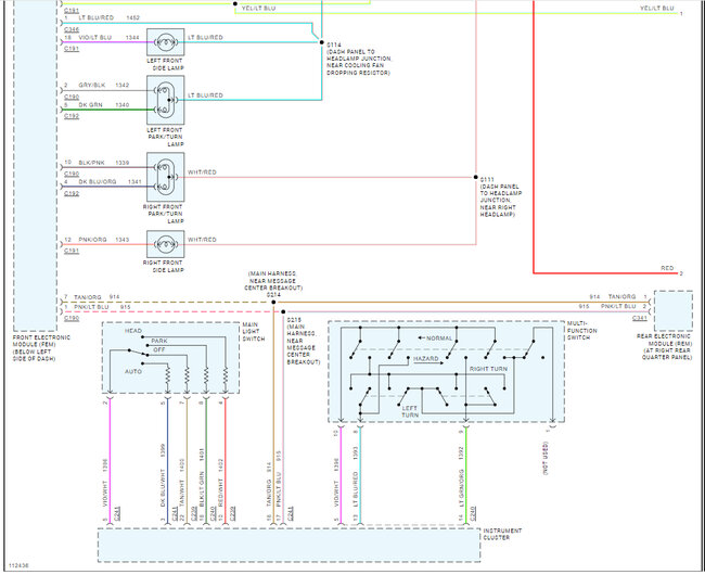
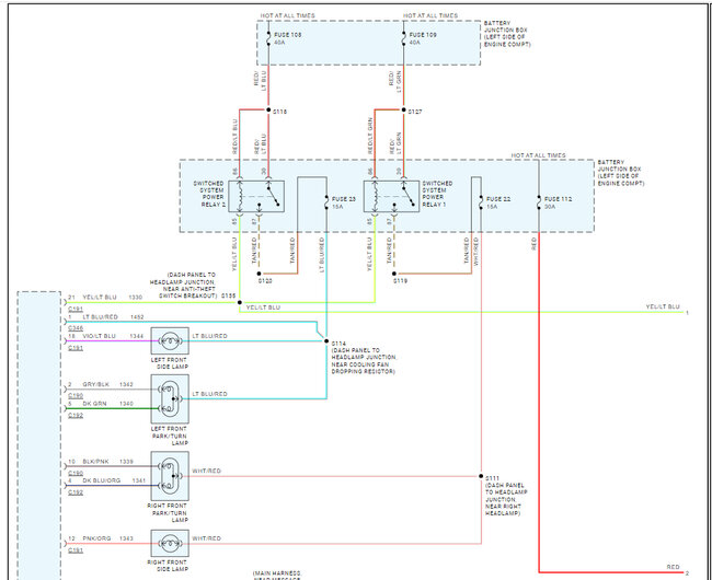
It is going to be a bad ground or the rear electronic module. Here are the taillight wiring diagrams so you can see how the system works. this guide that can help as well:

https://www.2carpros.com/articles/no-tail-lights-exterior-running-lights-tail-lights-out

Check out the images (below). Please let us know what happens.
Was this
answer
helpful?
Yes
No
Thursday, September 26th, 2024 AT 4:17 PM

Please login or register to post a reply.