HOME
ASK A QUESTION
REPAIR GUIDES
BECOME A MEMBER
LOG IN
Login with Facebook
OR
Remember me
NOT A MEMBER?
FORGOT PASSWORD?
CONTACT US
PRIVACY POLICY
TERMS AND CONDITIONS
☰
Home
Ford
Windstar
Drivetrain
Transmission
Symptoms
HARD SHIFT
Van shifts into 1st hard?
JASONEM
MEMBER
1995 FORD WINDSTAR
Transmission problem
1995 Ford Windstar V6 Front Wheel Drive Automatic 140000 miles
my van shifts into 1st hard, I thought if I changed filter and fluids it would fix the problem it did not what could be the problem?
Sunday, December 9th, 2007 AT 12:44 PM
2 Replies
KNOBBY
MEMBER
37 POSTS
Its on its way out be happy its gone this far its not a strong trans
Was this
answer
helpful?
Yes
No
Sunday, December 9th, 2007 AT 1:28 PM
KEN L
MASTER CERTIFIED MECHANIC
54,137 POSTS
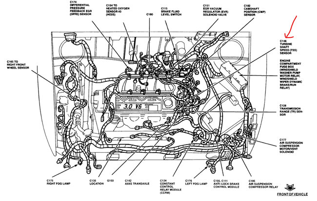
This can be causes by a turbine shaft speed sensor that is going out but we should run the codes to see if any are stored, this guide can help.
https://www.2carpros.com/articles/checking-a-service-engine-soon-or-check-engine-light-on-or-flashing
Here is the location of the sensor in case you get a codes for it which maybe it will have or not. Check out the images (below). Please let us know what happens.
Image (Click to make bigger)
Was this
answer
helpful?
Yes
No
Saturday, August 3rd, 2024 AT 7:15 PM
Please
login
or
register
to post a reply.
Related Transmission HARD SHIFT Content
Transmission Shifting Hard Any Ideas On What Could Be...
We Had The Transmission Rebuilt About A Month Ago. At The Same Time We Had The Lower Intake Manafold Replaced Because It Was Cracked. The...
Asked by
windstarsuxx
·
1 ANSWER
2003
FORD WINDSTAR
2003 Ford Windstar Transmission
I Have A 2003 Ford Windstar With 83000 Miles. Today While Driving Home The Transmission Stopped Applying Power To The Drive Wheels....
Asked by
Tmaher78
·
1 ANSWER
2003
FORD WINDSTAR
What Would Cause The Transmission To Get Stuck In 2nd...
I Have A 1995 Windstar With An Axod Transmission And It Will Not Shift. It Is Stuck In 2nd Gear. It Previously Shifted Hard Into Second...
Asked by
Terry Boone
·
4 ANSWERS
1995
FORD WINDSTAR
1995 Ford Windstar Transmission Not Shifting
Originally The Car Wouldn't Go Into Parking And Found The Bullet Come Out Of The Back Of The Gear Shifter On The Bracket. I Put It Back In...
Asked by
jenapp
·
3 ANSWERS
2 IMAGES
1995
FORD WINDSTAR
1995 Ford Windstar Will Not Shift Out Of Low
Car Will Move From A Stop But, After A Short Distance (about The Time To Shift Into Second) The Car Acts Like It Is In Neutral. The Engine...
Asked by
justdon
·
3 ANSWERS
1995
FORD WINDSTAR
VIEW MORE
Ask a Car Question. It's Free!
Throwout Bearing - Secondary Cylinder Replacement
Transmission Replacement - Automatic RWD
Flywheel Replacement