Replaced the brake wheel cylinder?

Tiny
BYRONSGIRL
  • MEMBER
  • 1991 FORD TEMPO
How do you put the adjuster back together after you have replaced the brake wheel cylinder?
Friday, June 19th, 2009 AT 2:09 PM

1 Reply

Tiny
WENDY W
  • MECHANIC
  • 86 POSTS
Hello!

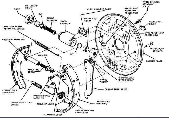
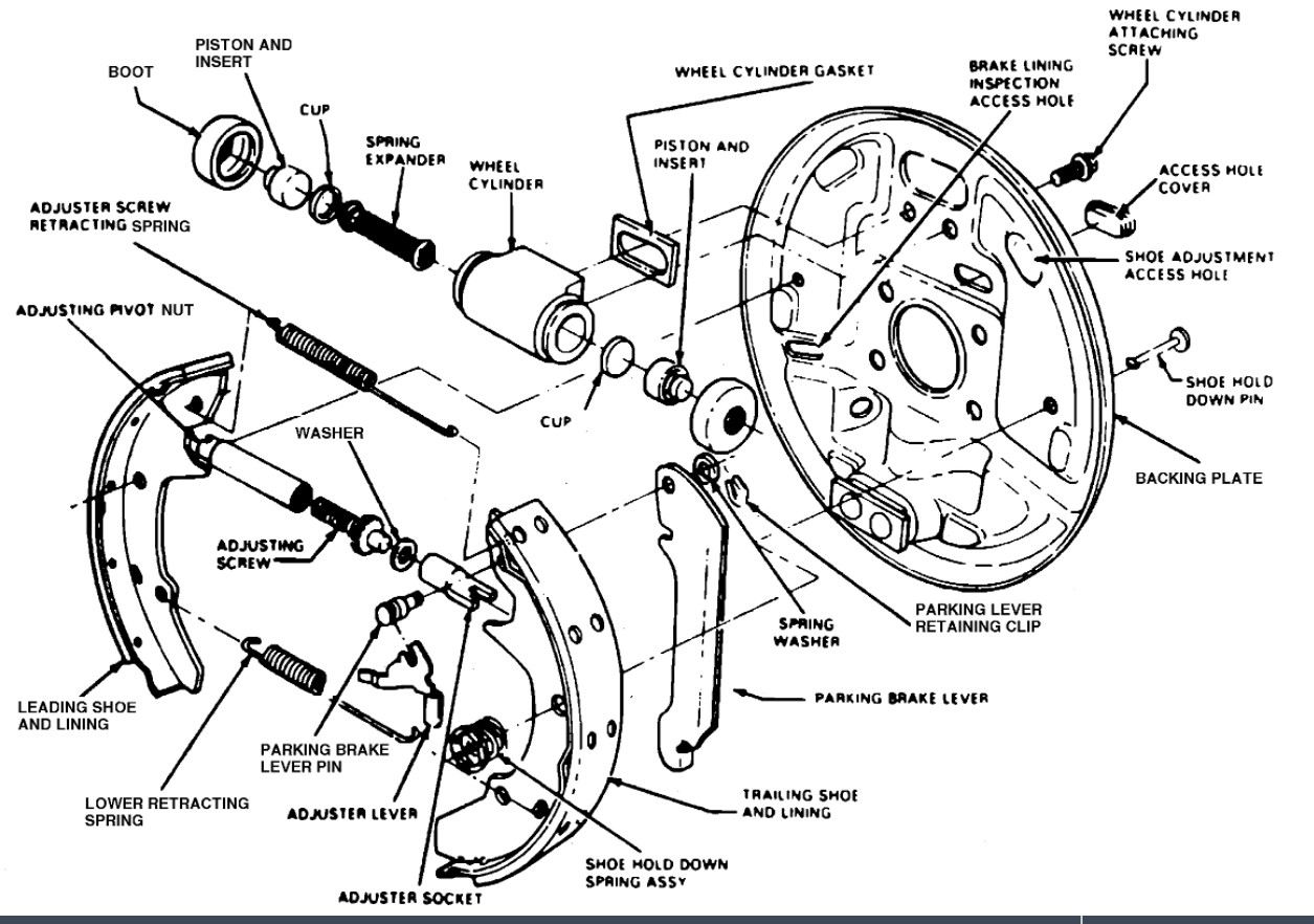
I've attached diagrams and the manufacturer's removal, installation, and adjustment directions for the rear brake assembly for this vehicle. Check out the diagrams (below).

Please take all safety precautions, including wearing safety glasses, as the springs can sometimes pop off unexpectedly.

I've also included a repair guide and video tutorial that you may find helpful:

https://www.2carpros.com/articles/how-to-replace-a-wheel-cylinder

https://youtu.be/1j7qDoi1LP0

Thanks, Wendy W
Was this
answer
helpful?
Yes
No
Thursday, February 24th, 2022 AT 8:09 AM

Please login or register to post a reply.