Tuesday, December 9th, 2008 AT 1:46 AM
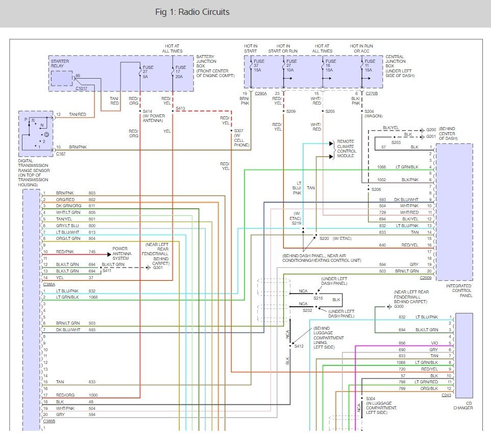
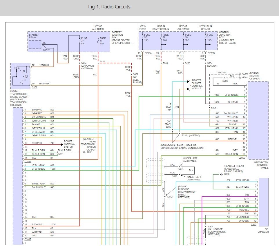
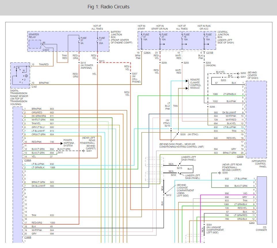
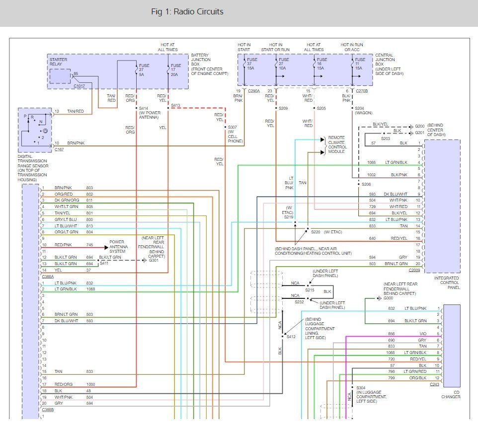
The battery in my Taurus will be dead after sitting for a day or two. I had the battery checked and they said it was bad. I bought a new one and after sitting over Thanksgiving (2 days), it was dead again. I took it to a shop for diagnostic tests and they didn't find anything abnormal until there was a "CALL" on the radio display and it started pulling down the battery. They told me it was some sort of phone service attached to my radio. They couldn't fix it, but removed the fuse for my radio. I haven't had problems since, but no radio. I would like to know where the fuse is?
















