Windshield Washer

Tiny
BOBO-ACK
  • MEMBER
  • FORD RANGER
Ford Ranger, 2003, 20,000 miles, 4.0L engine. Windshield washer quit working. Wipers work fine. Think it may be a fuse but in owners manual, three different fuse configurations are shown. Mine is the first. While the other two (for smaller 2.3L engine and another for towing group options) show an individual fuse for the washer, mine doesn't. Any idea which fuse relates to the windshield washer?

Everything else seems to be working fine so its hard to pin down. I'd rather not start pulling all the fuses if I can identify the one related to the washer.
Saturday, March 24th, 2007 AT 9:54 AM

4 Replies

Tiny
JEREDM19
  • MEMBER
  • 9 POSTS
It sounds like your washer fluid pump if it is not a fuse.
Was this
answer
helpful?
Yes
No
-2
Friday, May 11th, 2012 AT 1:29 AM
Tiny
JACOBANDNICKOLAS
  • MECHANIC
  • 110,194 POSTS
Check to see if it is getting power to the pump.If not it could be the washer relay

See the guide below on testing the relay

https://www.2carpros.com/articles/how-to-check-an-electrical-relay-and-wiring-control-circuit

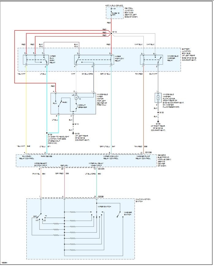
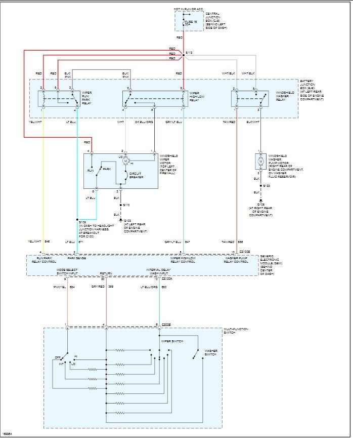
Attached below is the wiring diagram for your washer circuit
Was this
answer
helpful?
Yes
No
+1
Wednesday, July 18th, 2012 AT 8:25 PM
Tiny
LINDA NICKELL
  • MEMBER
  • 1 POST
  • 2001 FORD RANGER
  • 171,000 MILES
Looking for windshield washer t valve that delivers the fluid to windshield. Not sure what its called but was told by Ford dealership this part is obsolete. Gave me lmctruck. Com to check but there is no picture of the part I need. Can you help me find correct part?
Was this
answer
helpful?
Yes
No
Saturday, October 20th, 2018 AT 5:06 PM (Merged)
Tiny
AL514
  • MECHANIC
  • 5,595 POSTS
Did the common valve break? It is not much pressure for the windshield wipers spray, I have replaced them with a simple plastic T valve from an auto parts store. It is really not to difficult. You just have to match up the line size with the proper T valve size and you are good to go. =)
Was this
answer
helpful?
Yes
No
+1
Saturday, October 20th, 2018 AT 5:06 PM (Merged)

Please login or register to post a reply.