HOME
ASK A QUESTION
REPAIR GUIDES
BECOME A MEMBER
LOG IN
Login with Facebook
OR
Remember me
NOT A MEMBER?
FORGOT PASSWORD?
CONTACT US
PRIVACY POLICY
TERMS AND CONDITIONS
☰
Home
Ford
Ranger
Body
Wiper
Relay
Location
Wiper relay location
HOLLAHOLLA
MEMBER
2003 FORD RANGER
4 CYL
2WD
MANUAL
89,000 MILES
Where is the wiper relay for the wiper motor, in the power distribution center. How can I test it?
Tuesday, March 9th, 2010 AT 6:54 PM
1 Reply
KASEKENNY
MECHANIC
18,907 POSTS
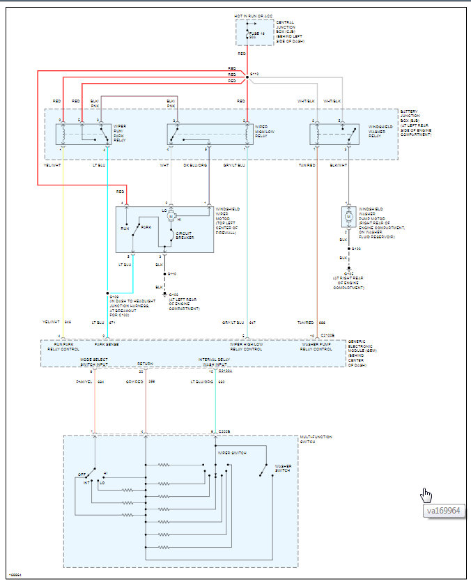
I am attaching a guide here that will help with testing this relay.
https://www.2carpros.com/articles/how-to-check-an-electrical-relay-and-wiring-control-circuit
Also, below you will find the detail about where it is and the wiring diagram that will help with this.
Let us know if you have questions. Thanks
Images (Click to make bigger)
Was this
answer
helpful?
Yes
No
Wednesday, February 3rd, 2021 AT 6:01 PM
Please
login
or
register
to post a reply.
Related Wiper Relay Location Content
Wiper Relays
Hello, I Just Bought This Truck, And The Wipers Have Stopped Working. I Am Overseas Military And Took It To A Mechanic, Who Replaced The...
Asked by
Kazoo2013
·
2 ANSWERS
2 IMAGES
1997
FORD RANGER
Windshield Wiper Will Not Work
I Got Such Good Help On Here The Last Time, I Will Throw This Out There. I Flip The Control Switch For The Windshield Wipers, But Nothing...
Asked by
dlandvw2
·
12 ANSWERS
2 IMAGES
1995
FORD RANGER
1999 Ford Ranger Blinker Wiper Switch
About Six Months Ago My Wipers Started Stopping Mid Window When They're On Delay And When You Turn Them Full On They Start Back Up And Then...
Asked by
Dmorgan1980
·
1 ANSWER
1999
FORD RANGER
2001 Ford Ranger Wiper Control Problem
My Wipers Will Only Run In Normal Or Fast Speed - No Intermittent - And Won't Stop And Park When The Wiper Switch Is Turned Off. I Replaced...
Asked by
rfleco
·
5 ANSWERS
2001
FORD RANGER
No Wipers, Some Of The Time?
I've Had This 98 Ford Ranger For About A Month. The Wipers Do Not Work In The Morning But Will Work In The Afternoon And Evening. Engine...
Asked by
gibbyplease
·
15 ANSWERS
1 IMAGE
1998
FORD RANGER
VIEW MORE
Ask a Car Question. It's Free!
How to Use a Test Light