Tail lights don't work, wiring diagrams?

Tiny
YFZ450RACER
  • MEMBER
  • 2003 FORD RANGER
Fx4 level II, tail lights don't work but flashers, brake lights and dash lights do. What is my problem?
Friday, October 19th, 2007 AT 5:14 PM

3 Replies

Tiny
RASMATAZ
  • MECHANIC
  • 75,992 POSTS
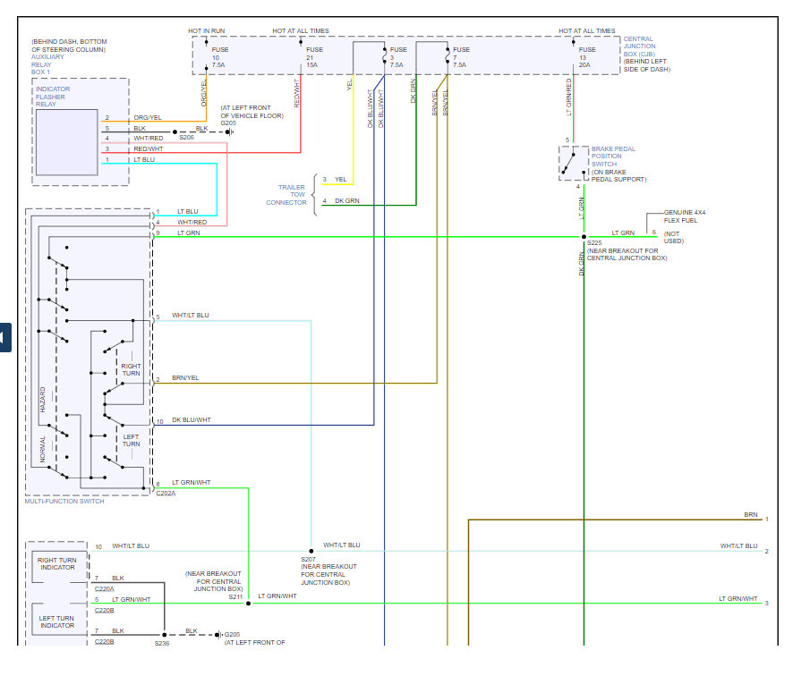
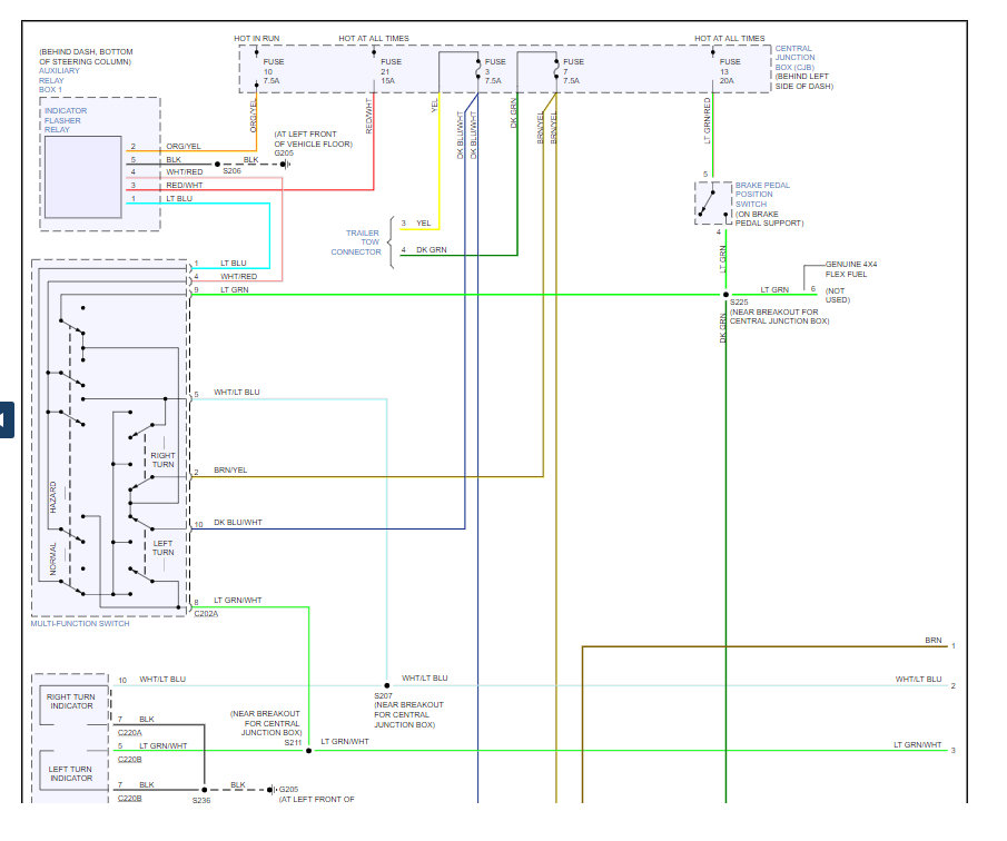
Do you have headlights if so the headlight switch is defective-it has an open in park position. No headlights check fuse no.33 15amp at battery junction box at left rear side of engine compartment. Here are the running light wiring diagrams so you can see how the system works and a guide. to help you check the connections.

https://www.2carpros.com/articles/how-to-check-wiring

Check out the diagrams (Below). Please run this test and get back to us.
Was this
answer
helpful?
Yes
No
Tuesday, January 15th, 2019 AT 11:11 AM
Tiny
YFZ450RACER
  • MEMBER
  • 6 POSTS
Yes I have headlights, high beam and low beam, just no tail lights.
Was this
answer
helpful?
Yes
No
Tuesday, January 15th, 2019 AT 11:11 AM
Tiny
RASMATAZ
  • MECHANIC
  • 75,992 POSTS
What about brake lights? If so you have an open wire between the switch and lights.
Was this
answer
helpful?
Yes
No
+4
Tuesday, January 15th, 2019 AT 11:11 AM

Please login or register to post a reply.