Headlamps (high and low beam) stopped working why?

Tiny
KKENNEY99
  • MEMBER
  • 2 POSTS
  • 1996 FORD RANGER
  • 4 CYL
  • 2WD
  • MANUAL
  • 100,000 MILES
No headlights at all, is there a relay or fuse. Were are they
Was this
answer
helpful?
Yes
No
Wednesday, June 2nd, 2021 AT 1:55 PM (Merged)
Tiny
DAVE H
  • MECHANIC
  • 13,384 POSTS
Check fuses #4 and #8 in underdash fuse box
Was this
answer
helpful?
Yes
No
-1
Wednesday, June 2nd, 2021 AT 1:55 PM (Merged)
Tiny
RASMATAZ
  • MECHANIC
  • 75,992 POSTS
Check fuse no.11 20amp and test the multi function switch
Was this
answer
helpful?
Yes
No
+2
Wednesday, June 2nd, 2021 AT 1:55 PM (Merged)
Tiny
KKENNEY99
  • MEMBER
  • 2 POSTS
Thanks everyone, it was the headlight switch
Was this
answer
helpful?
Yes
No
Wednesday, June 2nd, 2021 AT 1:55 PM (Merged)
Tiny
JADEN LUNDY
  • MEMBER
  • 2 POSTS
  • 1994 FORD RANGER
  • 4 CYL
  • 2WD
  • MANUAL
  • 210,000 MILES
Headlights don't come on, hazards and turn signals are fine. Fuse not blown. What could be wrong? Could it have anything to do with my screwdriver ignition? The key setting is turned to on though.
Was this
answer
helpful?
Yes
No
Wednesday, June 2nd, 2021 AT 1:55 PM (Merged)
Tiny
BMDOUBLE
  • MECHANIC
  • 1,139 POSTS
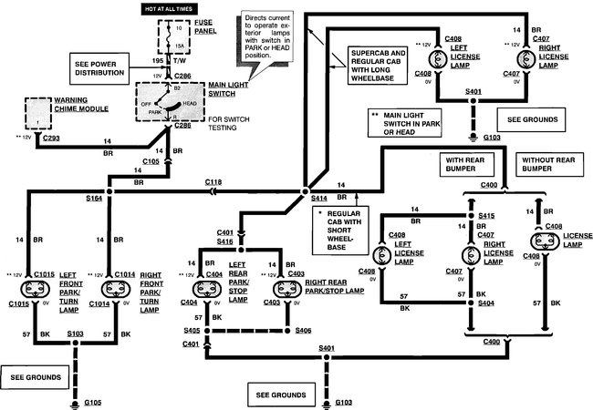
Check the brown wire out of the headlight switch for 12 volts, also verify that grounds are good at the bulb sockets. I'll include the wire diagram to help you with this. Your screwdriver ignition shouldn't have anything to do with this because this circuit's fuse is hot at all times.
Was this
answer
helpful?
Yes
No
+1
Wednesday, June 2nd, 2021 AT 1:55 PM (Merged)
Tiny
OUTLAW59
  • MEMBER
  • 1 POST
  • 1994 FORD RANGER
  • 4 CYL
  • 2WD
  • MANUAL
  • 101,000 MILES
I have a ford ranger that the low beams don't work yet I have put new bulbs in the truck. Is there a switch that need to be replaced or a fuse? I have expended all my options and these are the only two things that I can figure are the problem. Except for this problem the truck is wonderful! Got any ideas or suggestions that I may have over looked?
Was this
answer
helpful?
Yes
No
Wednesday, June 2nd, 2021 AT 1:55 PM (Merged)
Tiny
DAVE H
  • MECHANIC
  • 13,384 POSTS
Check fuse #17 in underhood fuse/relay box
daytime running lights 15 amp


https://www.2carpros.com/forum/automotive_pictures/266999_fuse_5.jpg

Was this
answer
helpful?
Yes
No
Wednesday, June 2nd, 2021 AT 1:55 PM (Merged)

Please login or register to post a reply.