Saturday, November 22nd, 2008 AT 10:50 PM
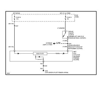
I have a 97 Ranger and a couple months a go I was unable to take it out of park and my break lights were bad, I changed a fuse and it all began to work again. Then a couple weeks later it did it again but this time the fuses kept blowing, so my father worked on it and got it to where my brake lights would work but I was unable to take it out of park once started, I just start in neutral. Well the other day when I came out of work I realized I have no brake lights, I went to check the fuse and when I touched it (touched metal before so it wasn't static electricity, and nothing was on) it shocked me and gave a little spark. My dad is going to try to rewire parts of my truck but could something else be wrong before he puts in all that work? Every time my fuse blows at least one or both my brake light bulbs blow also. My dad has already checked the switch on my brake pedal and it is still fine.



