HOME
ASK A QUESTION
REPAIR GUIDES
BECOME A MEMBER
LOG IN
Login with Facebook
OR
Remember me
NOT A MEMBER?
FORGOT PASSWORD?
CONTACT US
PRIVACY POLICY
TERMS AND CONDITIONS
☰
Home
Ford
Probe
Exterior Light
Running Light
Not Working
92 Ford Probe gt electrical
ELGASTADOR
MEMBER
1992 FORD PROBE
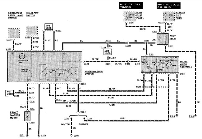
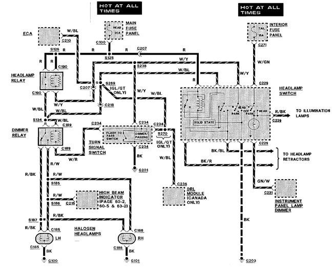
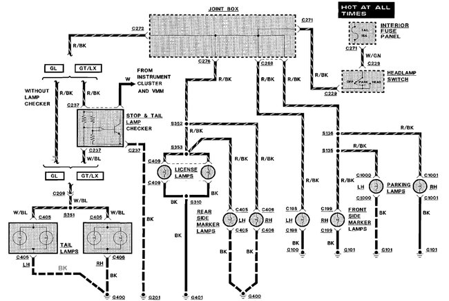
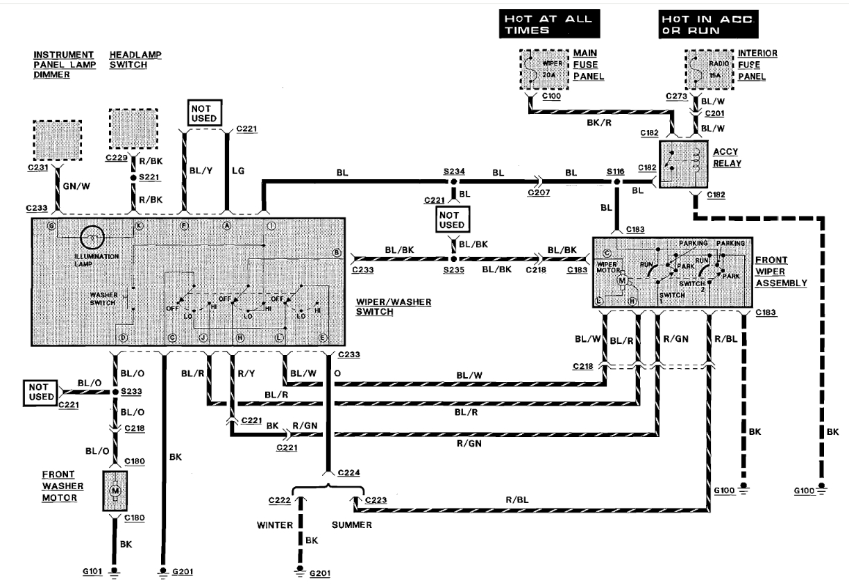
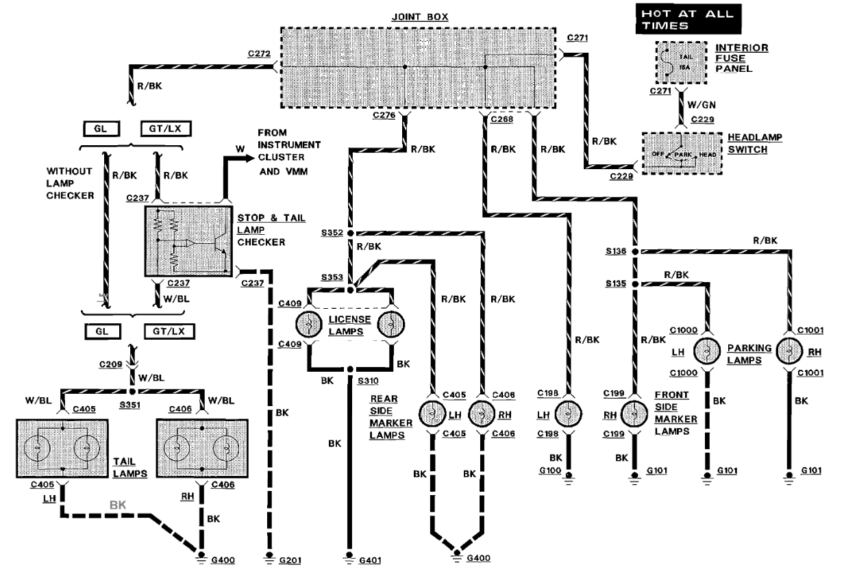
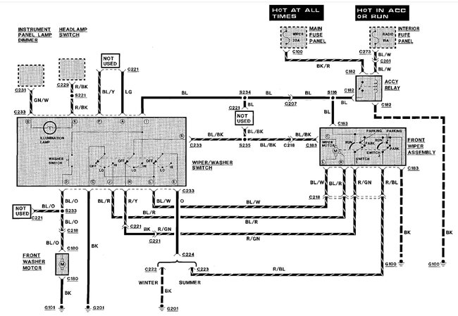
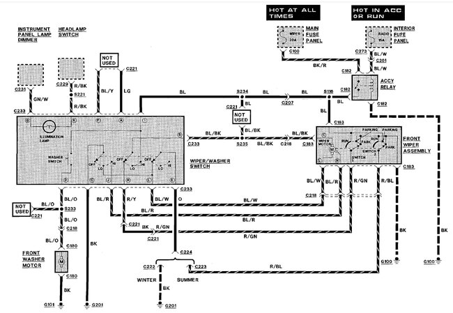
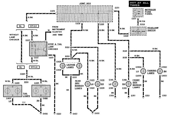
I'm a soldier stationed in Germany I bought a 92 ford probe that has several electrical problems
Headlights don't work (right eye don't rise)
Left tail light don't work
Windshield wipers won't stop.
I need help on went to start troubleshooting, and where can I find the schematics
Thursday, November 15th, 2007 AT 2:12 AM
1 Reply
2CARPRO JACK
MECHANIC
11,533 POSTS
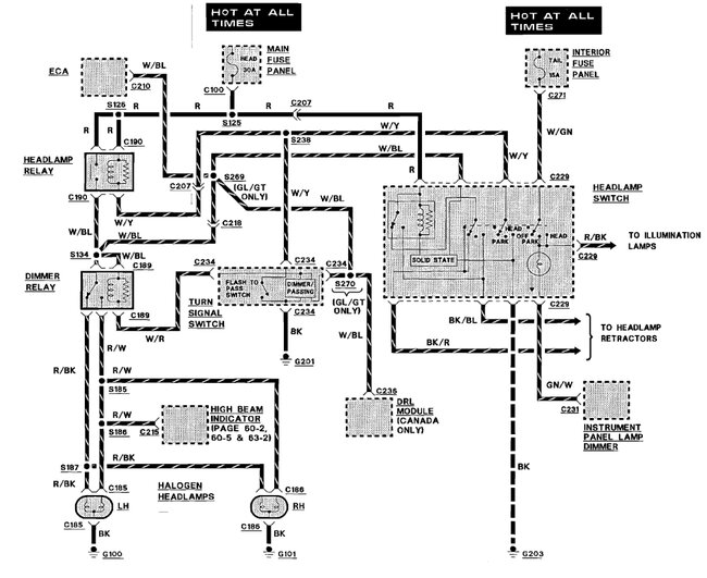
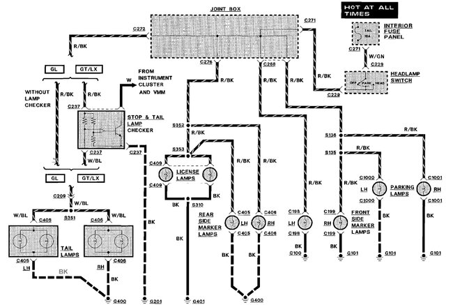
I would start by checking the fuses, here is a guide to help and I have included the wiring diagrams you need for all three systems.
https://www.2carpros.com/articles/how-to-check-a-car-fuse
Check out the images (below). Please let us know what happens.
Images (Click to make bigger)
Was this
answer
helpful?
Yes
No
Thursday, November 15th, 2007 AT 2:45 PM
Please
login
or
register
to post a reply.
Related Running Light Not Working Content
1989 Ford Probe Cars Dead
I Have A 89 Probe The Car Wont Start I Have No Headlights Warning Lights Tail Lights. Ect Its Like The Car Is Dead I Was Told To Replace The...
Asked by
tdizzle
·
3 ANSWERS
1989
FORD PROBE
1994 Ford Probe Headlights
When I Turn On The Headlights It Takes About Five Minutes For Them To Come Up Why? And How Do I Correct This Problem? I Had A 1995 Probe It...
Asked by
Orrin L Doriot
·
4 ANSWERS
1994
FORD PROBE
1989 Ford Probe Headlights
Electrical Problem 1989 Ford Probe 4 Cyl Front Wheel Drive Manual The Headlights On My 1989 Ford Probe Both Turn On But Only The...
Asked by
hammondzach91
·
1 ANSWER
1989
FORD PROBE
Headlights Close On Their Own Or Just Do Not Open
Sometimes They Just Do Not Open, Other Times They Are On And Open But Close On Their Own, Often If I Keep Driving They Pop Back Up But...
Asked by
darlenelavina
·
1 ANSWER
1 IMAGE
1993
FORD PROBE
1989 Ford Probe
Electrical Problem 1989 Ford Probe 2.2 Cyl Two Wheel Drive Automatic 74000 Miles Tail Lights Are Not Functioning. Brake Lights Are...
Asked by
dewain
·
3 ANSWERS
1989
FORD PROBE
VIEW MORE
Ask a Car Question. It's Free!
How to Use a Test Light
Turn Signals Blink Fast
Have a Dim Headlight? - Try Replacing This!