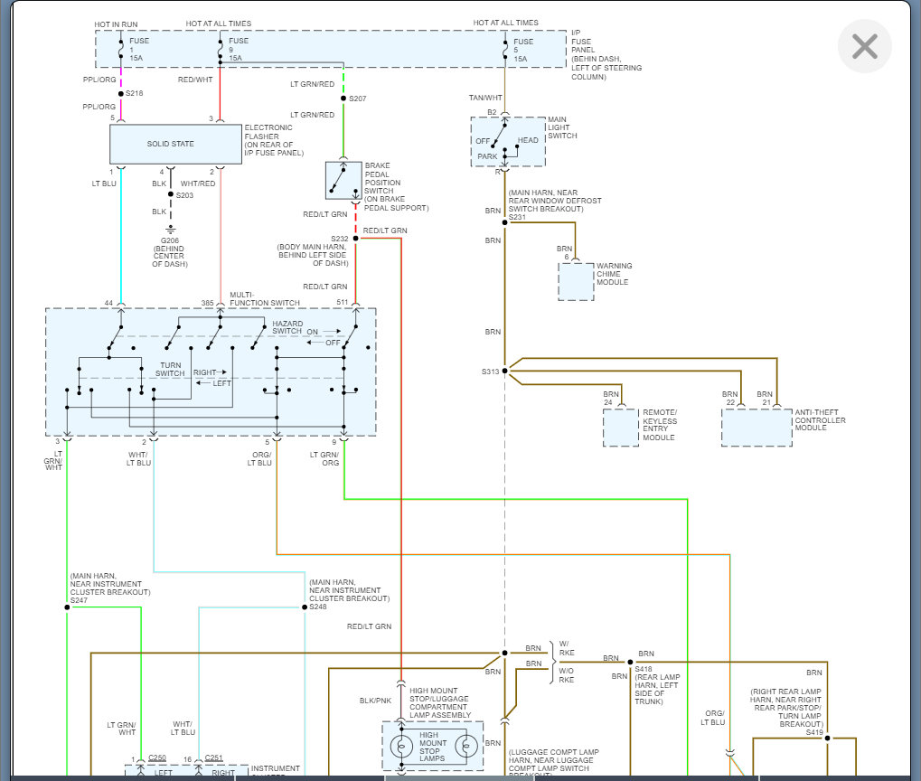
Sunday, May 4th, 2008 AT 9:20 PM
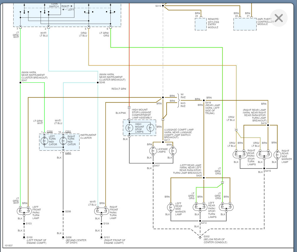
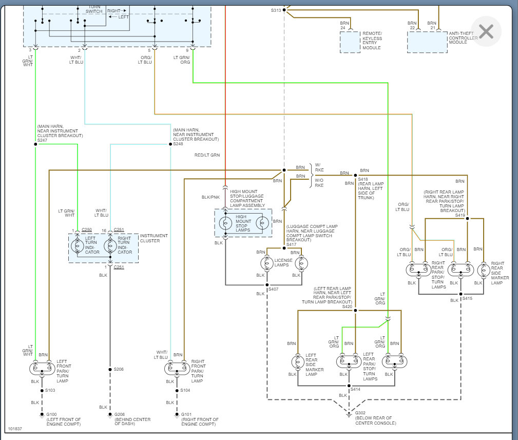
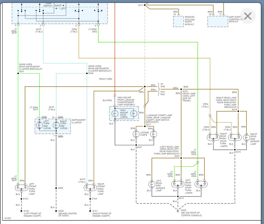
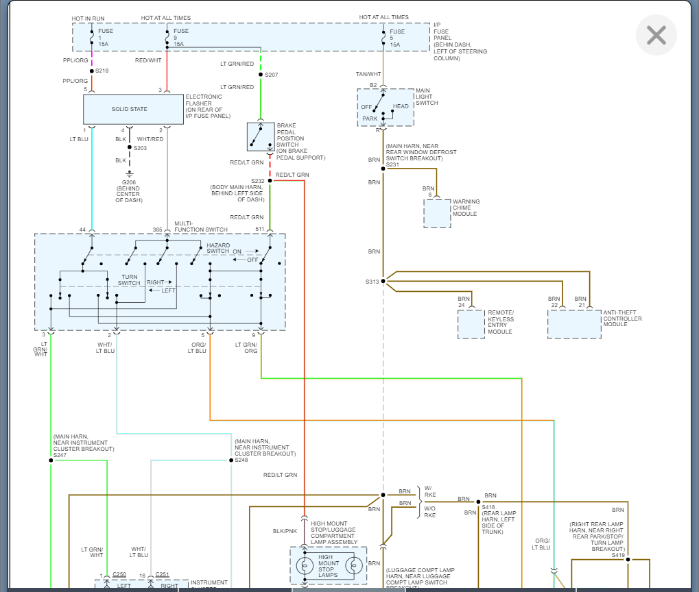
We noticed our blinker not working properly all of the time so we went to AutoZone and asked an employee what it could be. He said the flasher most likely because the hazards worked with no problem all of the time. Well we don't know where it goes? The guy told us under the dash but we don't see any place for it. Could you help me out?





