Wednesday, July 1st, 2009 AT 5:44 PM
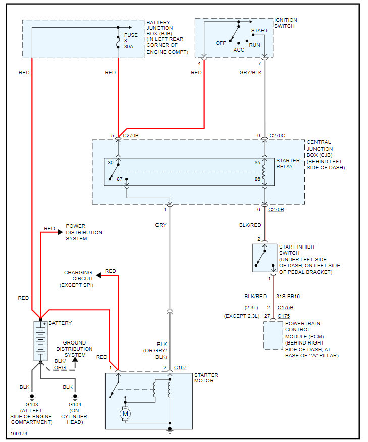
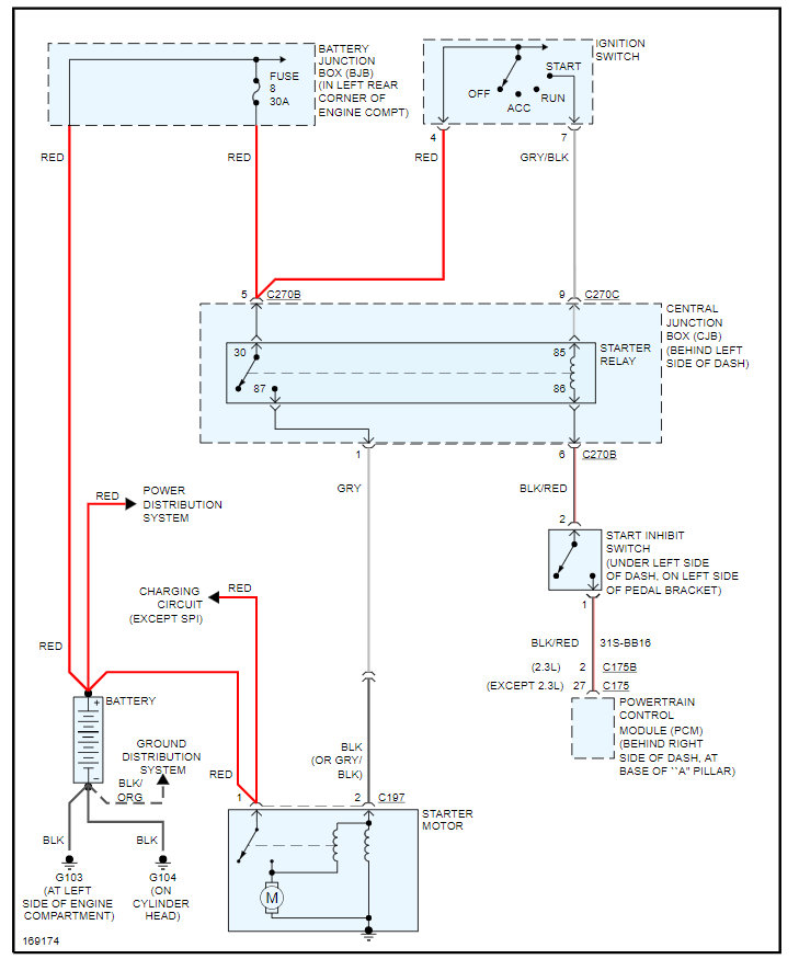
My car stopped while going down the high way like I turned the key off all the gauges dropped and the car just rolled till I stopped. The number 8 fuse under the hood in the fuse box blows everytime I replace it and turn my key in the ignition. The door chimer cuts on the gauges reset then the fuse pops. All of the other interior electrical items work.









