HOME
ASK A QUESTION
REPAIR GUIDES
BECOME A MEMBER
LOG IN
Login with Facebook
OR
Remember me
NOT A MEMBER?
FORGOT PASSWORD?
CONTACT US
PRIVACY POLICY
TERMS AND CONDITIONS
☰
Home
Ford
F-150
Exterior Light
Headlight
Lens
Headlight assembly removal
LEON W MORGAN
MEMBER
1995 FORD F-150
How do you remove the whole headlight assembly on a Ford F150? Water collects inside but the front is not cracked.
Wednesday, June 6th, 2007 AT 10:35 AM
1 Reply
BZNATIV
MEMBER
1 POST
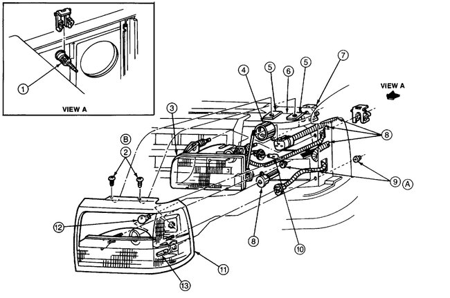
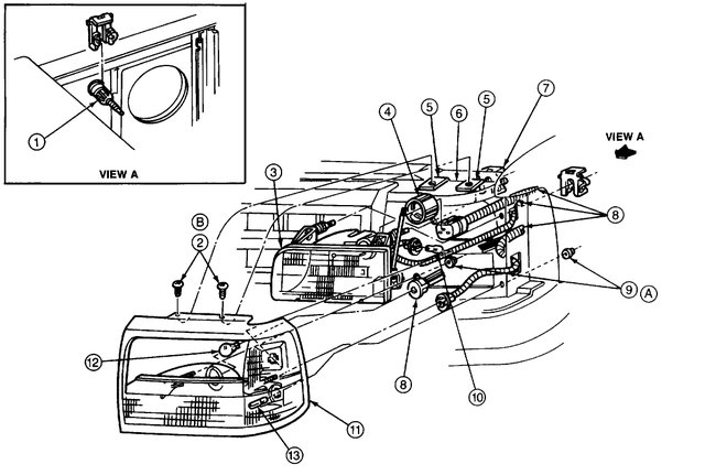
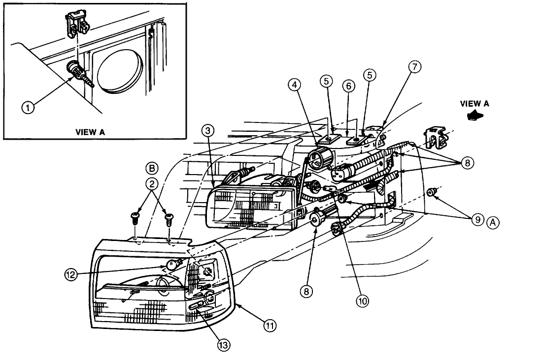
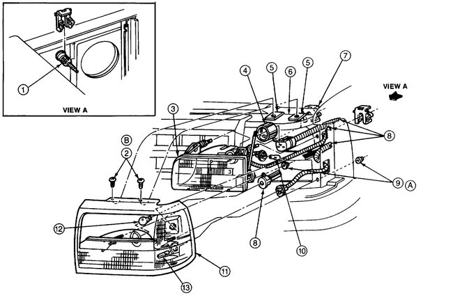
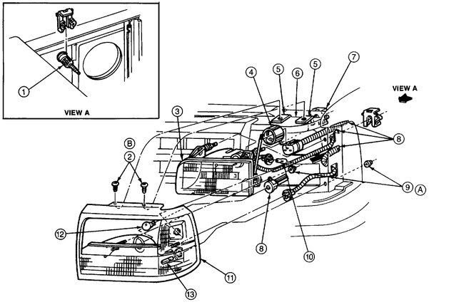
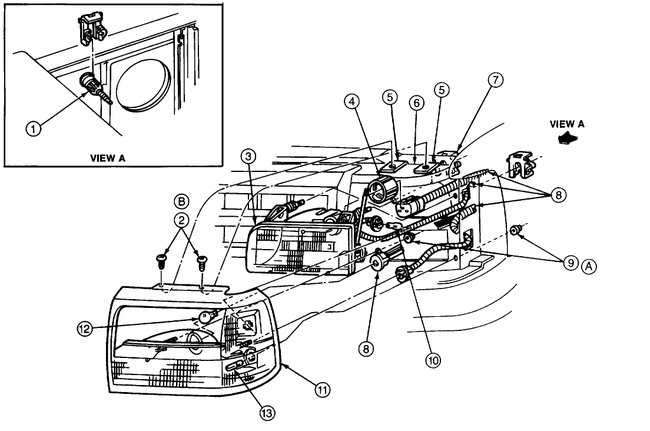
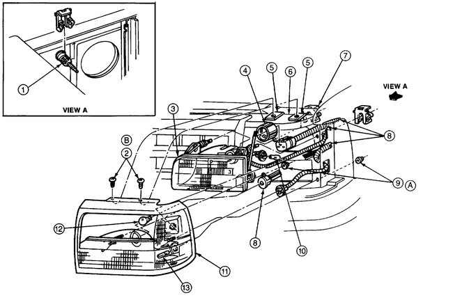
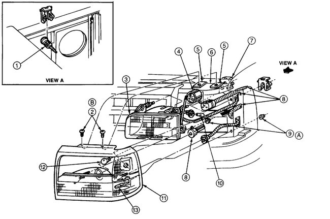
Hello,
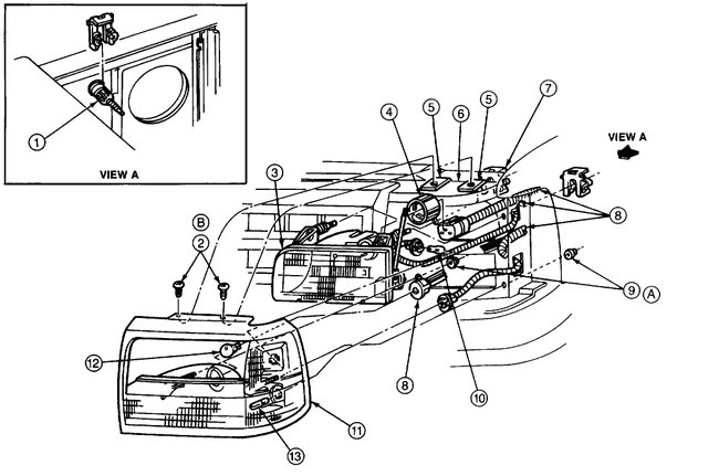
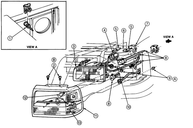
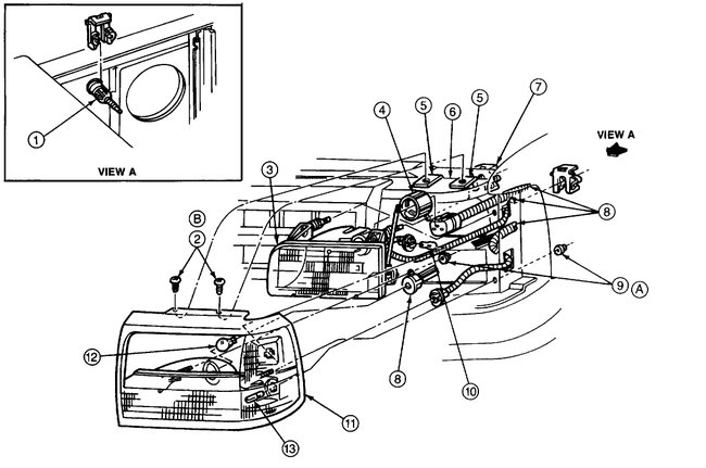
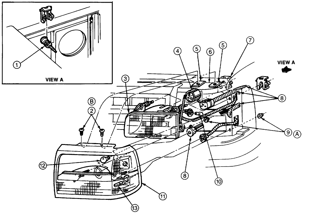
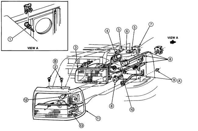
Here is a guide that will show you what you are in for when doing the job:
https://www.2carpros.com/articles/headlight-lens-replacement
Here are diagrams to show you what to do for your truck.
Check out the diagrams (below).
Please let us know if you need anything else to get the problem fixed.
Cheers
Images (Click to make bigger)
Was this
answer
helpful?
Yes
No
Wednesday, March 31st, 2021 AT 7:29 PM
Please
login
or
register
to post a reply.
Related Headlight Lens Content
1993 Ford F150 Head Light Assembly
How Do You Remove The Whole Front Head Light Assembly. Where Is The Best Place To Get Online How To Manuals Or Videos. My Son Just Bought...
Asked by
mrsweep1
·
1 ANSWER
1993
FORD F-150
VIDEO
Headlight Housing Replacement Ford F-150
Instructional repair video
GUIDE
Headlight Lens Replacement
The headlight lens or housing is responsible for directing the light beam from the headlight bulb and can also locate the turn signal bulb. This lens should remain clean...
Front Headlights
How To Remove The Headlight Assembly To Replace It
Asked by
ATTINGER321
·
1 ANSWER
4 IMAGES
1994
FORD F-150
Low Beams Do Not At All
The Brights Come On Fine But The Low Beams Do Not At All. I Didn't Notice Any Fuses Blown And Was Suggested To Replace The Low Beam...
Asked by
Chris22222
·
2 ANSWERS
10 IMAGES
2006
FORD F-150
Change Headlight Bulb?
How Do I Change Headlight Bulb?
Asked by
chance34
·
2 ANSWERS
1 IMAGE
2009
FORD F-150
How To Adjust Headlights?
How To Adjust Headlights? Do You Have To Have A Special Wrench?
Asked by
johnsonm
·
1 ANSWER
4 IMAGES
1999
FORD F-150
VIEW MORE
Ask a Car Question. It's Free!
Headlight Lens Housing Replacement Mini
Headlight Housing Replacement Ford F-150
Headlight Lens Housing Ford Focus