Backup lights

Tiny
HILLER
  • MEMBER
  • 2004 FORD F-150
  • V8
  • 4WD
  • AUTOMATIC
  • 75,486 MILES
I have no reverse lights, I have checked and changed the bulbs before having it checked by a friend he said there is no power to the bulbs. Any answers?
Thursday, February 11th, 2010 AT 2:21 PM

4 Replies

Tiny
JDL
  • MECHANIC
  • 16,098 POSTS
Hi,

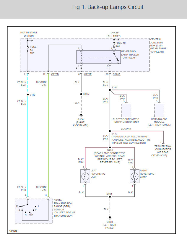
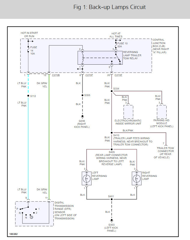
Check the reverse light relay, here is the location and the reverse lights wiring diagrams so you can see how it works.

https://www.2carpros.com/articles/how-to-check-an-electrical-relay-and-wiring-control-circuit

Check the circuits at the transmission range sensor. For the back-up lights. Voltage to the sensor, lite blue wire with pink tracer. In reverse, black wire with pink tracer carries voltage to back-up lamps. There is also a ground for the back-up lamps, you may need to check that also.

Check out the diagrams (Below). Please let us know what you find. We are interested to see what it is.
Was this
answer
helpful?
Yes
No
+3
Thursday, February 11th, 2010 AT 3:54 PM
Tiny
BROWNN
  • MEMBER
  • 1 POST
It was the #14 fuse on my truck thanks for the post I love this site.
Was this
answer
helpful?
Yes
No
+1
Friday, July 5th, 2019 AT 7:27 PM
Tiny
JERRY EBNER
  • MEMBER
  • 1 POST
I have a problem with my back up lights on a 2013 Ford F 150, you can put it in reverse with out starting the engine and they work fine, but when the engine is running they do not work.
Was this
answer
helpful?
Yes
No
+2
Saturday, February 15th, 2020 AT 2:47 PM
Tiny
JOETECHPRO
  • MECHANIC
  • 705 POSTS
Hey JERRY EBNER,

Can you please repost your truck problem in a new thread.

Please follow the link below to the home page, select your vehicle make and model and describe the fault you are experiencing.

Please post your new question here, you must be logged in.

https://www.2carpros.com/questions/new

We will get back to you as soon as we can.

Regards, Joe
Was this
answer
helpful?
Yes
No
Monday, February 17th, 2020 AT 8:24 AM

Please login or register to post a reply.