Monday, August 9th, 2010 AT 8:27 PM
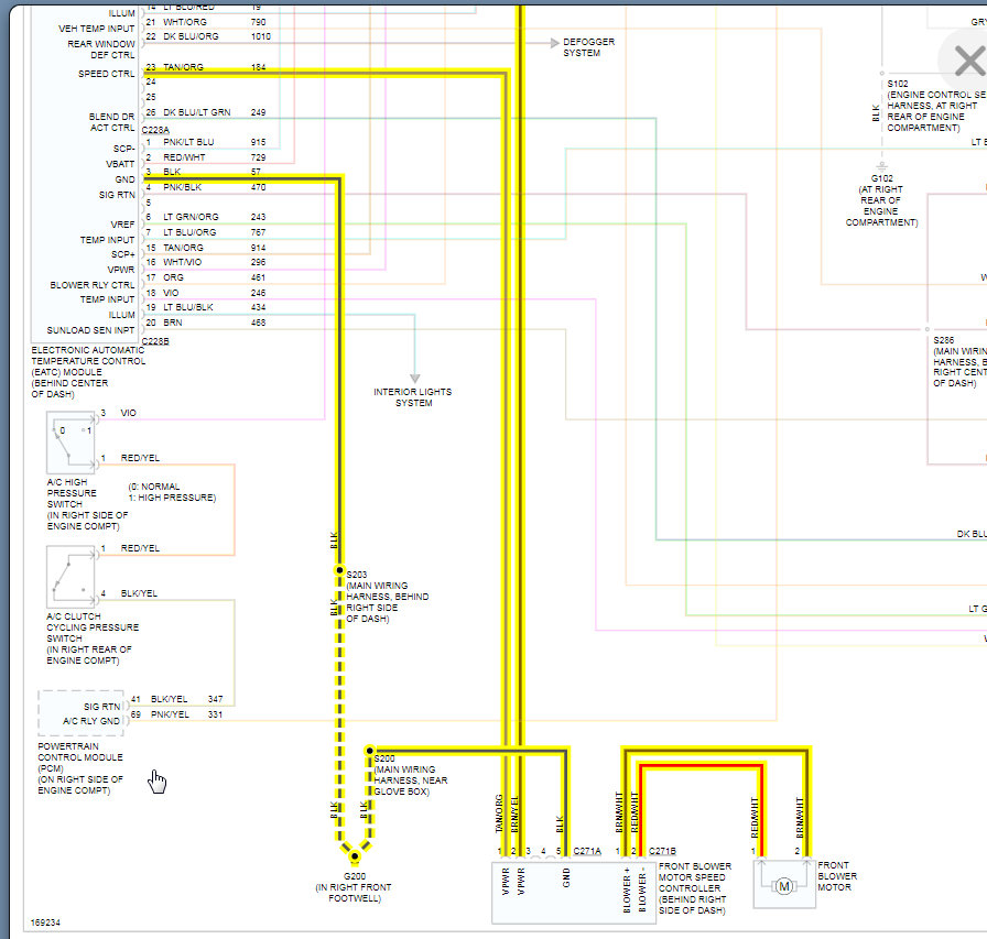
I have noted that occassionally, the A/C fan will go from a relatively high level to essentially stopped - while the A/C is still bringing the temp down. After a few moments, it starts again and delivers good air flow. The compressor seems to keep running - it's just that fan speed drops greatly for a short time. Happens anytime - driving at speed, idleing, etc.









