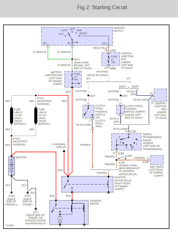
Diagram on how to wire the starter?

Tiny
FIGHTINFIRE154
  • MEMBER
  • 2000 FORD F-150
Electrical problem
2000 Ford F150 6 cyl Two Wheel Drive Automatic

I need to see a diagram of how to wire the starter
Sunday, September 6th, 2009 AT 6:59 PM

26 Replies

Tiny
KEN L
  • MASTER CERTIFIED MECHANIC
  • 55,469 POSTS
Hello,

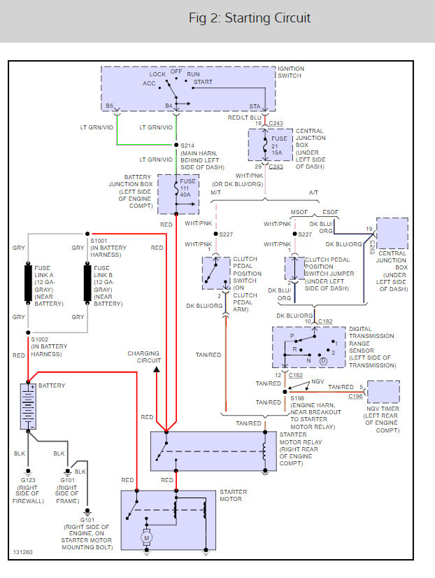
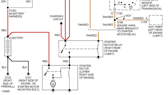
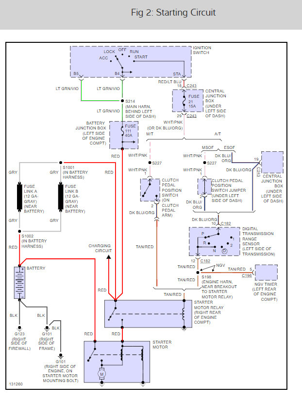
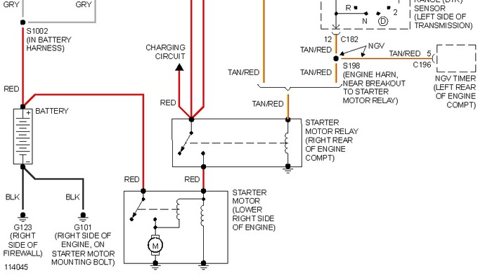
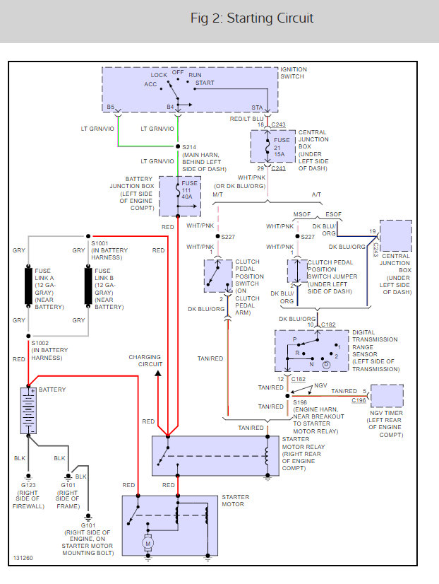
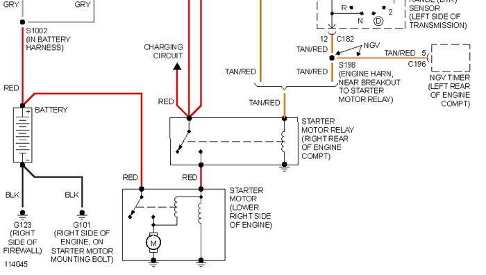
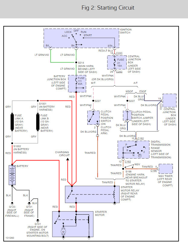
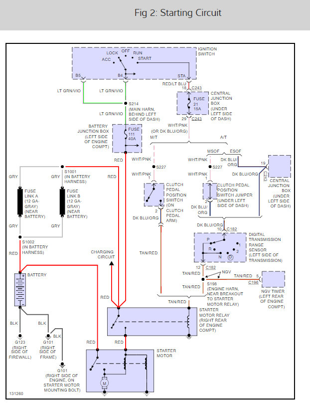
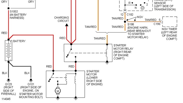
Here is a wiring diagram of the starter you where looking for I have also found a guide on how to check the wiring as well.

https://www.2carpros.com/articles/how-to-check-wiring

Check out the diagrams (Below)

Please let us know if you need anything else to get the problem fixed.

Cheers, Ken
Was this
answer
helpful?
Yes
No
+2
Tuesday, January 8th, 2019 AT 5:57 PM
Tiny
MUDGESL
  • MEMBER
  • 1 POST
  • 1999 FORD F-150
  • V8
  • 2WD
  • AUTOMATIC
No power to starter solenoide
Was this
answer
helpful?
Yes
No
+1
Wednesday, January 20th, 2021 AT 12:53 PM (Merged)
Tiny
JDL
  • MECHANIC
  • 16,098 POSTS
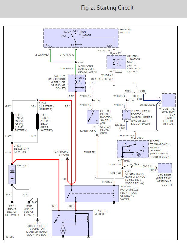
Which wire isn't hot? Might be a problem with transmission range sensor? Note wiring below. Check out the diagrams (Below). Please let us know if you need anything else to get the problem fixed.
Was this
answer
helpful?
Yes
No
Wednesday, January 20th, 2021 AT 12:53 PM (Merged)
Tiny
FORD150
  • MEMBER
  • 6 POSTS
  • 1995 FORD F-150
  • V8
  • 4WD
  • AUTOMATIC
Tried to crank truck over and was making a click sound my dad told me it was the solenoid. Bought a napa solenoid, but it wasnt a direct replacement it came with the I stud original only came with M B and S, anyways hooked up new solenoid and got no power for nothing so I figured I had it hooked up backwards, so I switched places with the M and B and got power and truck started up problem and question is that the starter wasnt disengaging when truck was running so turned off ignition and unhooked the S terminal and battery to turn it off. Did that a few more times and new solenoid is done for and will not even kick truck over just the same clicking sound just like before. So can anyone explain why that was happening my truck has four wires that hook up all together 1. The m and b terminal wires, 2. Altenator wire 3. The starter wire.4. Headlight and other electrical wire. Please some help I tried to put as much detail into this. ( On stock solenoid all of the wires listed 2-4 hooked up to b terminal and thats what I hooked up to napa solenoid but difference was the starter wouldnt disengage.)
Was this
answer
helpful?
Yes
No
Wednesday, January 20th, 2021 AT 12:54 PM (Merged)
Tiny
CARADIODOC
  • MECHANIC
  • 34,489 POSTS
Sounds like you had the wires on the two large studs switched around. Your truck does not need a fourth terminal on the solenoid for an ignition bypass but most replacement solenoids have that terminal so it can also be used on older Fords. If you hook the red / blue wire to the wrong small stud and the wires are reversed on the large studs, it is possible for it to work once then to stay engaged. The small terminal will continue to get voltage through that internal connection that is incorrectly going to the battery. That's why you would also have to disconnect the battery cable.
Was this
answer
helpful?
Yes
No
+2
Wednesday, January 20th, 2021 AT 12:54 PM (Merged)
Tiny
FORD150
  • MEMBER
  • 6 POSTS
So the the red wire needs to be hooked up elsewhere because I have two seperate yellow wires and just 1 red one with a fuse hooked with the red wire. (The fourth would be the plug wire witch goes to the s terminal.)On the orginal solenoid all wires where attached to the same post(B), on napa solenoid I did same thing but for some reason the main started wouldnt disengage.
Was this
answer
helpful?
Yes
No
+1
Wednesday, January 20th, 2021 AT 12:54 PM (Merged)
Tiny
CARADIODOC
  • MECHANIC
  • 34,489 POSTS
Any chance you could post a picture of the old and new solenoids? If you reinstall the old solenoid, can you connect the wires the way they were before to verify it acts the same as before? Also, can you see the starter so you can describe it to me? Do you see a perfectly round solenoid bolted to the top of the starter or is there a tapered sheet metal cover on it?
Was this
answer
helpful?
Yes
No
+1
Wednesday, January 20th, 2021 AT 12:54 PM (Merged)
Tiny
CARADIODOC
  • MECHANIC
  • 34,489 POSTS
Here's the solenoid on a '94 Tempo. This is what I'm expecting your original one to look like.
Was this
answer
helpful?
Yes
No
+1
Wednesday, January 20th, 2021 AT 12:54 PM (Merged)
Tiny
FORD150
  • MEMBER
  • 6 POSTS
Yes mine is a fender mounted solenoid the oringinal came with only three terminals M, B, S, the main battery wire goes to M+B and the starter plug wire goes to S terminal. The other 3wires lay over B terminal witch if im right is on the right side of solenoid saying S terminal is north, yeah that was what I was going to do is put original back on and see if it still makes clicking noises again, (does the sequence of the wires order have anything to do with it, lets say if I didnt put the wires in direct order over the B terminal saying red was on top then the yellow then other yellow would that have anything to do with it?)
Was this
answer
helpful?
Yes
No
Wednesday, January 20th, 2021 AT 12:54 PM (Merged)
Tiny
CARADIODOC
  • MECHANIC
  • 34,489 POSTS
I'm not familiar with the letter designations or any yellow wires. In the photo above, the large stud on the right has a single wire that goes to the smaller terminal on the starter. No other wires will be on that stud.

All of the other wires with eye terminals go on the large left stud. The order doesn't matter. One of those wires goes to the battery positive post. The stud is just used as a convenient tie point for all those other wires.
Was this
answer
helpful?
Yes
No
-1
Wednesday, January 20th, 2021 AT 12:54 PM (Merged)
Tiny
FORD150
  • MEMBER
  • 6 POSTS
That solenoid is similar to my stock one but has less wires I can see your pic has three wires excluding the red plug wire, my wires are different from these maybe I will be able to get a picture and show you then things will make more sense.
Was this
answer
helpful?
Yes
No
-1
Wednesday, January 20th, 2021 AT 12:54 PM (Merged)
Tiny
FORD150
  • MEMBER
  • 6 POSTS
Here is the pic hopefully it helps
Was this
answer
helpful?
Yes
No
Wednesday, January 20th, 2021 AT 12:54 PM (Merged)
Tiny
CARADIODOC
  • MECHANIC
  • 34,489 POSTS
My first thought was those two large terminals are reversed. Is it possible that pair is turned around? If not, pull all the wires off the large studs. First be sure the solenoid clicks nice and strong when you turn the ignition switch to "crank". It must release when you release the switch. You'll hear it easily from inside the car. Next, take that pair that are molded together and touch just the one that comes from the battery positive post to its stud on the solenoid. Watch very closely when you touch it to the stud. If you see a small spark, it's on the wrong stud. Either the solenoid or the pair of wires must be turned around.

If there is no spark, connect just those two molded wires and leave the other ones off the large studs for now, then see if it works correctly. Also be sure that unused smaller stud on the bottom isn't touching the larger terminal next to it.
Was this
answer
helpful?
Yes
No
-1
Wednesday, January 20th, 2021 AT 12:54 PM (Merged)
Tiny
FORD150
  • MEMBER
  • 6 POSTS
At first the pair were reversed from what you can see on the pic now, the difference was that I was getting no power the other way around so I put them to what you see in picture now and got display lights to come on and headlights + ignition to crank over, so if I try again I want to make sure there is no spark when wires touch large studs?
Was this
answer
helpful?
Yes
No
+1
Wednesday, January 20th, 2021 AT 12:54 PM (Merged)
Tiny
WILLIE BURKETT
  • MEMBER
  • 14 POSTS
  • 1992 FORD F-150
  • 4.9L
  • 6 CYL
  • 2WD
  • MANUAL
  • 330,000 MILES
Truck will run if you push it off and pop the clutch. Cannot find a loose ground. Battery light is still on after replacing alternator. Voltage is 11.6 volts with truck running. After replacing all of these parts do not know what to do next.
Was this
answer
helpful?
Yes
No
Wednesday, January 20th, 2021 AT 12:54 PM (Merged)
Tiny
HMAC300
  • MECHANIC
  • 48,601 POSTS
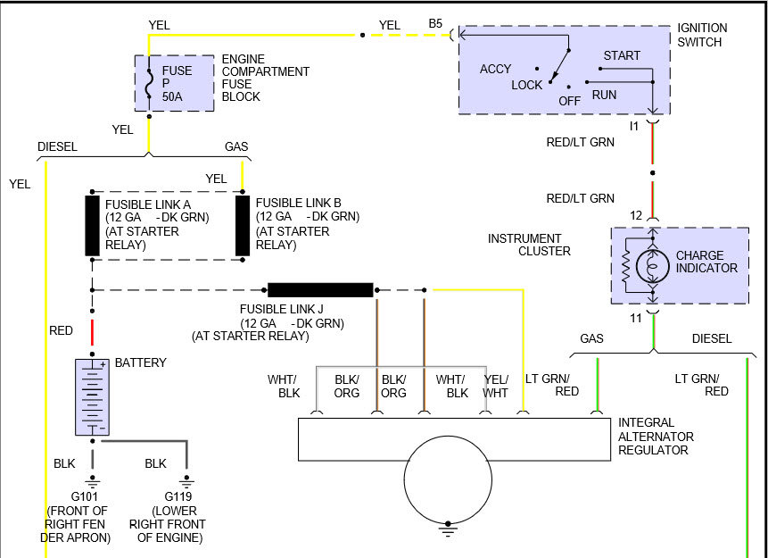
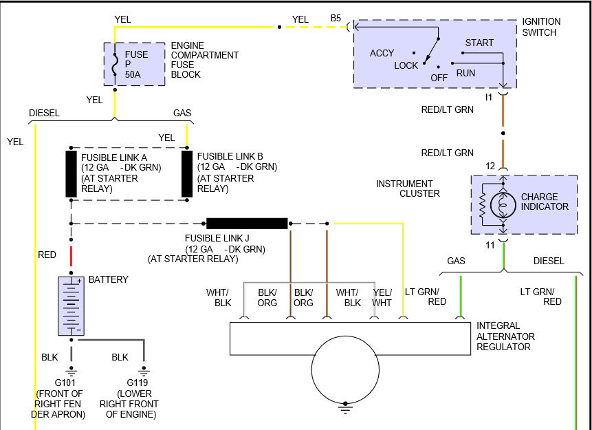
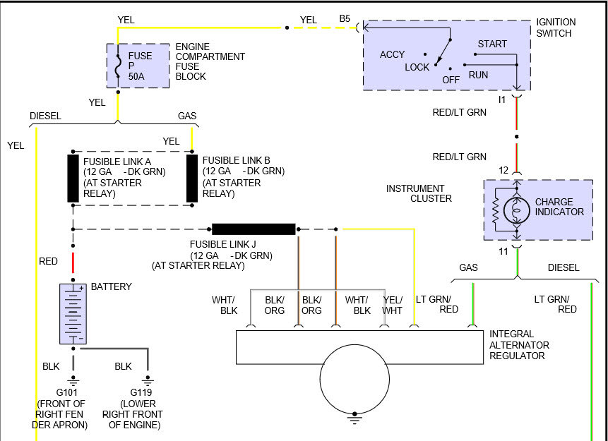
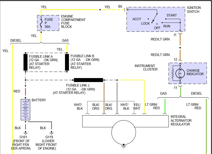
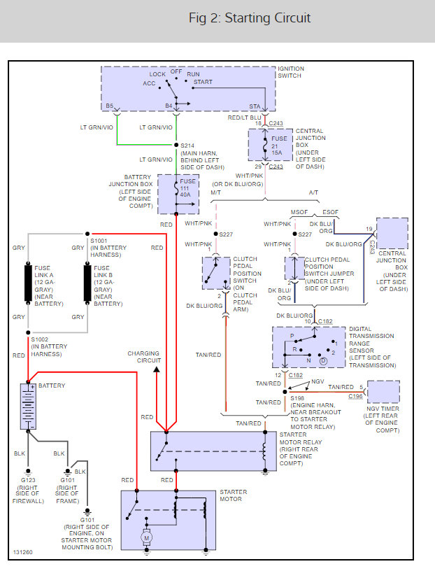
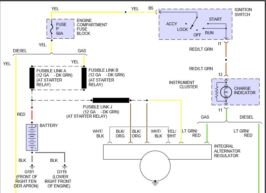
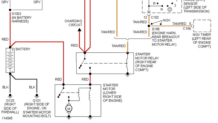
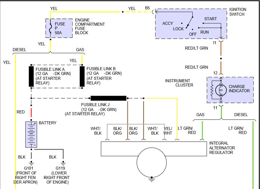
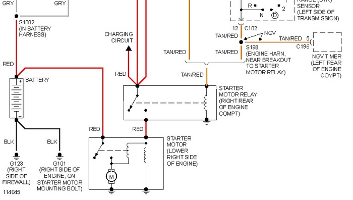
With truck running you should have 14.3 volts so start by checking fusible links to starter relay and they go to alternator and several other places. One picture is for internal regulator other is external regulator. Also check fuse in engine fuse box.
Was this
answer
helpful?
Yes
No
Wednesday, January 20th, 2021 AT 12:54 PM (Merged)
Tiny
WALTCASTLE34
  • MEMBER
  • 2 POSTS
  • 1990 FORD F-150
  • 5.0L
  • V8
  • 2WD
  • AUTOMATIC
  • 114,897 MILES
The starter stays engaged after the key is turned off had to remove the battery cable to stop it how do I fix this? I took the starter out no wire damage or any mechanical issues that I can see. Never had any starter or ignition problems before this please help!
Was this
answer
helpful?
Yes
No
-1
Wednesday, January 20th, 2021 AT 12:54 PM (Merged)
Tiny
CARADIODOC
  • MECHANIC
  • 34,489 POSTS
Next time it does this unplug the small red / blue wire from the starter relay. If the starter continues cranking, replace the sticking relay. If it stops cranking, check for voltage on that wire. If you find 12 volts there, suspect the ignition switch.
Was this
answer
helpful?
Yes
No
Wednesday, January 20th, 2021 AT 12:54 PM (Merged)
Tiny
WALTCASTLE34
  • MEMBER
  • 2 POSTS
Thank u now I'm trying to find that relay any clue where it is?
Was this
answer
helpful?
Yes
No
Wednesday, January 20th, 2021 AT 12:54 PM (Merged)
Tiny
CARADIODOC
  • MECHANIC
  • 34,489 POSTS
Follow the positive battery cable to it. It's usually about a foot from the battery and will be on the inner fender or next to the side of the radiator.
Was this
answer
helpful?
Yes
No
Wednesday, January 20th, 2021 AT 12:54 PM (Merged)

Please login or register to post a reply.