What does a fusible link look like and where is it located

Tiny
VERBAL2009
  • MEMBER
  • 1991 FORD F-150
What does a fusible link look like and where is it located
Tuesday, April 14th, 2009 AT 4:18 PM

1 Reply

Tiny
RASMATAZ
  • MECHANIC
  • 75,992 POSTS
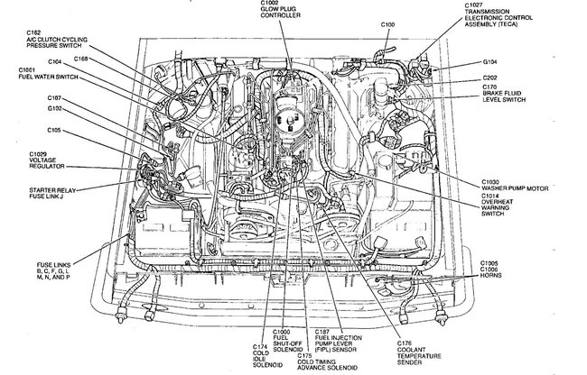
Those should be coming off the starter solenoid, there will be several of them attached to one of the large posts on the solenoid. The starter solenoid will be mounted on the inner fender near the battery

This guide will help you teat them

https://www.2carpros.com/articles/how-to-check-wiring

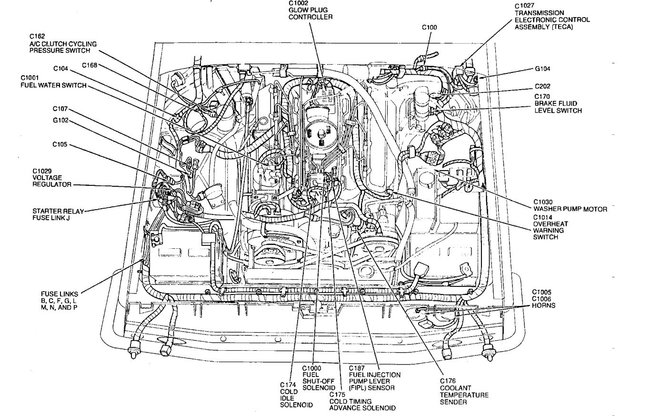
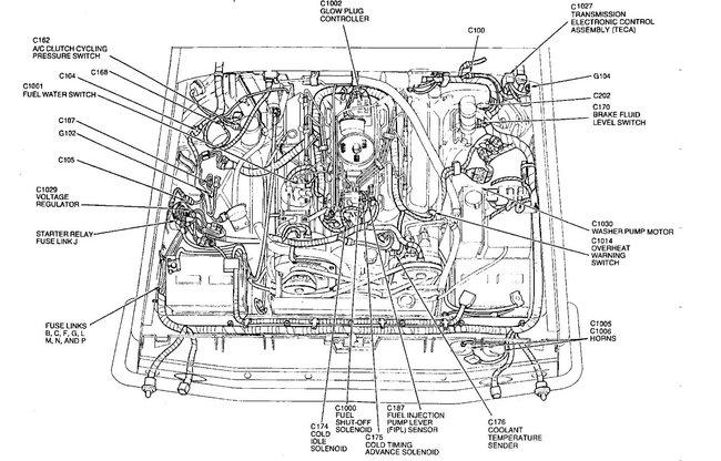
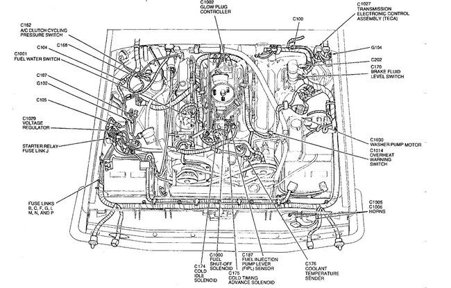
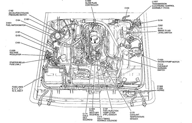
See the diagram below for locations
Was this
answer
helpful?
Yes
No
Wednesday, May 5th, 2021 AT 12:44 PM

Please login or register to post a reply.