Monday, October 27th, 2008 AT 8:57 PM
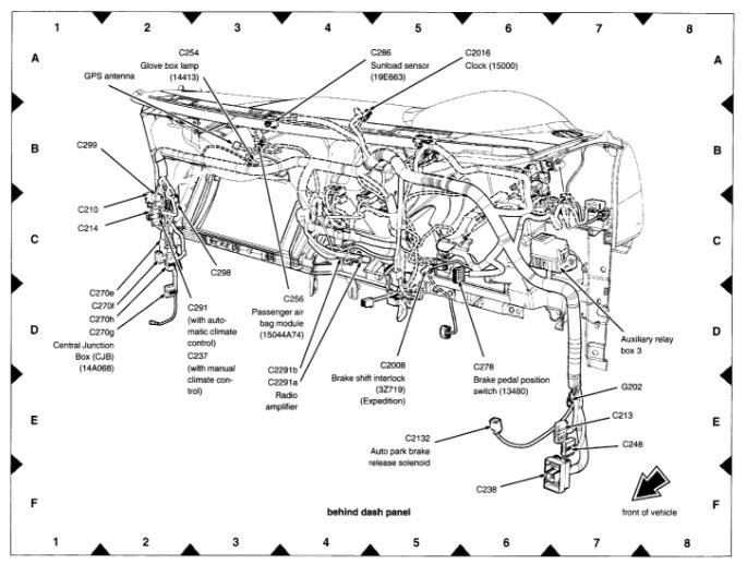
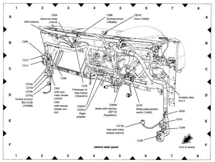
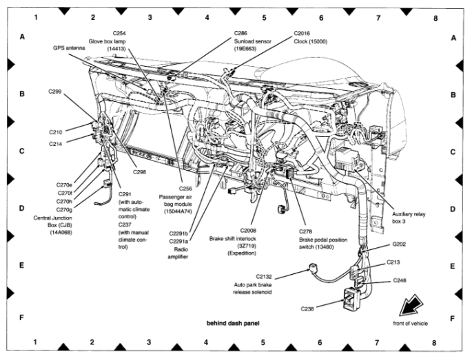
Truck is rough to start and engine light just came on. It seems like a got some fuses out can you show me where to look and how to check the fuses?
















