2003 Ford Expedition idle air control motor

Tiny
MARZREE
  • MEMBER
  • 2003 FORD EXPEDITION
2003 Ford Expedition V8 Four Wheel Drive Automatic

how to fix this is it expensive? Will it be cheaper to have it done at ford dealer?
Friday, March 20th, 2009 AT 2:47 PM

1 Reply

Tiny
MERLIN2021
  • MECHANIC
  • 17,250 POSTS
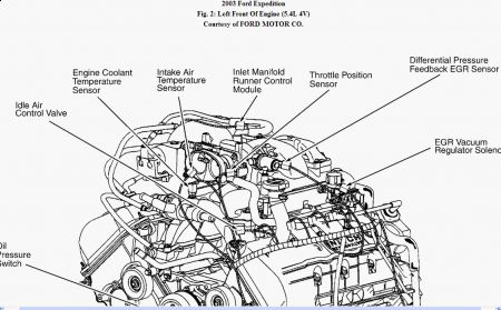
Almost nothin g is cheaper at the dealer, most IAC's are under 100.00 at the parts store, it depends on which engine you have 5.4 2V or 4V here's the pictures. 2 small bolts and a gasket is all there is to it...


https://www.2carpros.com/forum/automotive_pictures/62217_iaca_1.jpg



https://www.2carpros.com/forum/automotive_pictures/62217_iacb_1.jpg

Was this
answer
helpful?
Yes
No
-1
Friday, March 20th, 2009 AT 2:56 PM

Please login or register to post a reply.