Blown PCM Relay

Tiny
JIMWHITINGTX
  • MEMBER
  • 2003 FORD EXPEDITION
  • V8
  • 2WD
  • AUTOMATIC
  • 90,000 MILES
I have a relay in the fuse panel that has blown 2 times in 2 months. If you look at the relay you can see a burned area on the bottom. According to the guide, the relay (#203) controls:

Fuses 32, 33, 34 (Whole bunch of stuff)
Fuel Pump Relay
PCM Solenoids and Sensors.

Any ideas what it could be or where to start looking.

Jim
Monday, March 3rd, 2008 AT 10:30 AM

2 Replies

Tiny
KEN L
  • MASTER CERTIFIED MECHANIC
  • 55,127 POSTS
I would start by fixing the burned connection and install a new relay. Then put in a lower amp fuse and turn ignition on and wiggle harnesses and try to duplicate short. Check at O2 sensors for melted harnesses.

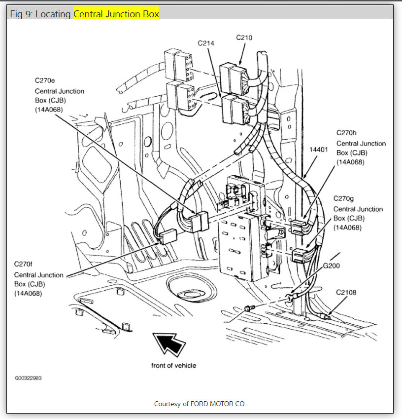
Here are the relay and fuse location along with a guide to help you test the relay once you find it.

https://www.2carpros.com/articles/how-to-check-an-electrical-relay-and-wiring-control-circuit

Check out the diagrams (Below)

Please let us know what you find. We are interested to see what it is.

Cheers, Ken
Was this
answer
helpful?
Yes
No
+2
Sunday, February 4th, 2018 AT 3:01 PM
Tiny
JIMWHITINGTX
  • MEMBER
  • 6 POSTS
Thank you this was the problem and my car is running again :)
Was this
answer
helpful?
Yes
No
+1
Sunday, February 4th, 2018 AT 3:02 PM

Please login or register to post a reply.