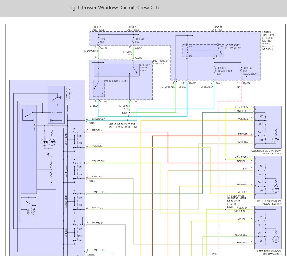
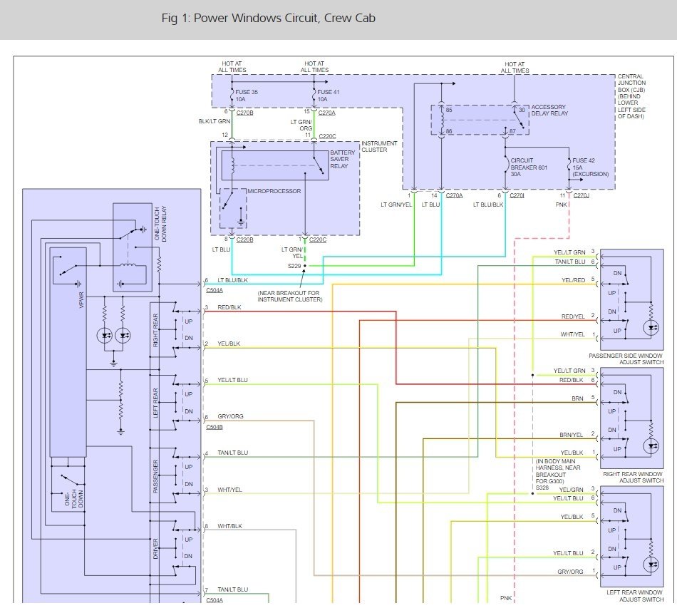
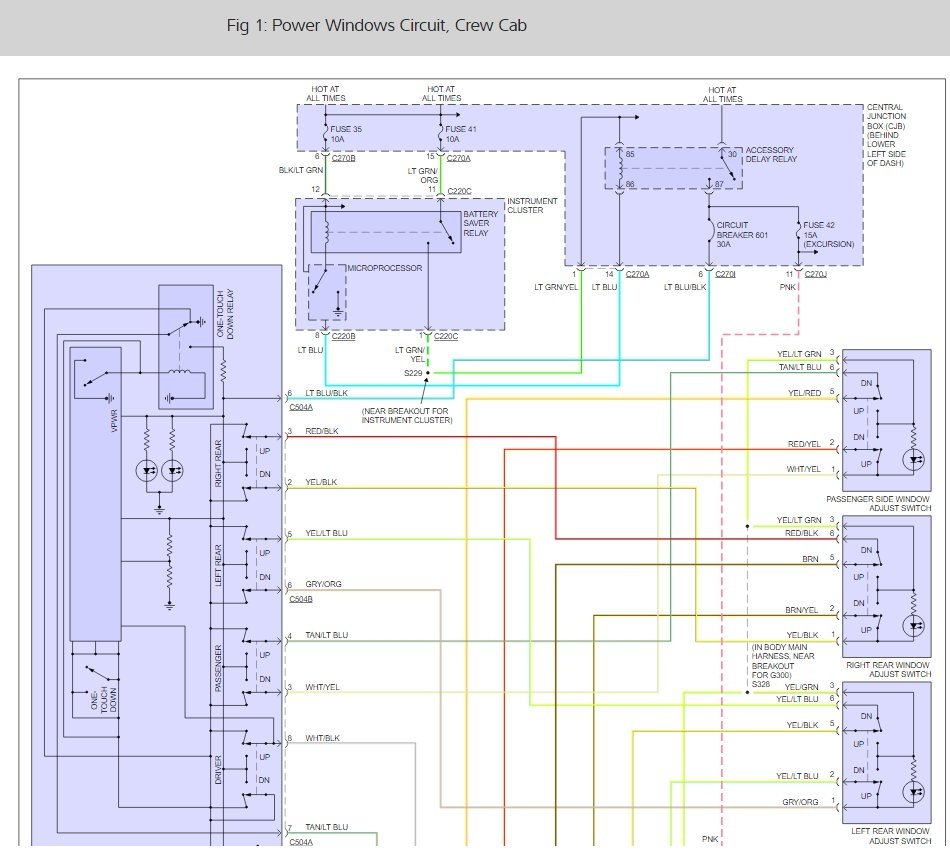
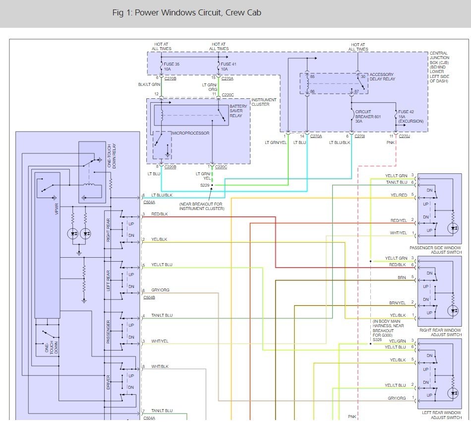
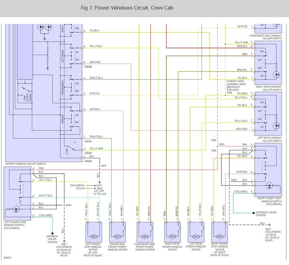
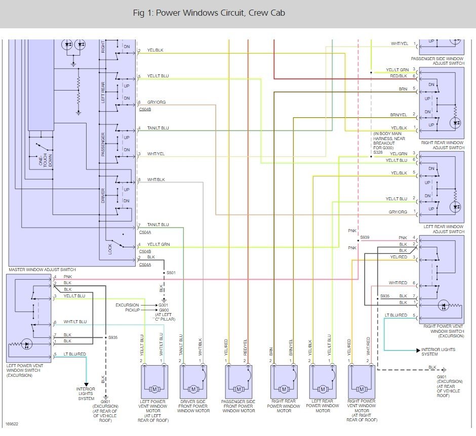
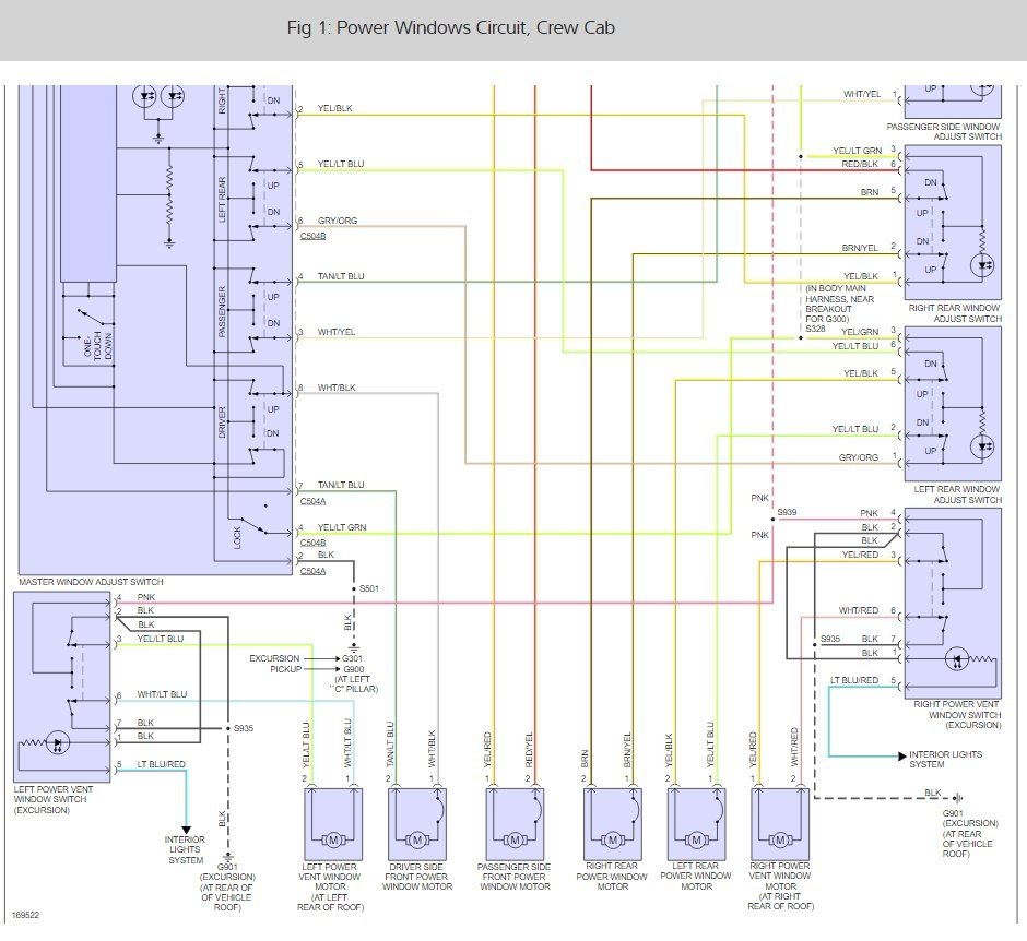
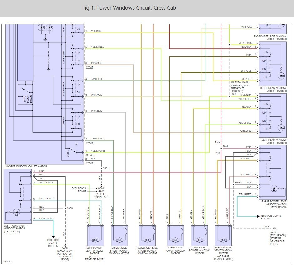
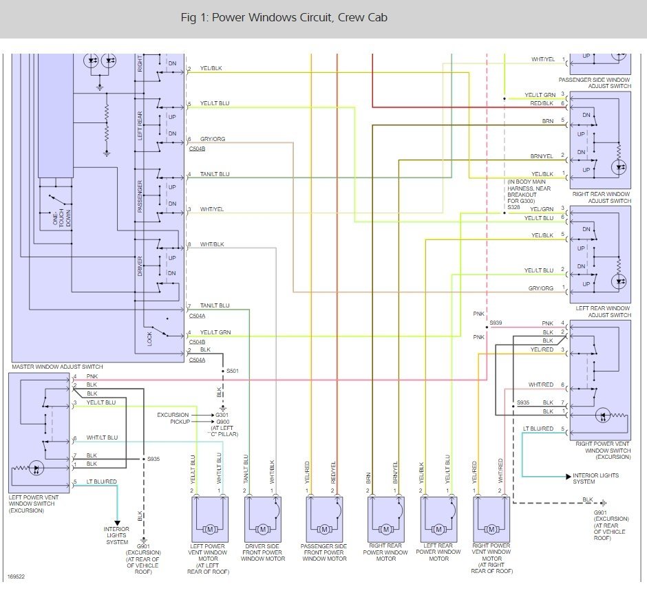
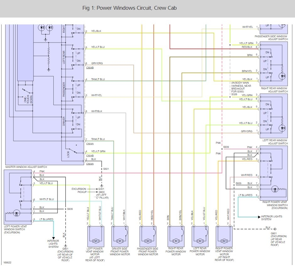
I have a 2003 ford Excursion w/7.3 it has an electrical gremlin its like a short of the windows radio and all interior lights go out its like if you open the glove box it all goes out or if you turn on a light it all goes out or some times if you open both door at the same time it all goes out I can get them to come back on if I fiddle with the interior light dimmer switch or dome light switch I have been told that it could be a bcm and if it is where can I find it to change it out
Monday, August 16th, 2010 AT 10:51 PM





