HOME
ASK A QUESTION
REPAIR GUIDES
BECOME A MEMBER
LOG IN
Login with Facebook
OR
Remember me
NOT A MEMBER?
FORGOT PASSWORD?
CONTACT US
PRIVACY POLICY
TERMS AND CONDITIONS
☰
Home
Ford
Escort
Engine
Starter
Relay
Location
1997 Ford Escort starter relay location
NORM51
MEMBER
1997 FORD ESCORT
4 CYL
FWD
AUTOMATIC
110,000 MILES
Where is starter relay located?
Saturday, April 10th, 2010 AT 3:24 PM
4 Replies
KEN L
MASTER CERTIFIED MECHANIC
55,046 POSTS
Hey NORM51
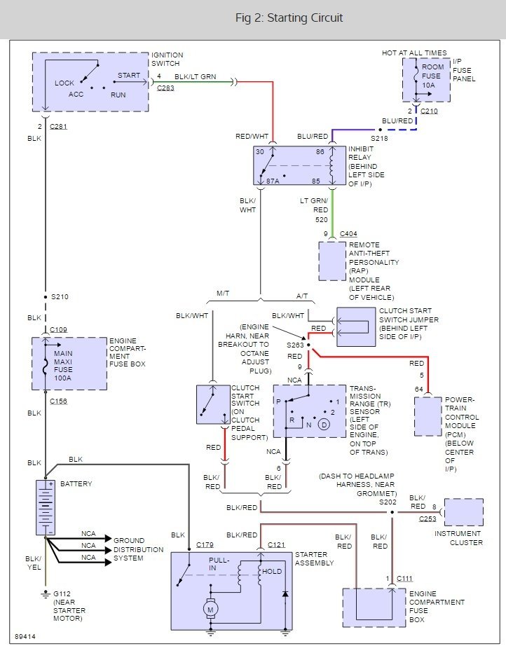
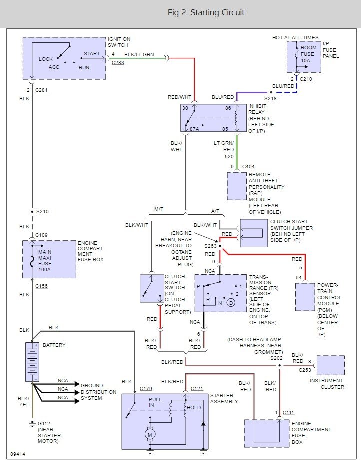
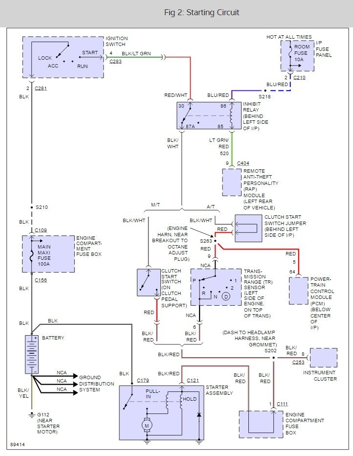
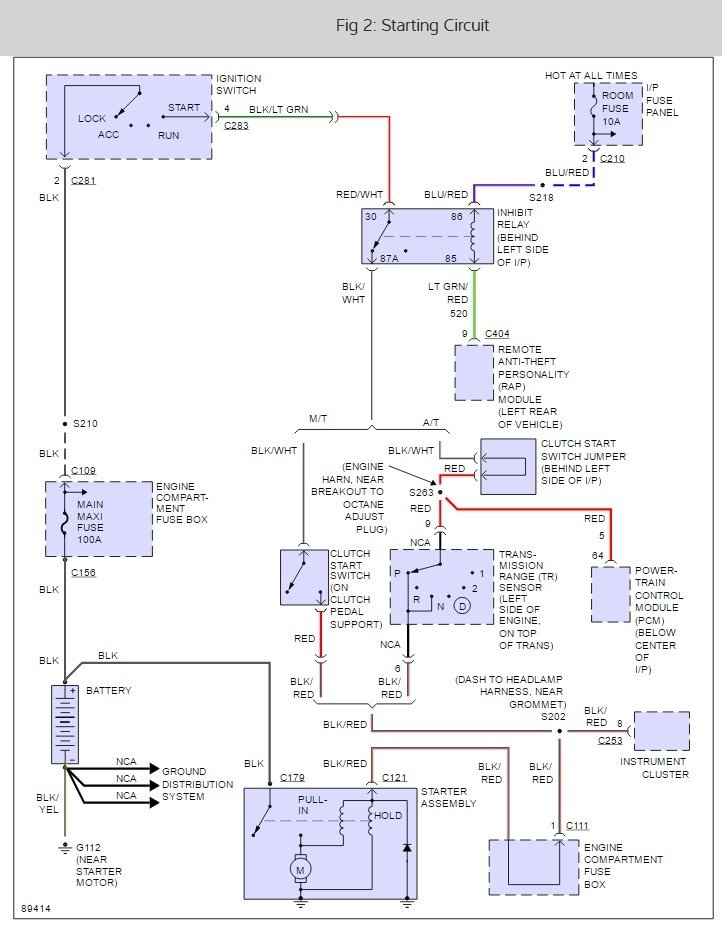
There is no starter relay becasue it is called a inhibitor relay. Here is a wiring diagram that shows where it is and a guide for testing it.
https://www.2carpros.com/articles/how-to-check-an-electrical-relay-and-wiring-control-circuit
and
https://www.2carpros.com/articles/how-to-use-a-test-light-circuit-tester
Please let us know what you find so it will help others.
Best, Ken
Image (Click to make bigger)
Was this
answer
helpful?
Yes
No
Tuesday, January 10th, 2017 AT 4:29 PM
RAMOND1
MEMBER
1 POST
1995 FORD ESCORT
4 CYL
2WD
AUTOMATIC
140,000 MILES
Electrical problem
1995 Ford Escort 4 cyl Two Wheel Drive Automatic 140000 miles
where can I find the starter relay?
Was this
answer
helpful?
Yes
No
Tuesday, January 10th, 2017 AT 4:29 PM (Merged)
DAVE H
MECHANIC
13,384 POSTS
Was this
answer
helpful?
Yes
No
-3
Tuesday, January 10th, 2017 AT 4:29 PM (Merged)
STANLEY777
MEMBER
3 POSTS
Any auto parts store should carry them
Was this
answer
helpful?
Yes
No
+1
Tuesday, January 10th, 2017 AT 4:29 PM (Merged)
Please
login
or
register
to post a reply.
Related Starter Relay Location Content
1997 Ford Escort Starting
Sometimes When I Turn The Key To The Start Position I Have To Hold It There For Several Minutes Before The Engine Begins To Attempt To Turn...
Asked by
aeboi80
·
3 ANSWERS
1997
FORD ESCORT
Starter Not Engaging
Battery Drained, Bad Brake Switch. Replaced The Switch Button Only And Started Car But Did Not Tighten Battery Posts. Car Would Not Start...
Asked by
mcmurer
·
5 ANSWERS
1997
FORD ESCORT
Starter Location
Sometimes My Car Will Not Start And Other Times It Fires Right Up. Sometimes It Clicks And Other Times It Is Just Dead. We Think It Is The...
Asked by
leadbottom2
·
18 ANSWERS
3 IMAGES
2002
FORD ESCORT
1998 Ford Escort Starter Solenoid
I Am Assuming That The Problem Is The Starter Or Starter Solenoid. Is There A Fuse Or Breaker For Starting Because The Car Does Not Turn...
Asked by
rarsenault
·
1 ANSWER
1998
FORD ESCORT
1998 Ford Escort Need To Know How To Replace Starter
My Car Just Clicks When You Try To Start It, So I Am Going To Replace The Start But Need Step By Step Instructions On How To Remove The Old...
Asked by
shababy4u2
·
1 ANSWER
1998
FORD ESCORT
VIEW MORE
Ask a Car Question. It's Free!
Starter Motor Replacement
Starter Motor Replacement
Starter Replacement