Car will not go to EV mode

Tiny
GIGISULAMANIDZE1
  • MEMBER
  • 2009 FORD ESCAPE HYBRID
  • 2.5L
  • 4 CYL
  • 4WD
  • AUTOMATIC
  • 120,522 MILES
My car is a hybrid and won't go to EV mod. There is only one DTC
p0535 A/C Evaporator Temperature Sensor Circuit.
Tuesday, June 4th, 2019 AT 6:16 AM

16 Replies

Tiny
SCGRANTURISMO
  • MECHANIC
  • 4,897 POSTS
Hello,

I have included the Direct Trouble Code (DTC) guide for DTC P0535 in the diagrams down below. It is a pinpoint guide from the vehicle manufacturer that will lead you to the problem with your vehicle so that you can fix it right, the first time. Please go through this guide and get back to us with what you are able to find out.

Thanks,
Alex
2CarPros
Was this
answer
helpful?
Yes
No
+2
Tuesday, June 4th, 2019 AT 8:46 AM
Tiny
GIGISULAMANIDZE1
  • MEMBER
  • 88 POSTS
Thank you for answer. Can you give me location of this part?
Was this
answer
helpful?
Yes
No
Tuesday, June 4th, 2019 AT 8:50 AM
Tiny
SCGRANTURISMO
  • MECHANIC
  • 4,897 POSTS
Hello again,

Which part are you referring to?

Thanks,
Alex
2CarPros
Was this
answer
helpful?
Yes
No
Tuesday, June 4th, 2019 AT 9:25 AM
Tiny
GIGISULAMANIDZE1
  • MEMBER
  • 88 POSTS
A/C Evaporator Temperature Sensor Location.
Was this
answer
helpful?
Yes
No
Tuesday, June 4th, 2019 AT 9:43 AM
Tiny
KEN L
  • MASTER CERTIFIED MECHANIC
  • 55,411 POSTS
You access the sensor through the glove bow here are diagrams and instructions to help you. Check out the diagrams (below). Please let us know what you find. We are interested to see what it is.
Was this
answer
helpful?
Yes
No
+1
Thursday, June 6th, 2019 AT 2:43 PM
Tiny
GIGISULAMANIDZE1
  • MEMBER
  • 88 POSTS
Hello, today I replaced sensor no more DTC car working like a new.
Was this
answer
helpful?
Yes
No
Thursday, June 6th, 2019 AT 2:46 PM
Tiny
KEN L
  • MASTER CERTIFIED MECHANIC
  • 55,411 POSTS
Glad you could get it fixed, that kind of problem can be tough. Please use 2CarPros anytime we are here to help.
Was this
answer
helpful?
Yes
No
Friday, June 7th, 2019 AT 10:34 AM
Tiny
ZIA MEMON
  • MEMBER
  • 5 POSTS
You've given 9 diagnosis step, but D8 step is missing. Would you please post D8 step as well?
Was this
answer
helpful?
Yes
No
Monday, August 24th, 2020 AT 9:17 PM
Tiny
STEVE W.
  • MECHANIC
  • 15,688 POSTS
This is the D8 step.
Was this
answer
helpful?
Yes
No
Wednesday, August 26th, 2020 AT 7:36 PM
Tiny
ZIA MEMON
  • MEMBER
  • 5 POSTS
I have Ford Escape hybrid 2005. It goes to EV only when weather is cold. In summer, it goes to EV mode if engine is cold, once hot, it remains on engine. I've scanned and get P0535 and P2612 codes. I've noticed that rear air conditioner line that cools down battery does not get cool, whereas front A/C throws cold air like normal. Please suggest solution. Thanks
Was this
answer
helpful?
Yes
No
Friday, August 28th, 2020 AT 2:17 PM
Tiny
KASEKENNY
  • MECHANIC
  • 18,907 POSTS
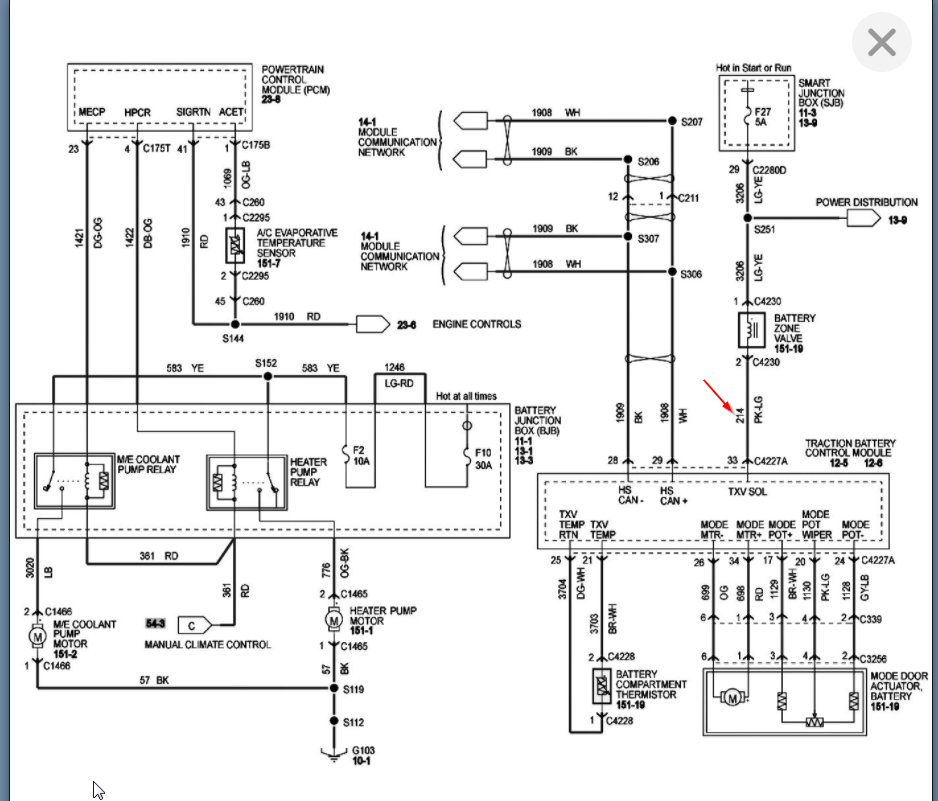
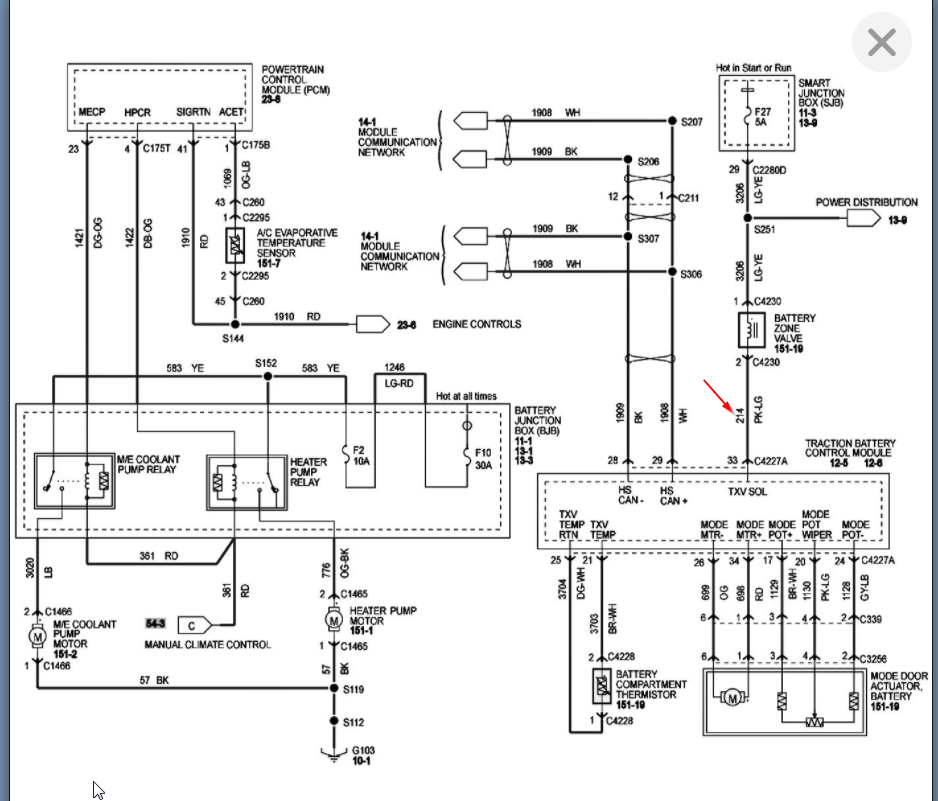
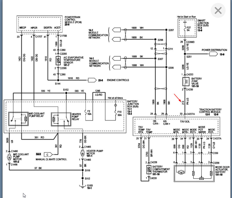
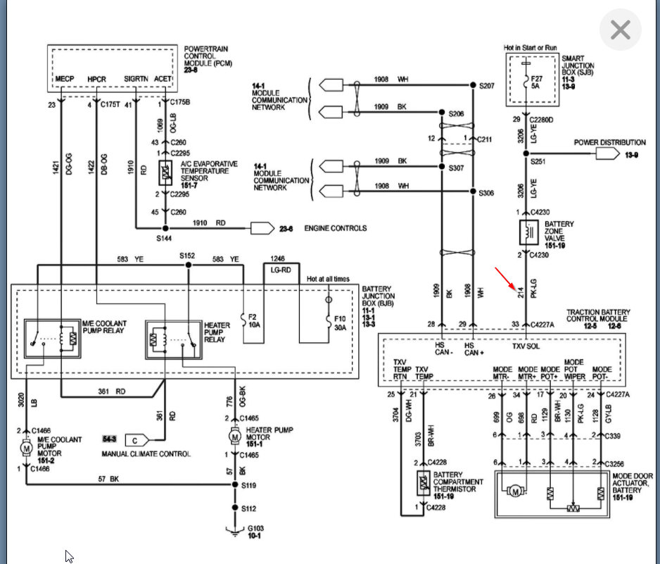
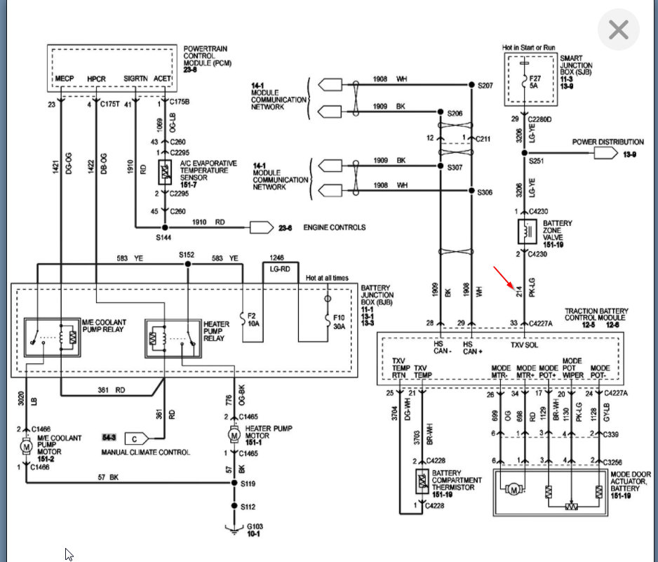
P0535 - Rear AC Evaporator Temp sensor circuit failure
P2612 - AC Refrigerant Distribution Valve (Battery Zone valve) Control circuit low

The P2612 is the most likely cause of the EV mode not coming on. If the battery is not cooled then it will fail so when this code comes on it disables EV mode so that this doesn't happen.

I attached the testing that we need to run through in order to figure out the issue. However, we most likely have a circuit issue due to the other code that you have. If you fix the P2612 then I am sure you will fix the other as well.

Let me know what questions you have. Thanks
Was this
answer
helpful?
Yes
No
+1
Monday, August 31st, 2020 AT 5:37 PM
Tiny
ZIA MEMON
  • MEMBER
  • 5 POSTS
Hi Steve, how can I depower HVTB?
2. I think Battery Zone Valve C4230 is black connector at rear cooling system?
3. What do you mean by circuit 214(PK/LB)? Where is that?
Your help is greatly appreciated.
Zia
Was this
answer
helpful?
Yes
No
Tuesday, September 1st, 2020 AT 4:30 PM
Tiny
KASEKENNY
  • MECHANIC
  • 18,907 POSTS
I am attaching the depowering process. I have to mention this, are you comfortable with working around your high voltage system or have training with these systems? If not, I would suggest you don't because you can serious hurt yourself and people have died when working on these.

I attached the other info as well but again, if you are not sure about this high voltage system, please let someone
Was this
answer
helpful?
Yes
No
+1
Tuesday, September 1st, 2020 AT 7:14 PM
Tiny
ZIA MEMON
  • MEMBER
  • 5 POSTS
Hi Steve, I've followed all the steps that you mentioned above to rectify P2612 code. All seems good but rear A/C cooling system does not kick in and remains warm. Whereas I observed zone valve magnetize (it hold screw driver) and gets very hot when I touch it.
What else could be the reason that battery is not getting cold by rear cooling system?
Your help is appreciated.
Was this
answer
helpful?
Yes
No
Sunday, September 6th, 2020 AT 9:28 PM
Tiny
ZIA MEMON
  • MEMBER
  • 5 POSTS
Forget to mention that I've changed rear Thermistor sensor as well, but both codes P0535 and P2612 are there and rear A/C is not getting cool hence vehicle does not go on EV mode when gets hot.
Was this
answer
helpful?
Yes
No
Sunday, September 6th, 2020 AT 9:36 PM
Tiny
KASEKENNY
  • MECHANIC
  • 18,907 POSTS
Just to be clear, you still have these codes but you followed the testing for the P2612 and it all checks okay but yet the code remains? If this is the case, then we are missing something in that testing. The P2612 code is the reason for it to not go into EV mode.

Let us know what the results are of each step in the testing and we can try to figure out what may be the issue.

***Update***Sorry, just noticed you asked for Steve. Just my 2 cents on the above but if you prefer Steve, I will step out. Thanks
Was this
answer
helpful?
Yes
No
Monday, September 7th, 2020 AT 6:33 PM

Please login or register to post a reply.