Saturday, May 10th, 2025 AT 2:37 PM
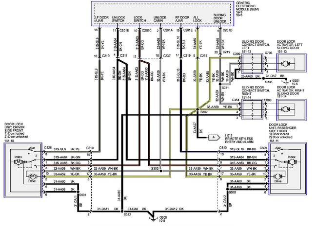
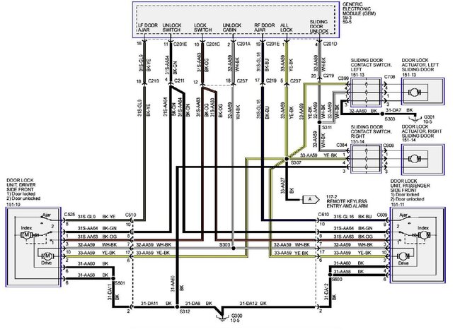
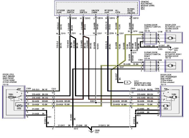
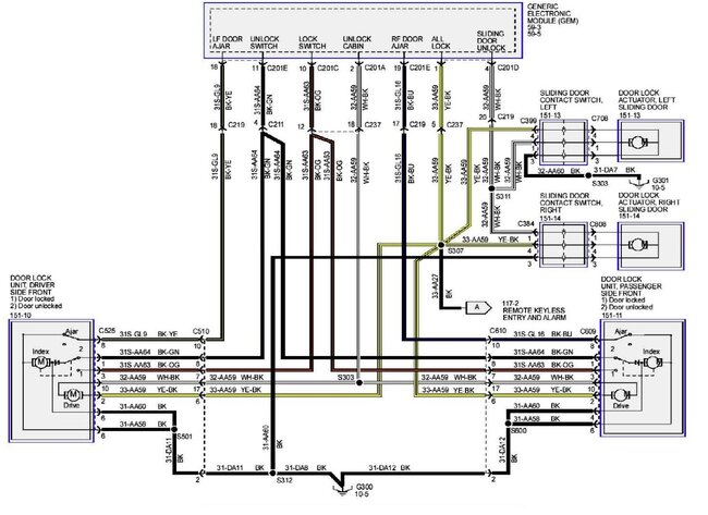
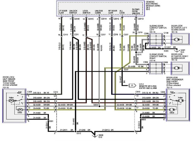
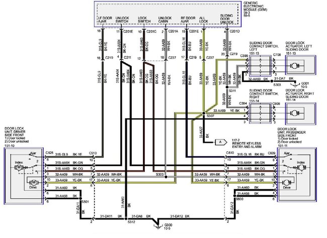
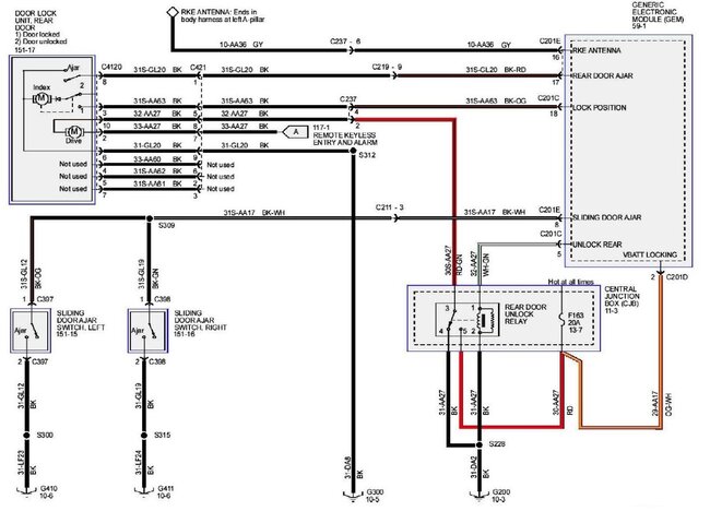
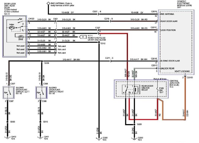
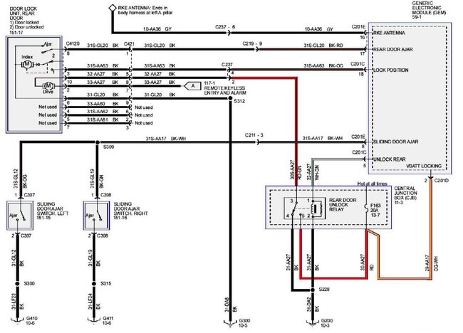
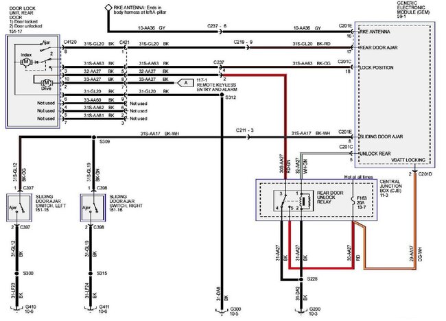
Hello, I have a 2008 model Ford Tourneo Connect vehicle. I detected a short circuit on the GEM module motherboard with code 2T1T-15K600-CD because the door lock, alarm and remote control do not work. I need a schematic diagram about the module to repair it. I would be glad if you could help me.






