Forced the locked steering wheel

Tiny
ENYA FARRELLY
  • MEMBER
  • 2005 VOLVO V70
  • 5 CYL
  • 2WD
  • AUTOMATIC
  • 249,000 MILES
I tried to turn on the car to no avail. The key would not turn in the ignition. I know that that is usually caused by the steering wheel being in the wrong position. So I tried to turn the wheel in either direction and it would not budge. After a few more tries I guess I got angry and just cranked the key. The car started, however they key was stuck in the third (III) position and I had to tweak it back to the second (II) position to begin driving.
I have tried rotating the wheel while the car is of, in park, and in drive. I have tried multiple positions of the key in ignition and the wheel turned either which way.

Thanks
Sunday, September 3rd, 2017 AT 1:33 AM

3 Replies

Tiny
STEVE W.
  • MECHANIC
  • 15,682 POSTS
Sounds like the column will need to come apart to access the locking section. Forcing the key probably damaged the pin that locks the wheel and it is now interfering with the key cylinder. The only way to repair it is to remove the steering wheel and the parts below it and repair what is damaged.
Was this
answer
helpful?
Yes
No
Tuesday, September 5th, 2017 AT 8:41 AM
Tiny
ENYA FARRELLY
  • MEMBER
  • 2 POSTS
Thank you, Steve. Do you think this is something I could manage myself?
Was this
answer
helpful?
Yes
No
Tuesday, September 5th, 2017 AT 1:26 PM
Tiny
STEVE W.
  • MECHANIC
  • 15,682 POSTS
You could likely do the mechanical part. However once that is done you need a dealer level scan tool to program in the new keys if it's the lock itself that is the issue.

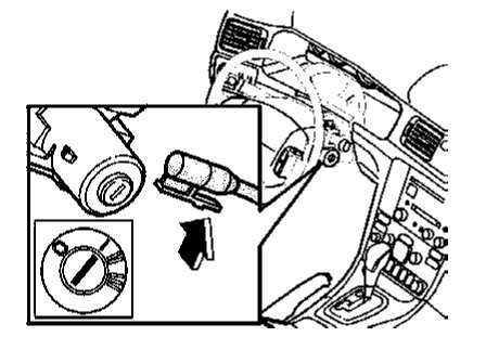
The below are the steps and related images to removing the lock. However I think your issue is twofold. I believe the lock is damaged BUT I think there is also damage at the top under the steering wheel where the locking pin engages the plate. To work on that isn't a DIY job. You need the scan tool to reset sensors and make adjustments when working inside that part of the column.

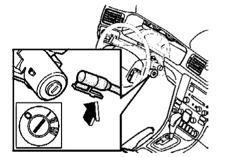
Step1
Remove three screws.
Pull the steering wheel as far out as possible.
Remove the clip mounting between the covers.
Remove the lower steering column cover.
Remove the seal for the clip mounting at the dashboard.
Remove the upper steering column cover.

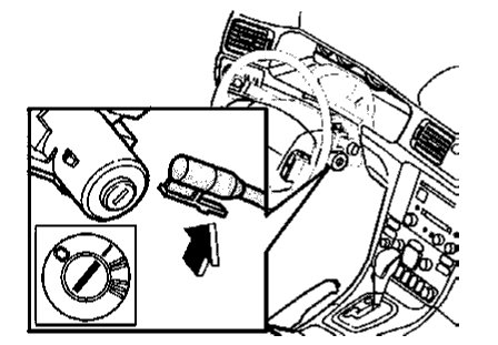
Step2
Remove the connectors
Press in the snap fastener and remove the steering wheel lock unit

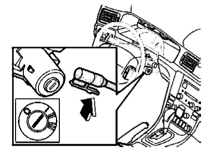
Step3
Remove the mechanical cable for the ignition switch interlock
Move the ignition key to position I
Press up the lock facing and pull out the cable.

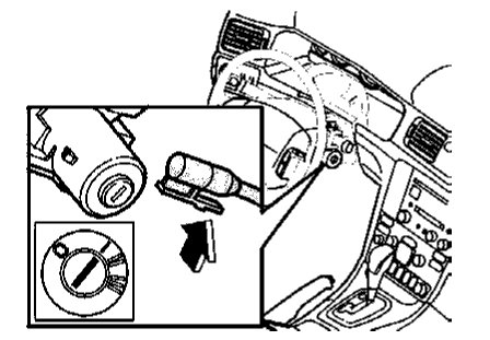
Step4
Drill out the security screws holding the steering wheel lock
Remove the steering wheel lock.
Was this
answer
helpful?
Yes
No
+1
Wednesday, September 6th, 2017 AT 12:12 AM

Please login or register to post a reply.