Fog lights/horn not working

Tiny
JEROME MANABAT BJøRN
  • MEMBER
  • 2006 DODGE CALIBER
  • 2.0L
  • 4 CYL
  • 2WD
  • MANUAL
  • 108,000 MILES
Front fog lights doesn't work but rear fog lights works.
i tried swapping the switch for those and still doesn't work. Bulbs are fine.

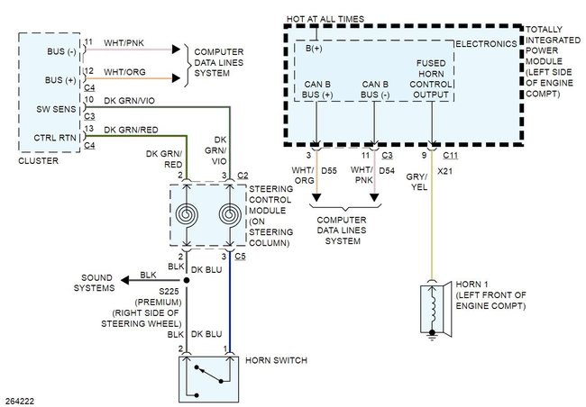
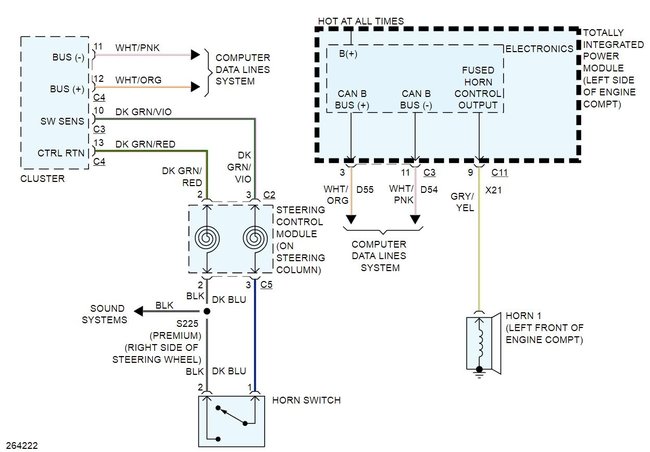
Horn also doesn't work before and after I changed the steering switches thing.

Please help. I read about the fusebox or TIPM getting bad due to corrosion and also the relay box underneath the front left headlight.
Friday, January 1st, 2021 AT 5:25 PM

8 Replies

Tiny
STEVE W.
  • MECHANIC
  • 15,685 POSTS
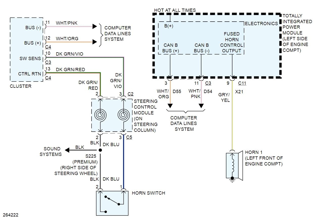
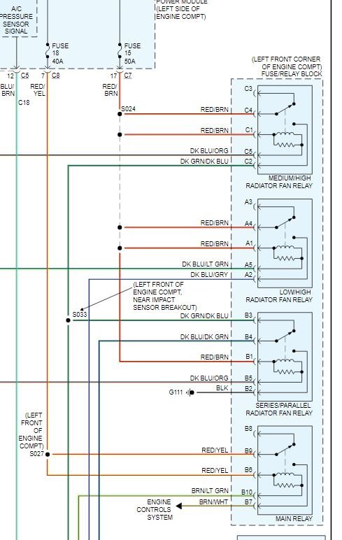
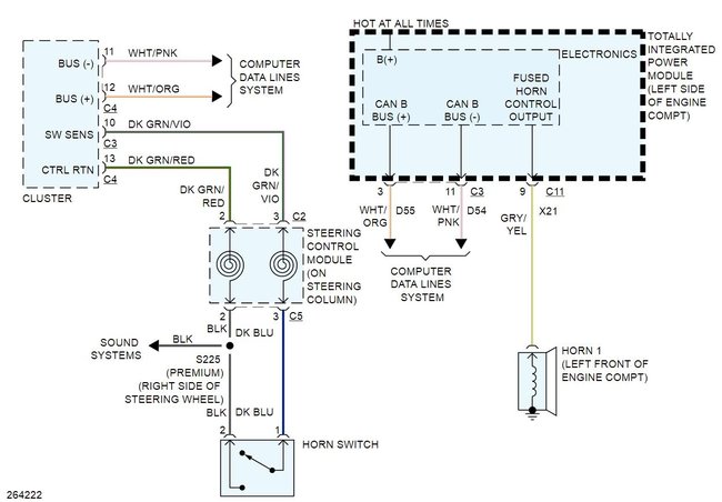
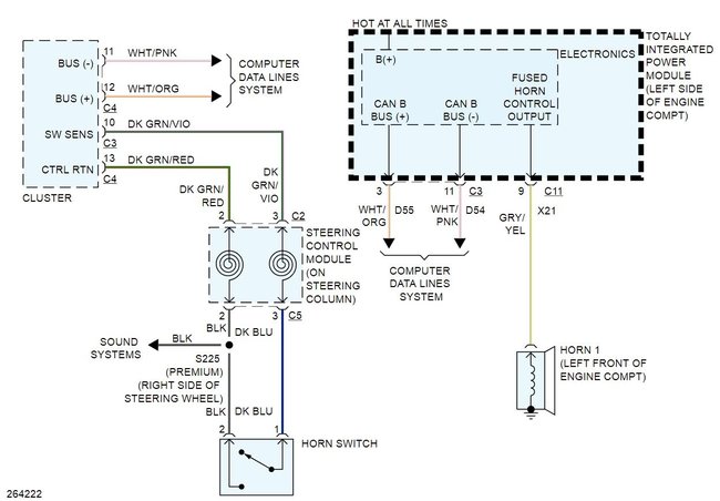
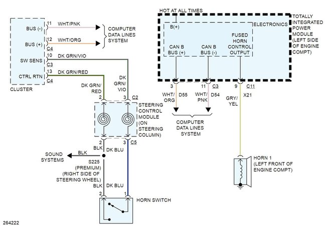
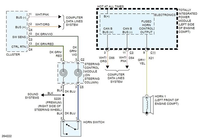
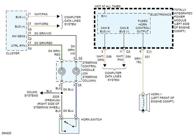
For the fog lights there isn't much in the circuit but the TIPM the wires, bulbs and the grounds. I would probably start by using a test light at the bulb connection. Turn on the fog lamps and check for battery voltage on the white/yellow and white/orange wires. If you have power there then it could be a bad ground as they both share the ground connection. To check that you could simply find that ground in the left side of the engine compartment and verify it isn't corroded. The horn relay is also part of the TIPM. Both could be bypassed by adding in new relays but I would check that the grounds are good and that the horn itself works first. Testing the horn only takes a jumper wire to battery positive from the gray/yellow wire that feeds the horn. It could have a bad ground as well and it grounds through the bracket.
Was this
answer
helpful?
Yes
No
+1
Saturday, January 2nd, 2021 AT 10:19 AM
Tiny
JEROME MANABAT BJøRN
  • MEMBER
  • 5 POSTS
Hey thanks for the diagram it really helps with it. Can you also do a diagram on the relay box? Like horn relay and what different relays do. I will start doing some test tomorrow I will be back with some info. Thanks a lot.
Was this
answer
helpful?
Yes
No
Saturday, January 2nd, 2021 AT 12:10 PM
Tiny
STEVE W.
  • MECHANIC
  • 15,685 POSTS
I wish I could. None of the diagrams of the internal parts of the TIPM (relay box) are available to anyone but the company who makes them. There are a few places that rebuild them, but they generally open them up and just replace all the relays and parts that are known to fail. I've repaired a few of them, they are really not that bad if you know how to do board level repairs. If you want to see what they are like internally there are a few good videos on youtube showing them apart. This one shows the guts pretty well, but yours is a bit simpler:
https://www.youtube.com/watch?v=a7gEDHsppEs
Was this
answer
helpful?
Yes
No
+1
Saturday, January 2nd, 2021 AT 7:44 PM
Tiny
JEROME MANABAT BJøRN
  • MEMBER
  • 5 POSTS
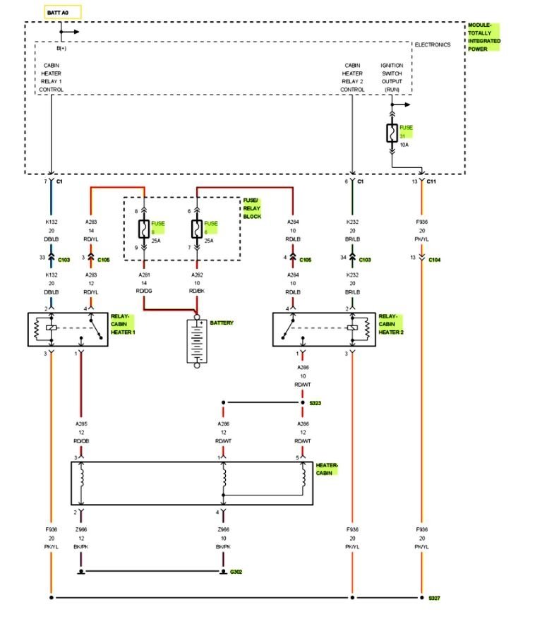
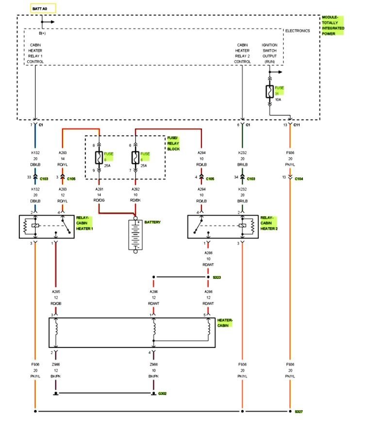
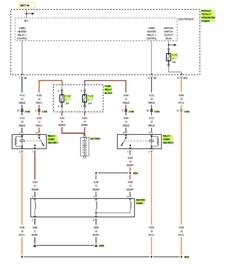
Hello again, just an update. I got the horn to work it was just corroded plus wire to horn and I tried to clean the relay box and it is corroded. But I got the one of the relay fixed and the 25 amp fuse fixed. But there is something with the fuse, I don't know what the fuse is for so if you guys have a diagram for what the fuse is it would really help me. It's the 25 amp fuse in the relay box that keeps getting "popped"

Here are some pictures.
Was this
answer
helpful?
Yes
No
Sunday, January 10th, 2021 AT 8:26 PM
Tiny
STEVE W.
  • MECHANIC
  • 15,685 POSTS
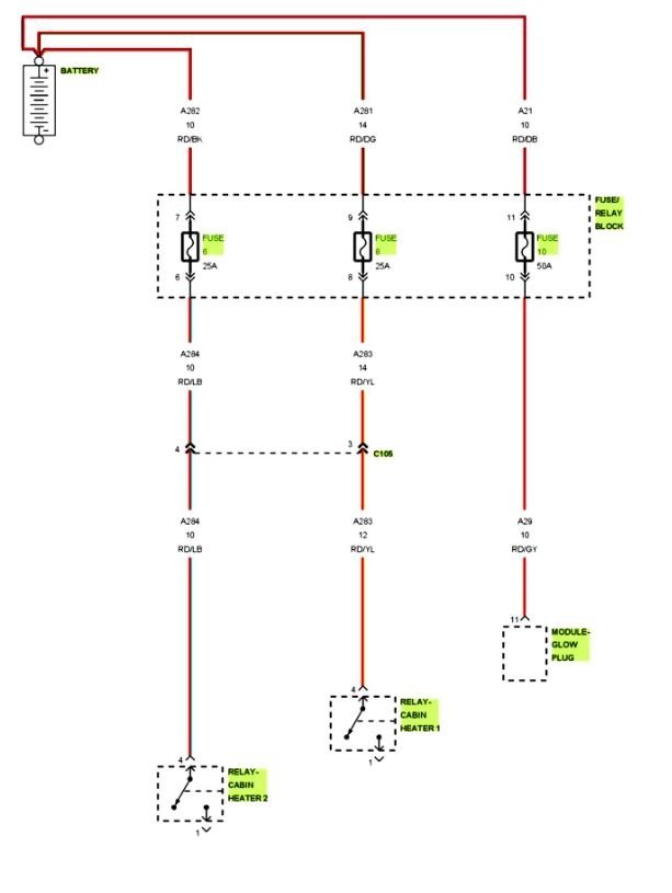
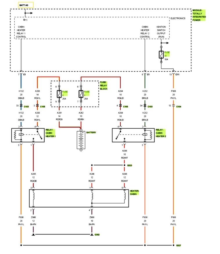
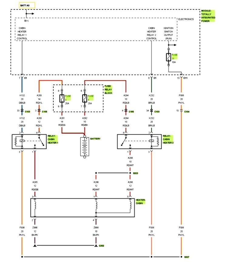
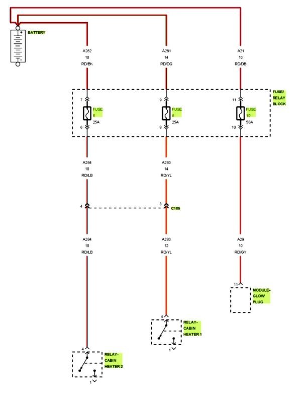
These are all the wiring shown for that relay block. It looks like the 25 amp fuses power the heater system but the OE diagram shows two 25 and one 50, while your box has one 25 and two 50 amp fuses.
Was this
answer
helpful?
Yes
No
+1
Monday, January 11th, 2021 AT 3:33 AM
Tiny
JEROME MANABAT BJøRN
  • MEMBER
  • 5 POSTS
Hello. Thanks a lot for helping me out it really helps me out like a lot. I don't know why I couldn't find any diagram to this car. I also go to mechanic school and they helped me to find a diagram but they couldn't. Anyways, so the 25 amp is for the heater system? I just don't know why but the heater system works. Like the mirror heater works and the trunk window? Heater works too. And I tested the voltage on the fog lights. Ground wire seems to be okay (tested this by hooking a battery plus with a multimeter and checking the ground at fog light cable) and it shows 12.6 so that's good. But the + wires shows 10.5v (did this by hooking - cable at the battery and putting it on the + side of cable in the fog light connector) so I don't know if 2 volts is enough to not make it light up and also the fog light indicator in the dash doesn't light up either. Thanks a lot again.
Was this
answer
helpful?
Yes
No
Wednesday, January 13th, 2021 AT 9:21 PM
Tiny
JEROME MANABAT BJøRN
  • MEMBER
  • 5 POSTS
Also if you could help me out with code c123f. I basically changed the steering angle sensor because the old one was faulty and when I turn the steering wheel it lights up with the airbag. So I replaced with this the one I crashed one. But now it lights up the esp bas and traction control light, also the steering wheel is off by 15 degrees to the left. Im going to try to allign the wheel today and maybe it needs a calibrating with the steering angle sensor. I will come back here if I solved this problem. :) Thanks a lot again sir.
Was this
answer
helpful?
Yes
No
Wednesday, January 13th, 2021 AT 9:25 PM
Tiny
STEVE W.
  • MECHANIC
  • 15,685 POSTS
For the steering angle sensor, it will need to be calibrated and the system reset. If it is off it can turn on the traction control light as it will disable the system due to the error.

The 2 volt drop on the fogs shows you have a problem, Probably corrosion in the system either at a connector or the wires themselves. The issue isn't so much voltage as current. That is why a meter works but using a test light with a higher load works better. To explain it, think about what the wire does, a single strand of very light wire will show correct voltage, but that single strand cannot carry the amount of amperage needed to light the lights. So they wind a few strands together to increase the amount of current the wire can carry to light up the lights. In your case the wires cannot carry that amount and you get no lights, plus as there is an issue it also is blowing the fuses. I would trace the fog light wires back, you need to look for damage, rust or other reason why the wires cannot carry the proper current. It's one of the reasons I try to use a test light in situations like this, the loading makes a difference, in your case the fog lights are the test lights. As you are going to school for this you might want to ask about voltage drop and what it means.
Was this
answer
helpful?
Yes
No
+1
Wednesday, January 13th, 2021 AT 10:02 PM

Please login or register to post a reply.