HOME
ASK A QUESTION
REPAIR GUIDES
BECOME A MEMBER
LOG IN
Login with Facebook
OR
Remember me
NOT A MEMBER?
FORGOT PASSWORD?
CONTACT US
PRIVACY POLICY
TERMS AND CONDITIONS
☰
Home
Toyota
Ractis
Exterior Light
Running Light
Not Working
Fog lights, tail lights and lower dash all not working
MWILAGREGORY7
MEMBER
2006 TOYOTA RACTIS
1.3L
4 CYL
2WD
AUTOMATIC
189 MILES
Fog lights not switching on and taillights not working including lower dash where there is AC and heater switches.
Monday, November 25th, 2019 AT 10:54 AM
1 Reply
KEN L
MASTER CERTIFIED MECHANIC
55,383 POSTS
Hello,
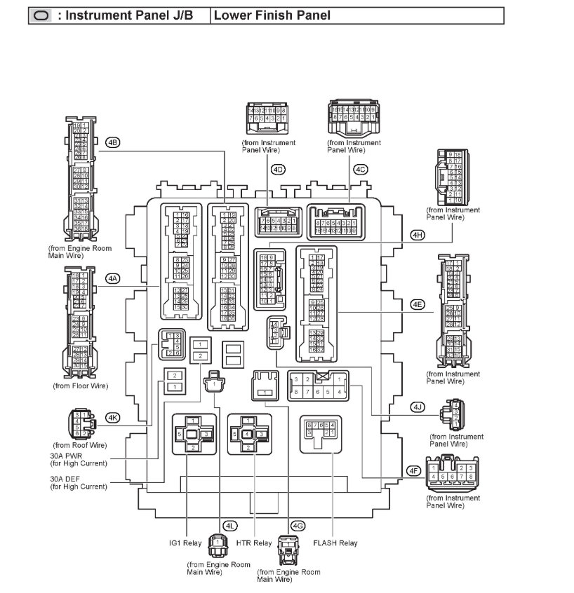
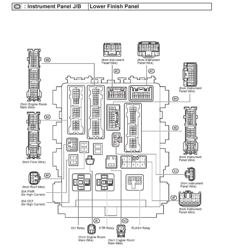
The first thing we must do is check the fuses. here is a guide with the fuse locations as well. test with the key on.
https://www.2carpros.com/articles/how-to-check-a-car-fuse
Check out the diagrams (below). Please let us know what you find. We are interested to see what it is.
Images (Click to make bigger)
Was this
answer
helpful?
Yes
No
Tuesday, November 26th, 2019 AT 5:52 PM
Please
login
or
register
to post a reply.
Ask a Car Question. It's Free!
How to Use a Test Light
Turn Signals Blink Fast
Have a Dim Headlight? - Try Replacing This!