Fog light not working even after replacing the bulb?

Tiny
TROY LEE
  • MEMBER
  • 2014 HYUNDAI SANTA FE
  • 2.0L
  • 4 CYL
  • TURBO
  • 4WD
  • AUTOMATIC
  • 102,000 MILES
I replaced the fog light bulb and the light still does not work.
Tuesday, August 30th, 2022 AT 1:19 PM

1 Reply

Tiny
JACOBANDNICKOLAS
  • MECHANIC
  • 110,192 POSTS
Hi,

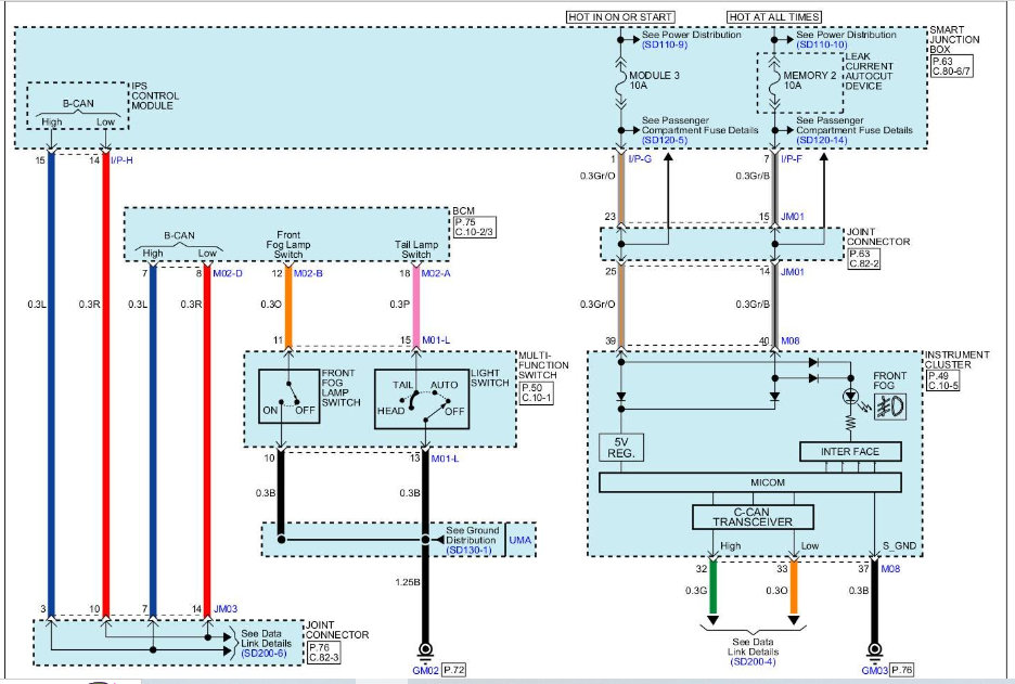
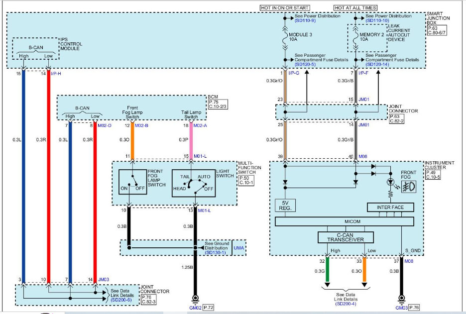
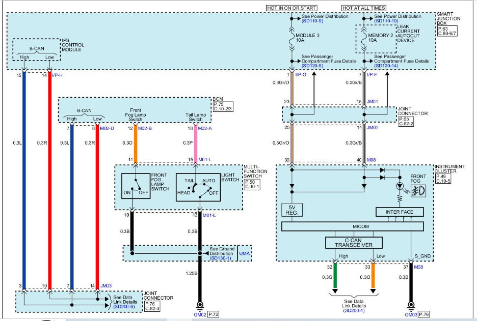
I looked at the wiring schematics and noted that there are a few different modules that communicate via what is called the can-bus which may be the issue. However, let's start easy.

If you look at pic 1, you will see different modules. Pic 2 shows the power supply for the fog lights. Start there. See if the fuse is good. In addition to checking the fuse, confirm there is power to and from it.

Here is a link you may find helpful:

https://www.2carpros.com/articles/how-to-check-a-car-fuse

Pic 3 shows the fuse location.

Let me know if this helps or if you have other questions. Also, let me know if both bulbs failed at the same time.

Take care,

Joe

See pics below.

Was this
answer
helpful?
Yes
No
Tuesday, August 30th, 2022 AT 8:07 PM

Please login or register to post a reply.