Flashing interior dome lights

Tiny
SNSHN1981
  • MEMBER
  • 2008 MERCURY SABLE
  • 2WD
  • AUTOMATIC
  • 156,600 MILES
I had to get a new rim and new tires. After this the tire pressure sensor fault light came on. I went into the pace I got the tires mounted and they hooked it up to the reader and now when I turn my car on the dome lights will flash on and off every couple seconds. He said there was a code and now I have to take it to a dealer. Is there an easy fix to this? I have no idea what the idiot did as I didn’t have the problem before he touched it.
Thursday, December 16th, 2021 AT 5:02 PM

1 Reply

Tiny
JACOBANDNICKOLAS
  • MECHANIC
  • 110,192 POSTS
Hi,

It's odd both the tire and rim needed to be replaced if the tire pressure sensor was bad. Regardless, this is an interesting one. By any chance, did he tell you what the stored code was?

If he didn't, drive the vehicle to an auto parts store and have them scan it. Most will do it for free. Let me know what code they find.

Here is a link showing what I am describing needs done:

https://www.2carpros.com/articles/can-scan-controller-area-network-easy

Also, make sure the doors are all closed tightly as well as the trunk lid. (Sorry, I had to ask. Chances are you already did).

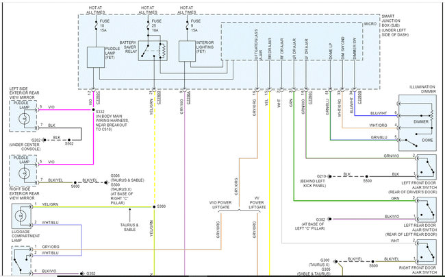
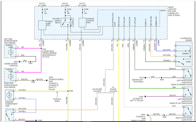
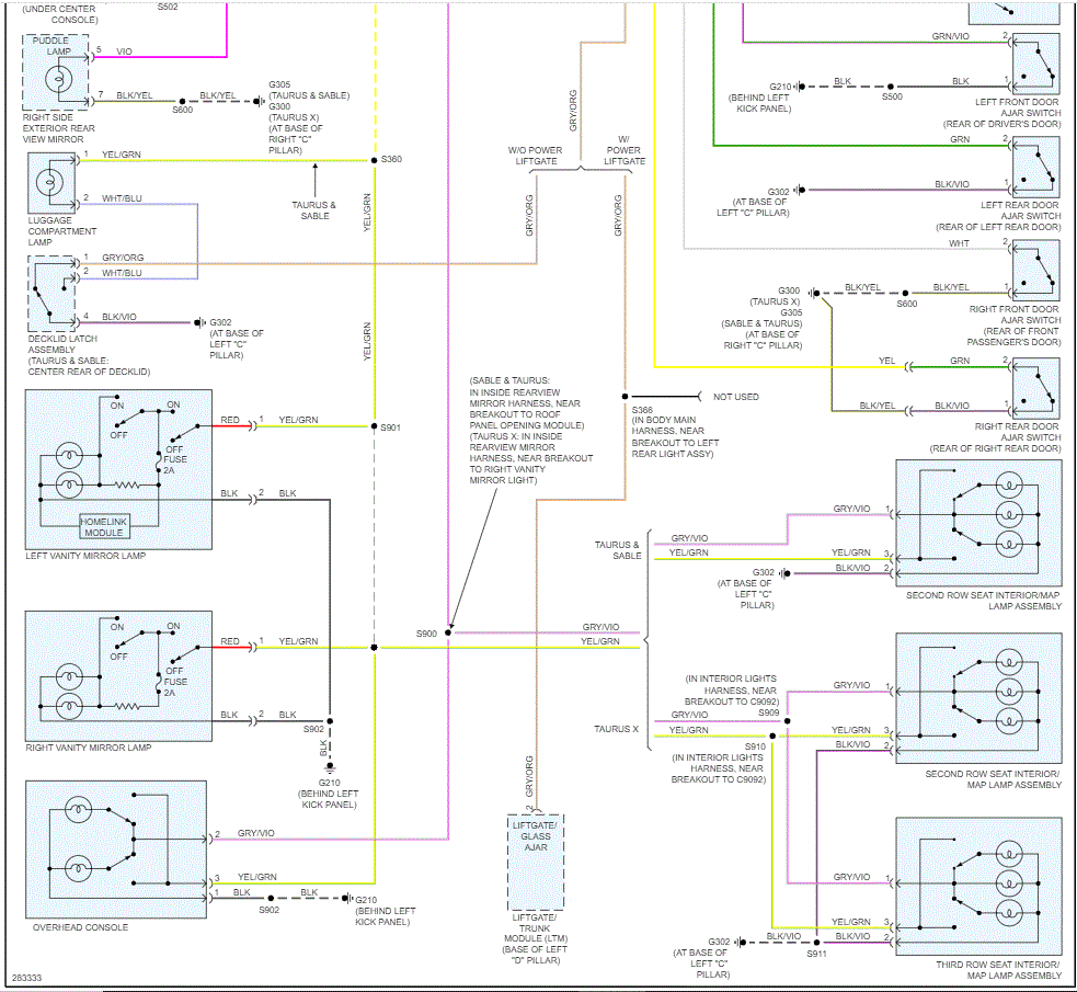
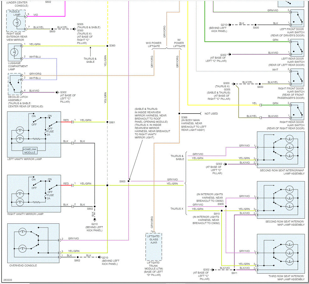
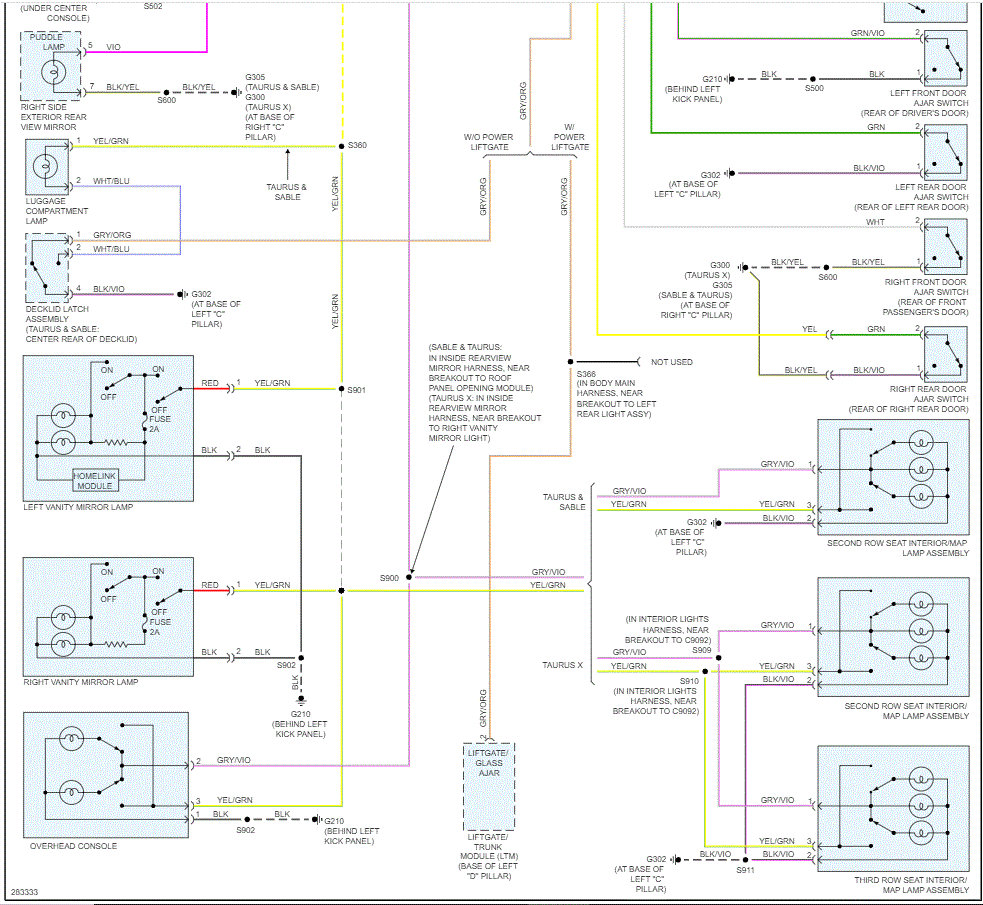
I attached the wiring schematic for the interior courtesy lighting for your reference.

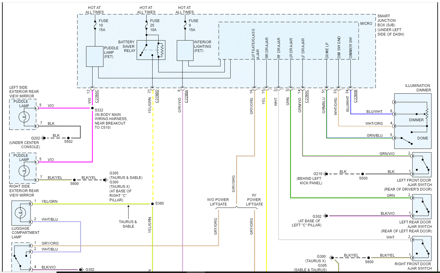
Also, check fuses in the smart junction box that I highlighted in pic 3. I have a feeling fuse 20 is blown and they were not able to communicate with the computer.

In addition, there is an interior lamp relay. Make sure it is tight. Here is a link that explains how to test one. The relay is in the same fuse box and the fuses (interior/smart junction box). The pics I have don't show the relay's location.

Also, note that the TPMS functionality is also contained in the same fuse box. If you look at pic 4, it shows the very basic design.

Let me know what you find or if you have other questions.

Take care,

Joe

See pics below.
Was this
answer
helpful?
Yes
No
Thursday, December 16th, 2021 AT 6:40 PM

Please login or register to post a reply.