After car was in an accident the turn signals and hazard lights do not work

Tiny
ALAJHOTROD
  • MEMBER
  • 2002 MITSUBISHI PAJERO
  • 3.5L
  • V6
  • 4WD
  • AUTOMATIC
  • 25,000 MILES
My son had a accident running with his car listed above which damaged drivers side guard bonnet headlight and bumper. So he replaced all of them and now his turn signals do not work or hazard lights. Can you please help?
Tuesday, January 28th, 2020 AT 12:36 AM

11 Replies

Tiny
ALAJHOTROD
  • MEMBER
  • 8 POSTS
And can someone tell me where is the flasher unit for the blinkers?
Was this
answer
helpful?
Yes
No
Tuesday, January 28th, 2020 AT 4:39 PM
Tiny
TOUGHDIVER
  • MECHANIC
  • 224 POSTS
Hi,

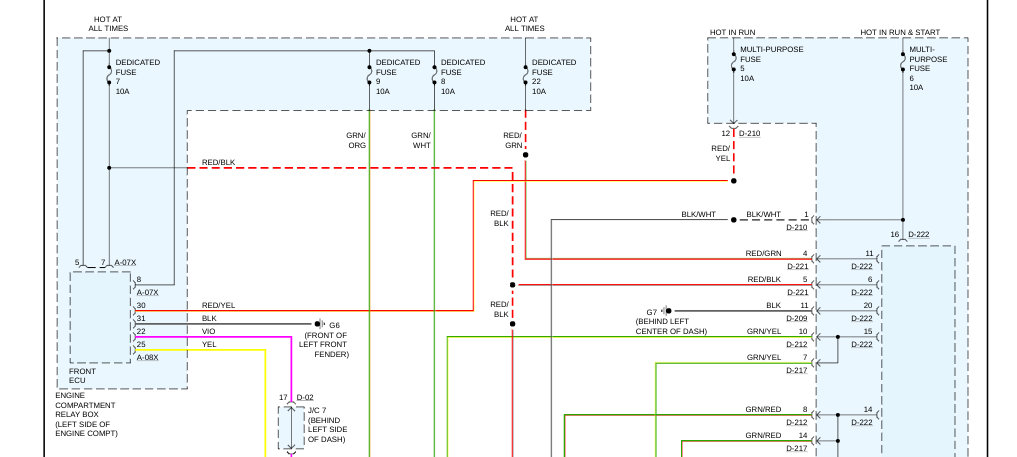
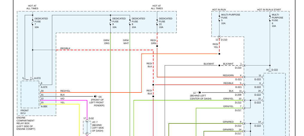
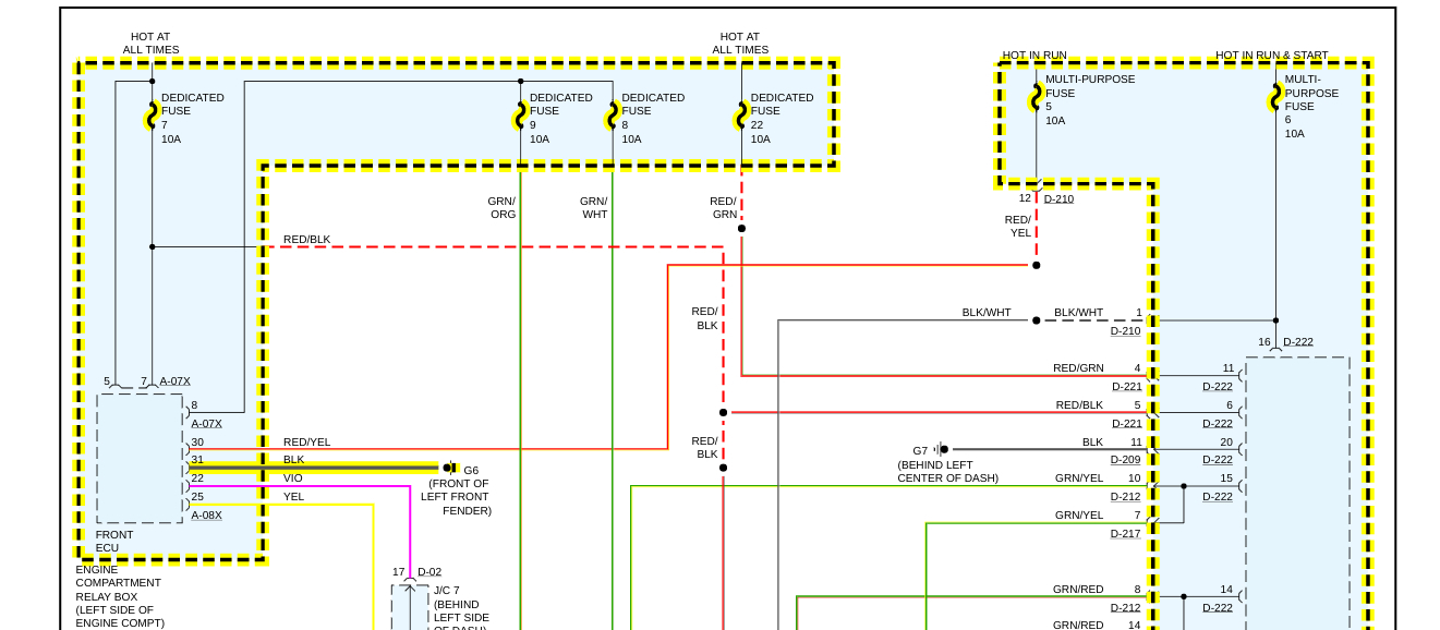
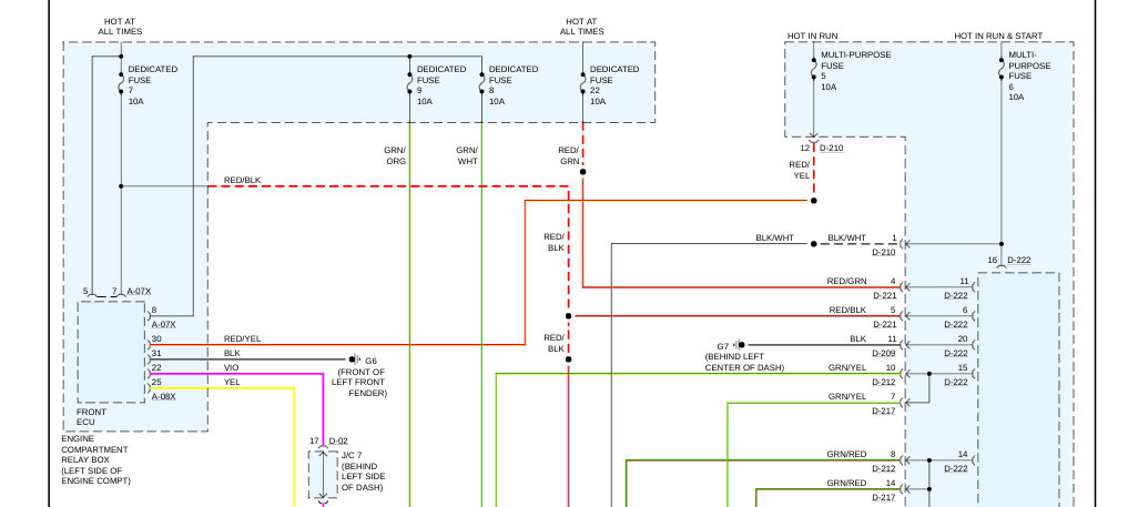
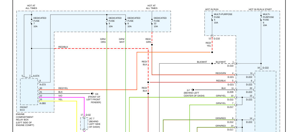
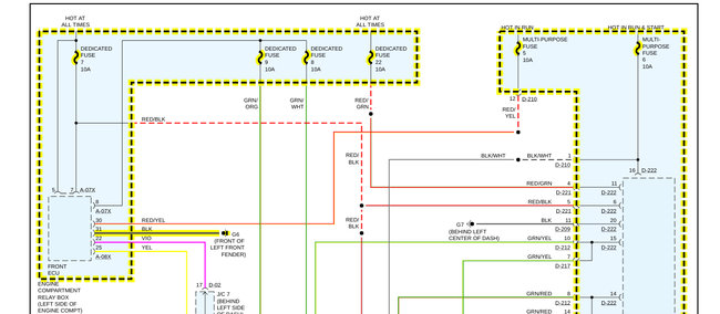
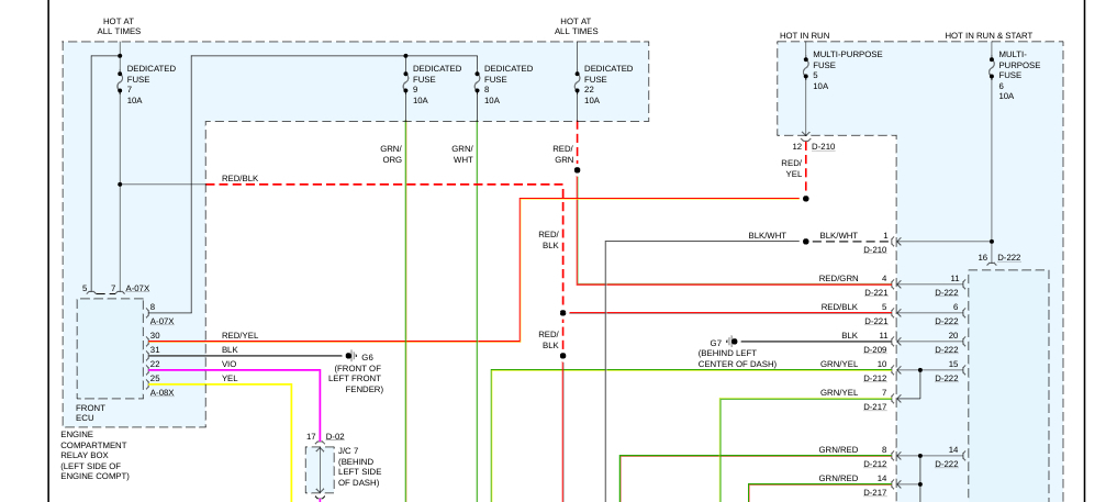
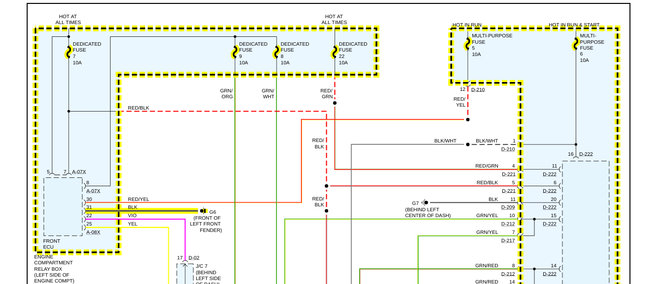
It could be the ground wire in front of the left fender may it have been damaged in the accident or loose be sure to find it and make sure it is tight and have a good clean connection to the body. Check all the fuses I have highlighted in the wiring diagram below.
If you need more information let us know and we will get it for you.

Thank you
Joe T.
Was this
answer
helpful?
Yes
No
Tuesday, January 28th, 2020 AT 4:54 PM
Tiny
ALAJHOTROD
  • MEMBER
  • 8 POSTS
No all earth wires still connected. Thanks anyway Joe T.
Was this
answer
helpful?
Yes
No
Tuesday, January 28th, 2020 AT 7:34 PM
Tiny
TOUGHDIVER
  • MECHANIC
  • 224 POSTS
Hi,

Here is how the turn signal and hazards operate the fasher is incorporated into the ECU and it sets the timer for the turn signal and hazards. Try clearing the ECU trouble codes by unhooking the battery for ten minutes if there is an error in the system it may be disabling the turn signals and hazards.

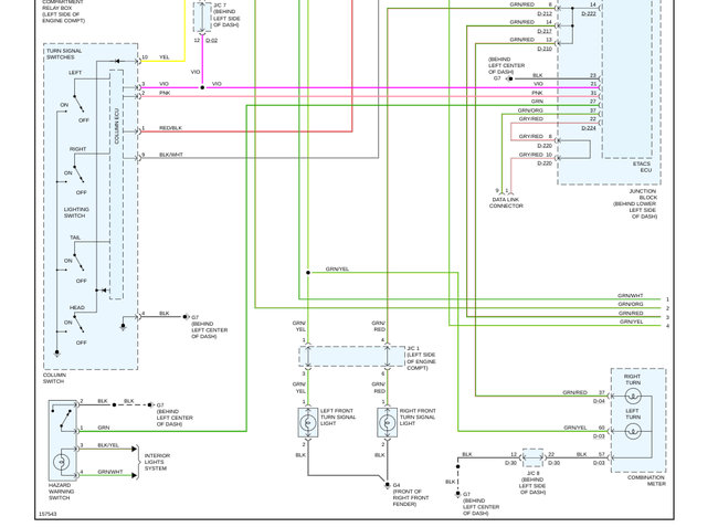
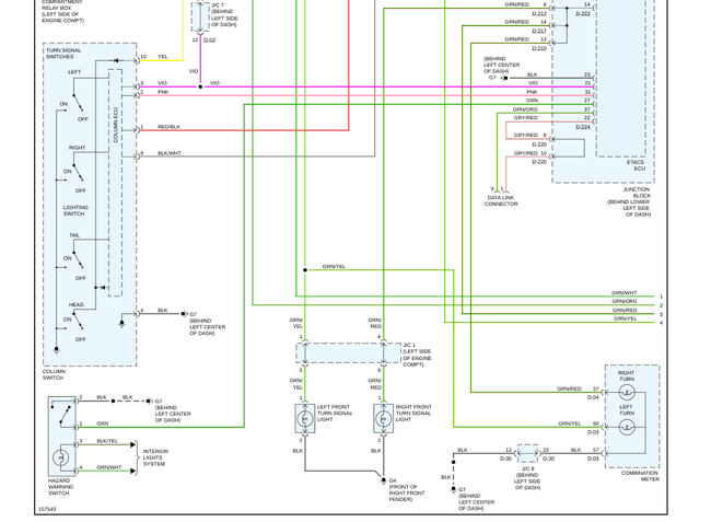
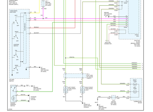
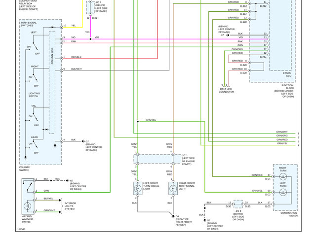
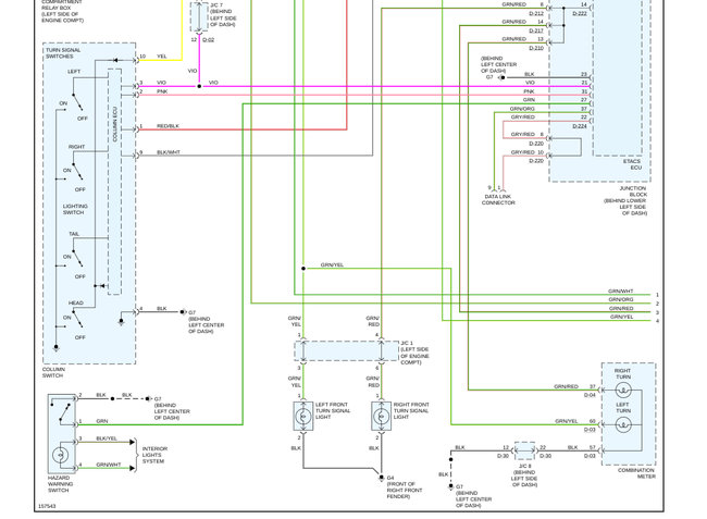
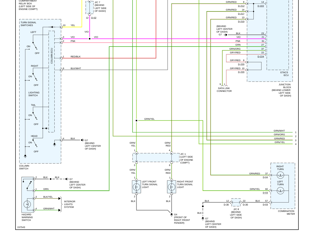
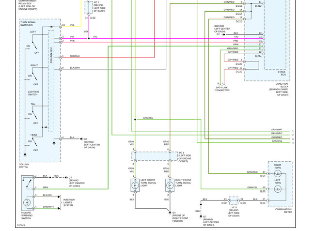
CIRCUIT OPERATION
- The turn-signal light switch sends a signal through the column-ECU (incorporated in the column switch) to the ETACS-ECU. If the column-ECU sends a turn-signal light switch "ON" signal to the ETACS-ECU, the ETACS-ECU turns on the flasher timer (incorporated in the ETACS-ECU), thus causing the turn-signal lights to flash.
- The ETACS-ECU operates the turn-signal lights according to the following signals:
- Ignition switch (IG1)
- Turn-signal light switch

TECHNICAL DESCRIPTION (COMMENT)

Is the turn-signal lights do not flash normally, the input circuits from the switches described in "CIRCUIT OPERATION" or the ETACS-ECU may be defective. If the hazard warning lights do not flash, the power supply line to the ETACS-ECU (dedicated to the turn-signal lights) may be defective.

TROUBLESHOOTING HINTS

- Malfunction of column switch (turn-signal light and lighting switch)
- Malfunction of the ETACS-ECU
- Damaged harness wires or connectors
Let us know if you need more information.

Thanks
Joe Terwilliger
Was this
answer
helpful?
Yes
No
+1
Tuesday, January 28th, 2020 AT 10:41 PM
Tiny
ALAJHOTROD
  • MEMBER
  • 8 POSTS
Thanks Joe. My son disconnected the battery and it fixed it up. Thanks again.
Was this
answer
helpful?
Yes
No
Wednesday, January 29th, 2020 AT 1:38 AM
Tiny
TOUGHDIVER
  • MECHANIC
  • 224 POSTS
That's awesome glad to hear it, Thank you for choosing 2CarPros and letting us know
what fixed the car. We really appreciate it.

Joe Terwilliger
Was this
answer
helpful?
Yes
No
Thursday, January 30th, 2020 AT 6:19 PM
Tiny
ALAJHOTROD
  • MEMBER
  • 8 POSTS
Thank you Joe for all your help.
Was this
answer
helpful?
Yes
No
Friday, January 31st, 2020 AT 1:52 AM
Tiny
TOUGHDIVER
  • MECHANIC
  • 224 POSTS
You are welcome and thanks again. We're here when you need us.

Joe T.
Was this
answer
helpful?
Yes
No
+1
Monday, February 3rd, 2020 AT 8:42 AM
Tiny
ALAJHOTROD
  • MEMBER
  • 8 POSTS
Joe has Mitsubishi Pajero 2002 got fuses for the front turn signals my son rings me up and tells me he just replaced the globe in the passengers side turn signal and it still will not work I asked him did he check the fuses and he is saying there is only 1 for the hazard lights?Thanks Allan
Was this
answer
helpful?
Yes
No
Tuesday, March 3rd, 2020 AT 1:57 AM
Tiny
ALAJHOTROD
  • MEMBER
  • 8 POSTS
Can anyone tell me has Mitsubishi Pajero 2002 model got fuses for the front turn signals please?
Was this
answer
helpful?
Yes
No
Tuesday, March 3rd, 2020 AT 5:24 PM
Tiny
STEVE W.
  • MECHANIC
  • 15,697 POSTS
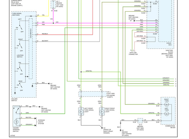
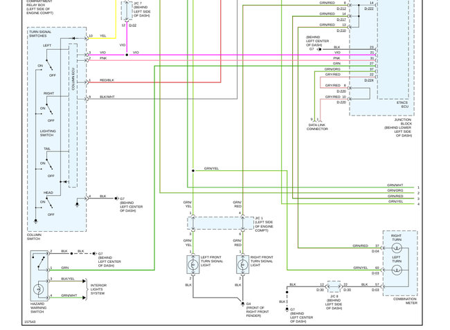
The wiring diagram shows a single fuse for all of the turn signals, front and rear. As it had been in an accident I would check the wiring itself as it is easy for them to be damaged, especially the ground side. Testing is simple, when turned on does the parking filament in that light work? If yes the ground is likely okay and it is a power problem. Does the interior light for that same side work? If yes then the switch is okay. Does the rear light on the same side flash properly? If yes then I would test the wiring for the light. The turn lamp wire is the green wire with the yellow stripe. Black is ground, green with white is the parking light.
Was this
answer
helpful?
Yes
No
Wednesday, March 4th, 2020 AT 8:04 PM

Please login or register to post a reply.