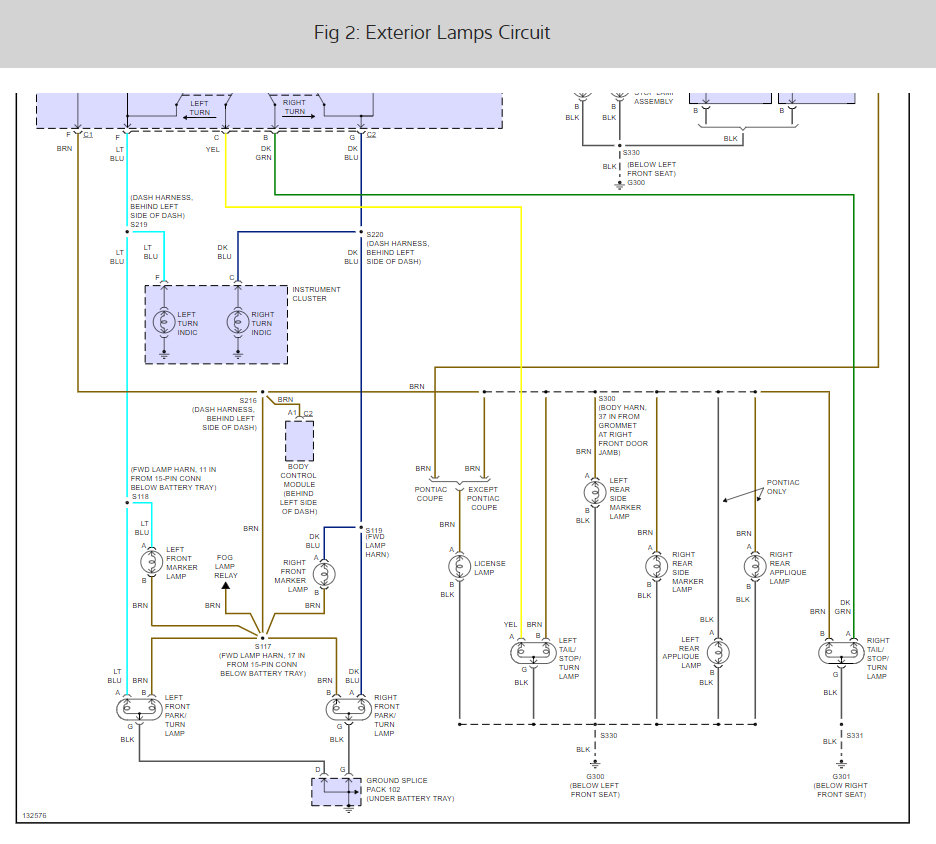
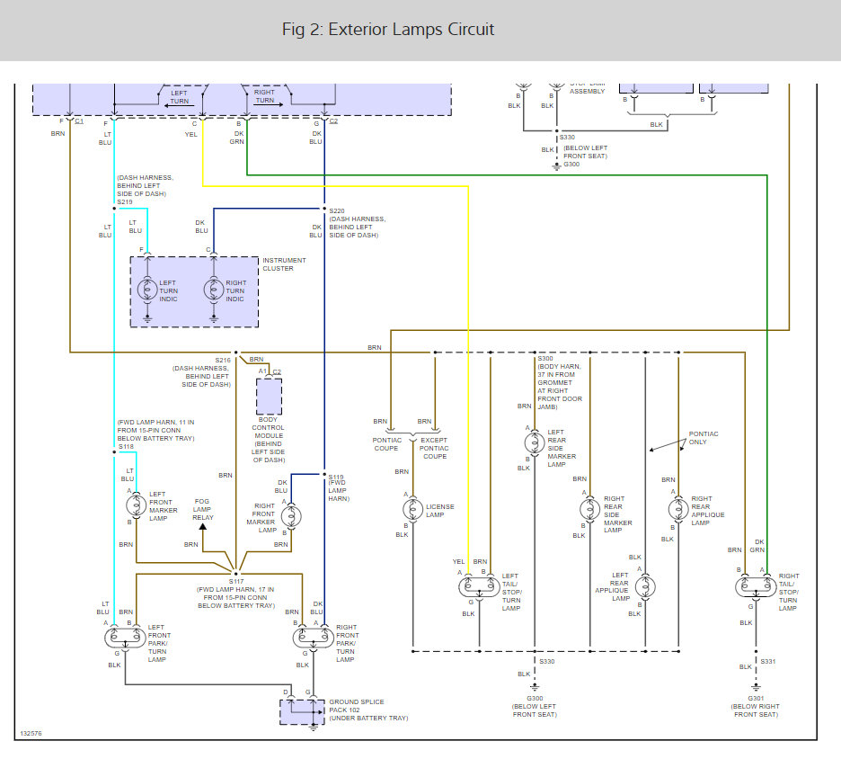
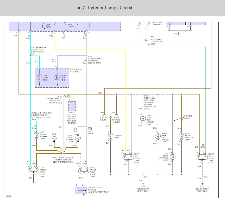
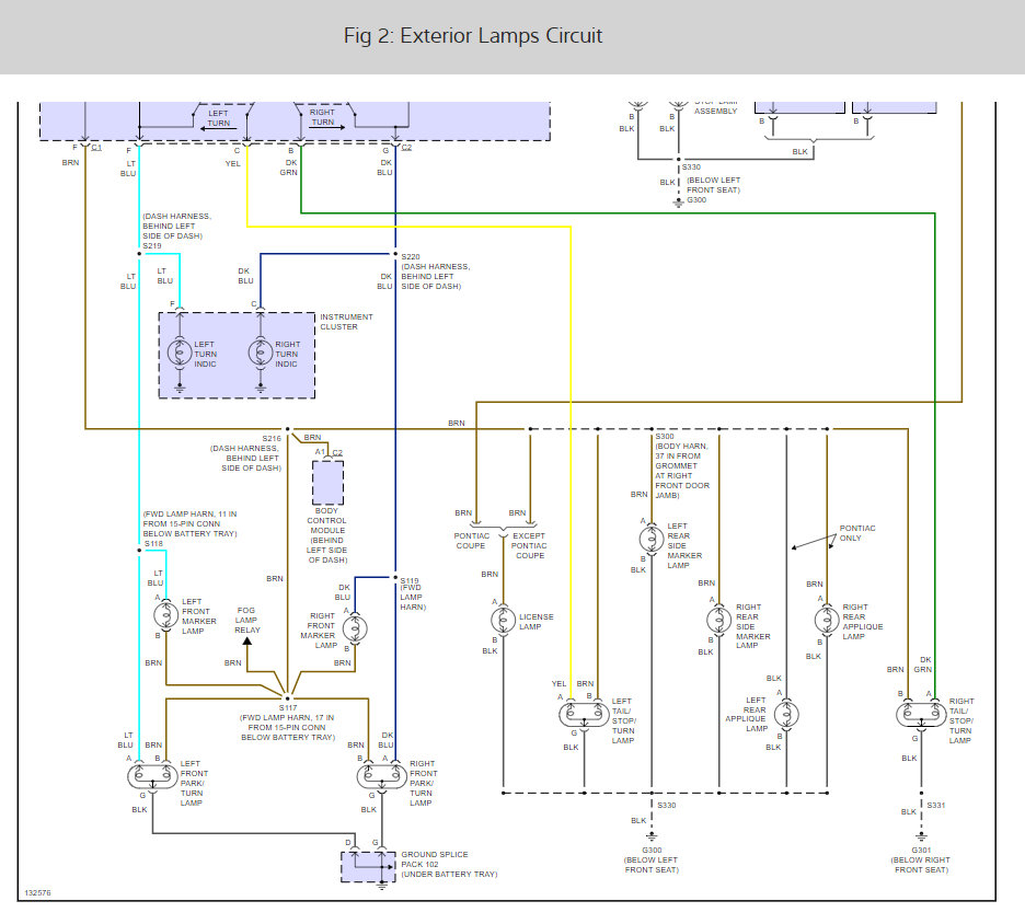
Saturday, March 3rd, 2018 AT 11:39 AM
I have located the flasher relay, but it is held in place by a plastic nub that is protruding through a metal bar. How to I remove it?



