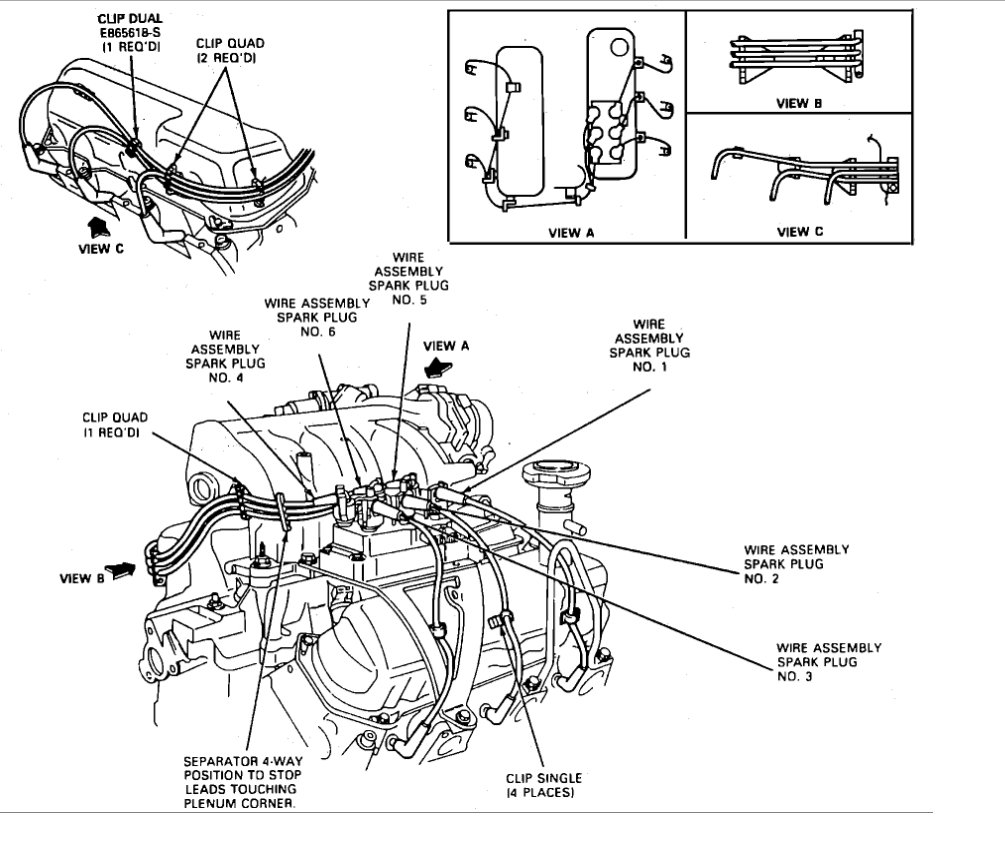
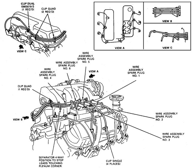
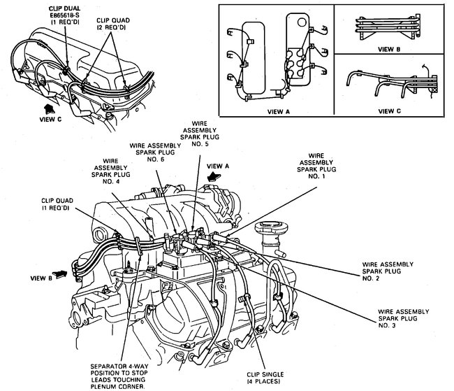
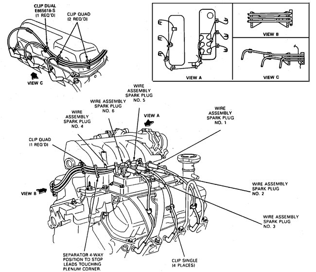
I put a new engine in my truck. And it is just not right it is not idling correct. We think we have the firing order off. Does anyone know the exact firing order for my SUV or have any suggestions on what to check?
Was this helpful?
Yes
No
Friday, October 9th, 2020 AT 9:40 AM
(Merged)










