Firing order?

Tiny
AARONCOLLIGNON
  • MEMBER
  • 2006 FORD EXPLORER
  • 6 CYL
  • 4WD
  • AUTOMATIC
Need to see a diagram of correct spark plug order for a 2006 ford explorer?
Thursday, January 13th, 2011 AT 1:00 AM

8 Replies

Tiny
BMRFIXIT
  • MECHANIC
  • 19,053 POSTS
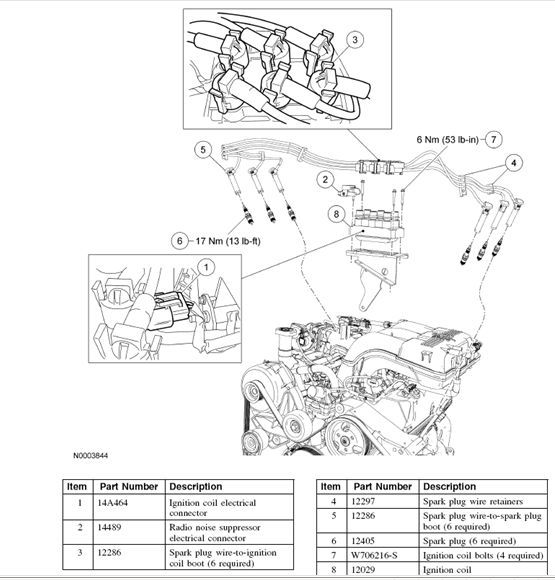
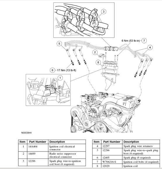
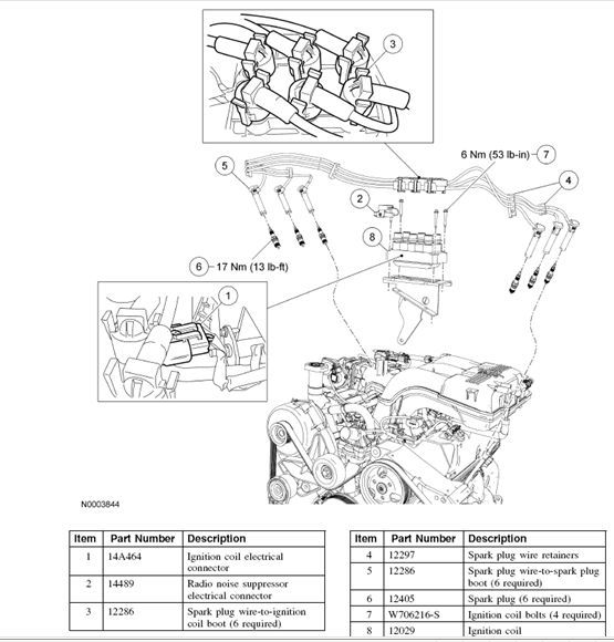
Here is the firing order for both engine in case someone needs them both. Check out the diagrams (Below). Please let us know if you need anything else to get the problem fixed.
Was this
answer
helpful?
Yes
No
-2
Thursday, January 13th, 2011 AT 1:36 AM
Tiny
LGREZA
  • MEMBER
  • 1 POST
  • 2004 FORD EXPLORER
My son changed out my plugs/wires and he believes he put in same order but my engine turns off it also has a smell to it. I just want to make sure they are in the correct order.
Was this
answer
helpful?
Yes
No
+1
Saturday, March 13th, 2021 AT 6:14 PM (Merged)
Tiny
WRENCHTECH
  • MECHANIC
  • 20,761 POSTS


https://www.2carpros.com/forum/automotive_pictures/561653_Firing_order_04_Explorer_40_1.jpg

Was this
answer
helpful?
Yes
No
+11
Saturday, March 13th, 2021 AT 6:14 PM (Merged)
Tiny
KEN L
  • MASTER CERTIFIED MECHANIC
  • 55,291 POSTS
Here is the firing order for both engines.

V8 Firing Order: 1 3 7 2 6 5 4 8

V6 Firing order: 1-4-2-5-3-6

I included the diagrams below that include the Mountaineer firing order because while they are the same firing order the coils are numbered different. If you don't have the wires on the coils correct then the firing order will be off.

Please let us know if you need anything else.

Cheers, Ken
Was this
answer
helpful?
Yes
No
+7
Saturday, March 13th, 2021 AT 6:14 PM (Merged)
Tiny
JDOG45211
  • MEMBER
  • 1 POST
  • 2000 FORD EXPLORER
  • V8
  • 4WD
  • AUTOMATIC
  • 35,000 MILES
I need to now the firing order for my 2000 ford explorer. A diagram would help.
Was this
answer
helpful?
Yes
No
+1
Saturday, March 13th, 2021 AT 6:15 PM (Merged)
Tiny
DLOBI
  • MEMBER
  • 125 POSTS
Starting on the passenger side from grill towards firewall is 1 2 3 4.
Drivers side grill to firewall is 5 6 7 8.
If you need to know coil pack wire position, I need to know if it is a 4.6 or 5.0 liter.
Was this
answer
helpful?
Yes
No
+12
Saturday, March 13th, 2021 AT 6:15 PM (Merged)
Tiny
VICKICOX2001
  • MEMBER
  • 1 POST
  • 2000 FORD EXPLORER
  • V8
  • 2WD
  • AUTOMATIC
I have the vehicle listed above with a 5.0L engine. I changed my spark plugs and cables now the SUV shakes when I start it. Could you please give me a diagram of the firing order? Thank you so very much.
Was this
answer
helpful?
Yes
No
Saturday, March 13th, 2021 AT 6:15 PM (Merged)
Tiny
DOCFIXIT
  • MECHANIC
  • 18,828 POSTS
Hello,

Here is the firing order for you engine. Check out the diagrams (below). Please let us know if you need anything else to get the problem fixed.

Cheers
Was this
answer
helpful?
Yes
No
+9
Saturday, March 13th, 2021 AT 6:15 PM (Merged)

Please login or register to post a reply.