Firing order diagram please?

Tiny
NETT86
  • MEMBER
  • 1986 BUICK PARK AVENUE
  • 3.8L
  • 6 CYL
  • AUTOMATIC
  • 86,000 MILES
I can't figure out the spark plugs sequence I need a diagram please.
Tuesday, September 9th, 2025 AT 1:44 PM

1 Reply

Tiny
STEVE W.
  • MECHANIC
  • 15,616 POSTS
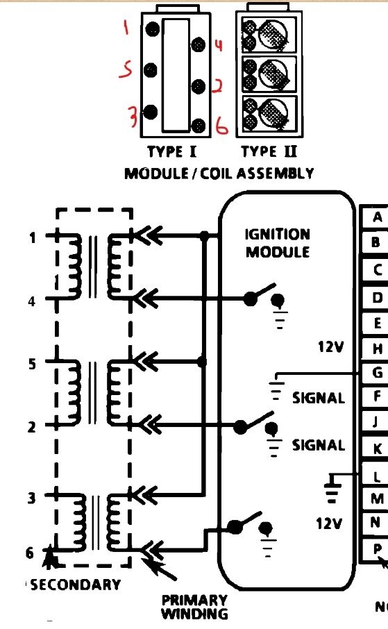
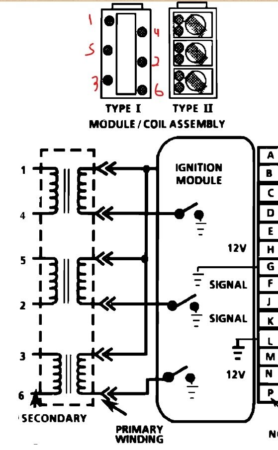
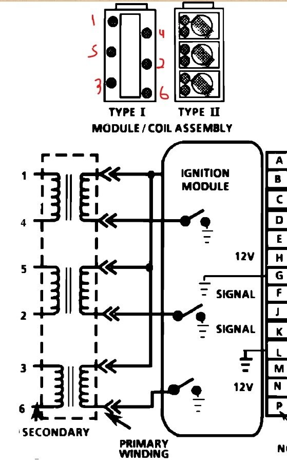
The coils on that car use a waste spark system, It fires two cylinders at the same time but one produces power while the other is on the exhaust stroke. This makes it easier to deal with the plug wires. Each coil gets two cylinders 1 and 4, 5 and 2. 3 and 6. The image and coloring show the paired cylinders. As to the exact order, as long as 1 and 4 go the first coil, 5 and 2 to the second and 3 and 6 on the last one you are fine. IE you can have them as shown, or you can reverse 1 and 4 locations, as long as they stay on that first coil.
Some of the coils will even have the numbers cast in the coil.
Was this
answer
helpful?
Yes
No
+1
Wednesday, September 10th, 2025 AT 1:05 AM

Please login or register to post a reply.