HOME
ASK A QUESTION
REPAIR GUIDES
BECOME A MEMBER
LOG IN
Login with Facebook
OR
Remember me
NOT A MEMBER?
FORGOT PASSWORD?
CONTACT US
PRIVACY POLICY
TERMS AND CONDITIONS
☰
Home
Chevrolet
S-10
Ignition
No Spark
No fire to spark plugs
KEVIN DUCRE SR.
MEMBER
2000 CHEVROLET S-10
2.2L
4 CYL
2WD
AUTOMATIC
189,000 MILES
Just installed new transmission and now it will not fire to my spark plugs and the coil packs are new. What could it be?
Monday, October 15th, 2018 AT 12:19 PM
1 Reply
ASEMASTER6371
MECHANIC
52,796 POSTS
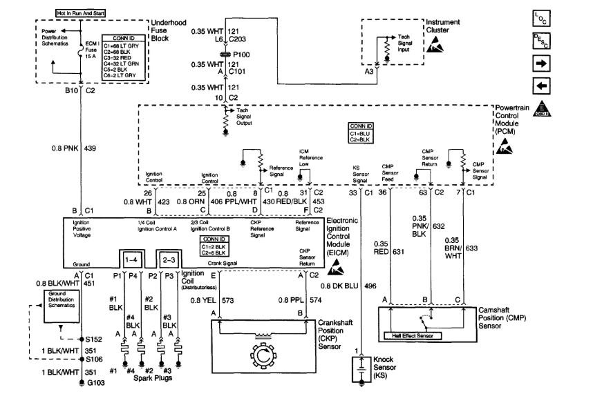
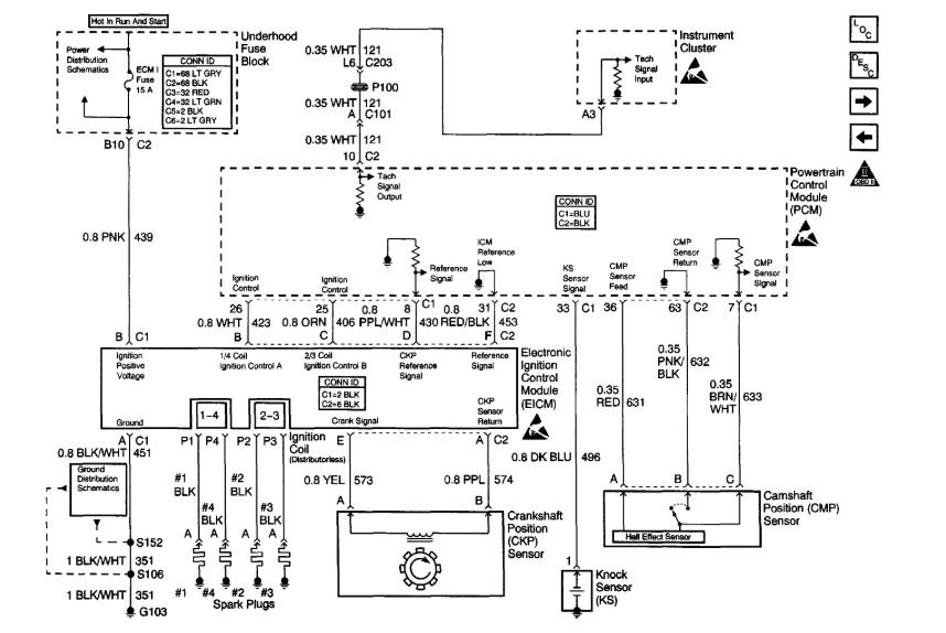
Good afternoon.
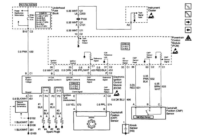
Did you check all the ground wires? There were ground wires on the bell housing bolts that hold the transmission to the engine.
G103 in the diagram.
Roy
Images (Click to make bigger)
Was this
answer
helpful?
Yes
No
Monday, October 15th, 2018 AT 12:45 PM
Please
login
or
register
to post a reply.
Related No Spark Content
No Spark?
Just Installed New Crate Engine After Truck Sat For 1 Year. Replaced Ignition Coil And Had Ignition Module Checked(ok). P/u Coil Is About 3...
Asked by
markrlr300
·
27 ANSWERS
6 IMAGES
1989
CHEVROLET S-10
GUIDE
Ignition Spark Check
An engine's ignition system is responsible for igniting the fuel-air mixture inside the combustion chamber and when the ignition process stops the engine will not run....
No Spark? Ignition?
I Have A 99 S10 2wd Auto With A 4.3 Its Not Getting Spark I Checked Just About Everything. I Bought The Truck From A Guy And The Wiring Was...
Asked by
cpatton119
·
42 ANSWERS
1999
CHEVROLET S-10
S-10 No Spark Bad Compression
I Have A 93 S-10 4x4 (143,000mi) With A 4.3 (z Vin)with An Automatic Tranny. It Has A Slight Knock During Acceleration And Feels Like It's...
Asked by
bergum
·
5 ANSWERS
2010
CHEVROLET S-10
Firing Order
What Is The Firing Order?
Asked by
gitano13
·
30 ANSWERS
5 IMAGES
2000
CHEVROLET S-10
2000 Chevy S-10 Distributor Initial Timing
A Repair Manual Directs Me To Set No. 1 To Tdc And Drop In The Distributor Pointed To The Cast-in No. 6. I Have Tried This, Moved One...
Asked by
BriBeck1007
·
1 ANSWER
19 IMAGES
2000
CHEVROLET S-10
VIEW MORE
Ask a Car Question. It's Free!
Ignition No Spark
Ignition System Testing
Ignition Coil System Test Repair - All Cars