Fault Codes 12 and 23

Tiny
CHERYL HOFF TOPPEN
  • MEMBER
  • 1993 OLDSMOBILE BRAVADA
  • 5.3L
  • 6 CYL
  • AWD
  • AUTOMATIC
  • 222,000 MILES
Even though the manifold pressure sensor and the intake air temperature sensor have both been replaced it is still throwing these two fault codes. Any ideas what could be wrong?
Sunday, October 2nd, 2016 AT 11:15 AM

1 Reply

Tiny
KASEKENNY
  • MECHANIC
  • 18,907 POSTS
First, the 12 code is the system is normal.

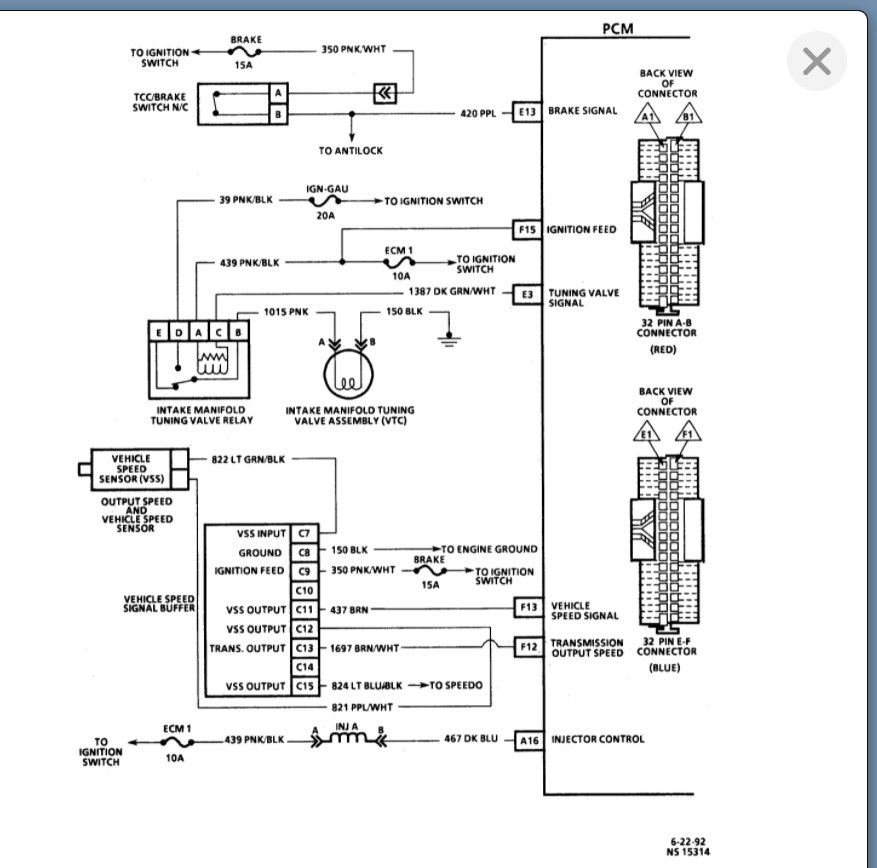
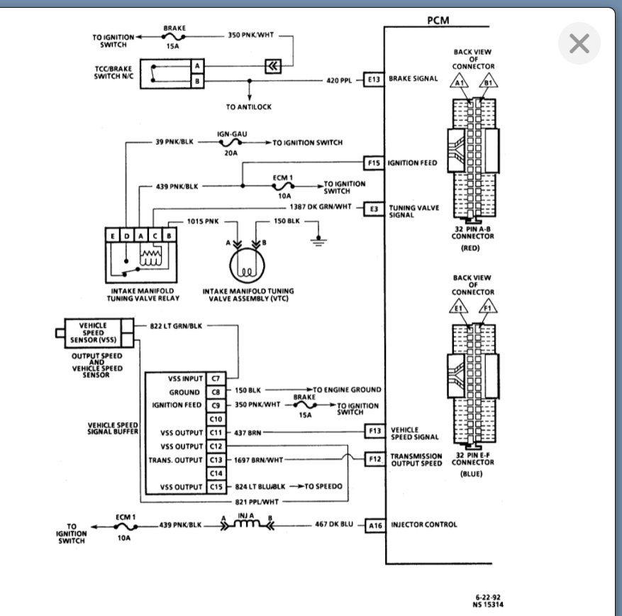
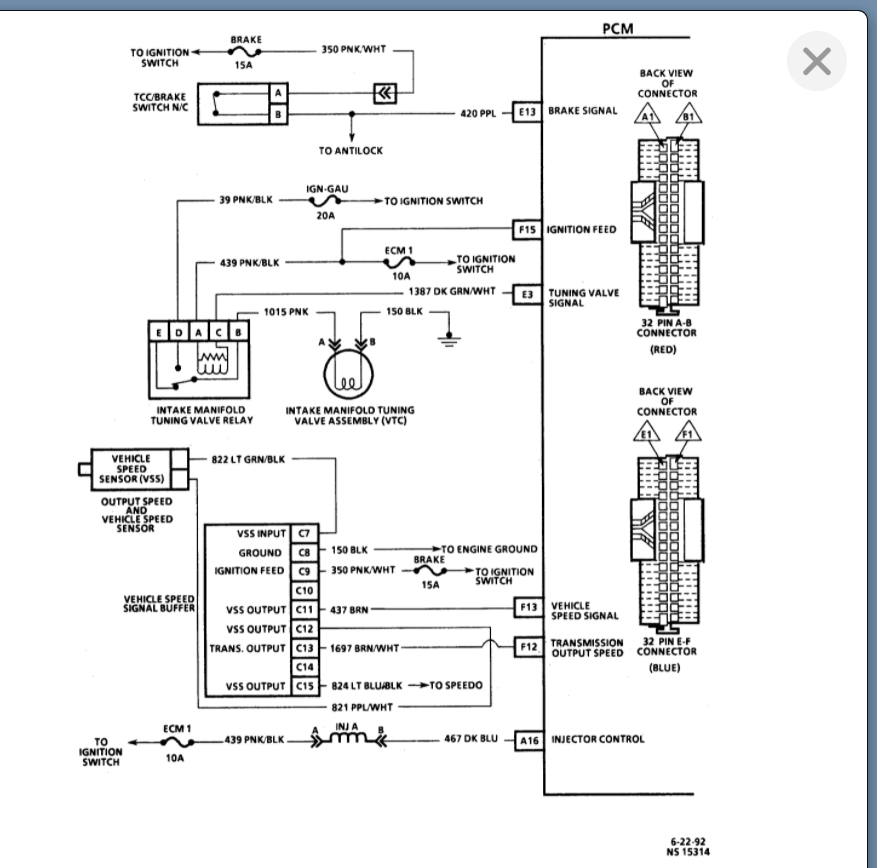
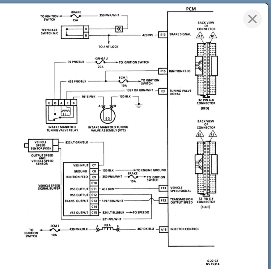
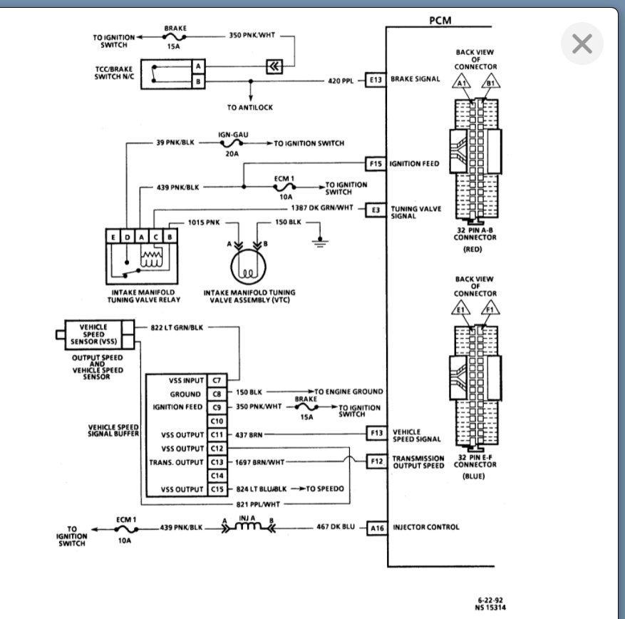
So that means we need to focus on the 23 which is the intake air temperature low code.

This means the voltage at the control module is too low which normally means there is a short to ground. So, if you replaced the sensor then that takes us to wiring or the control module.

https://www.2carpros.com/articles/buick-cadillac-chevy-gmc-oldsmobile-pontiac-gm-1983-1995-obd1-code-definitions-and-retrieval-method

I highly suspect we have a ground issue, so we need to check resistance to ground with the module and sensor unplugged. This should be an open circuit.

https://www.2carpros.com/articles/how-to-use-a-voltmeter

If not, then you have a wiring issue.

If it is an open circuit then we need to suspect the module.

Please run through this info and let me know what questions you have.

Thanks
Was this
answer
helpful?
Yes
No
Saturday, January 15th, 2022 AT 12:23 PM

Please login or register to post a reply.