Fans not coming on

Tiny
EDDIE101
  • MEMBER
  • 2001 PONTIAC GRAND PRIX
  • 3.1L
  • V6
  • 2WD
  • AUTOMATIC
  • 230,000 MILES
Changed thermostat (hardest thing to do in this car) and temperature sensor. The fans however did come in when I disconnected the temp sensor. Fans do not come on when A/C is on either.
Friday, June 4th, 2021 AT 7:45 PM

1 Reply

Tiny
JACOBANDNICKOLAS
  • MECHANIC
  • 110,194 POSTS
Hi,

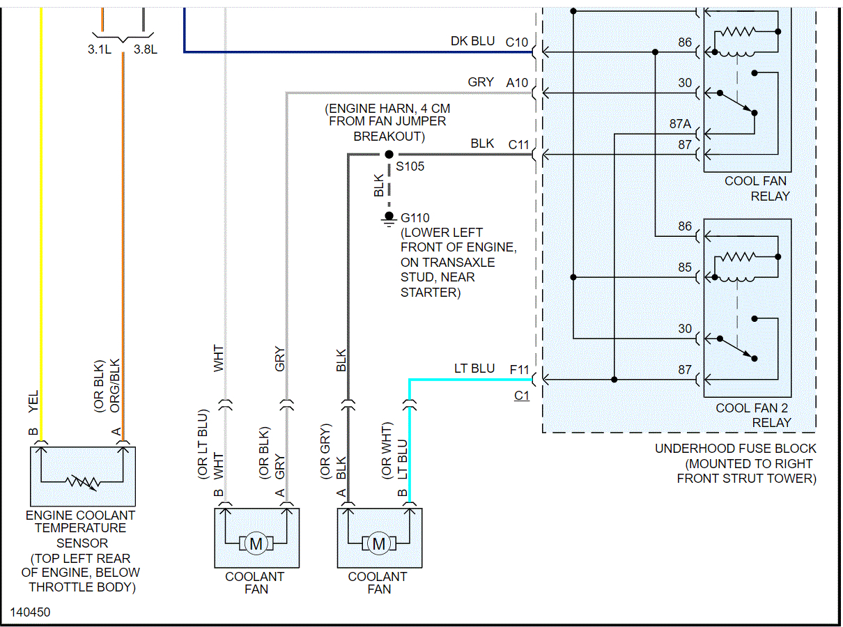
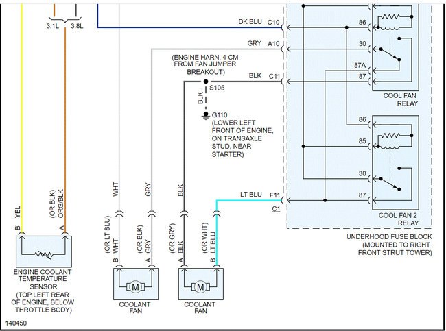
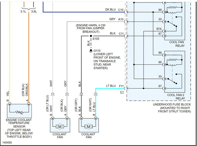
Have you done the basics such as check fuses and relays? If you look at pics 1 and 2, they show the entire wiring schematic for the cooling fan circuit. I highlighted the fuses and relays.

If you haven't checked the fuses, do that first. In pic 3, I highlighted the two fuses which power the cooling fans. In addition to checking the fuses, make sure there is power to them. Here is a link you may find helpful:

https://www.2carpros.com/articles/how-to-check-a-car-fuse

Also, switch the relays with different ones in the box having the same part number and see if that makes a difference.

Also, have you tried running power directly to the motors to see if they turn on? The fan motors could be bad.

The last pics are the diagnostics for inoperative cooling fans. Take a look through them and see if you are comfortable performing the tests.

Let me know what you find or if you have other questions.

Take care,

Joe

See pics below.
Was this
answer
helpful?
Yes
No
Friday, June 4th, 2021 AT 10:26 PM

Please login or register to post a reply.