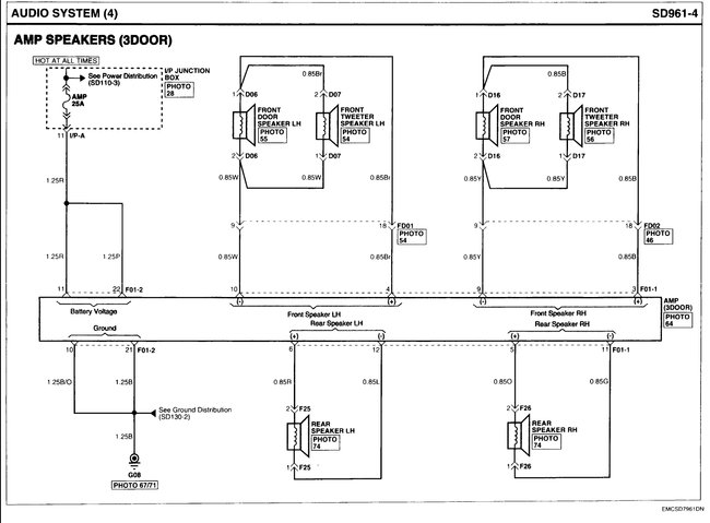
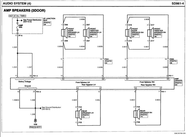
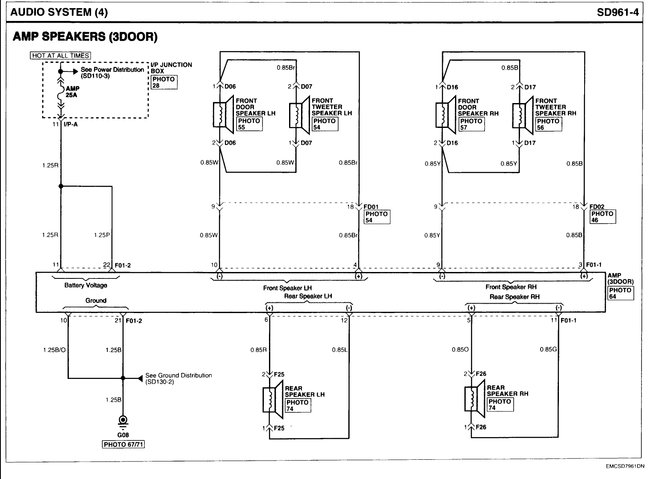
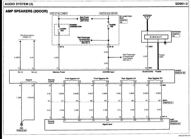
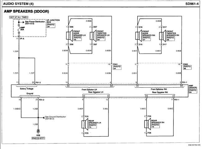
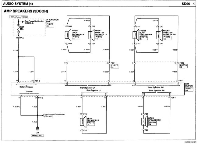
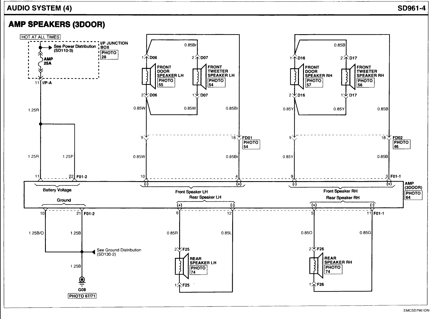
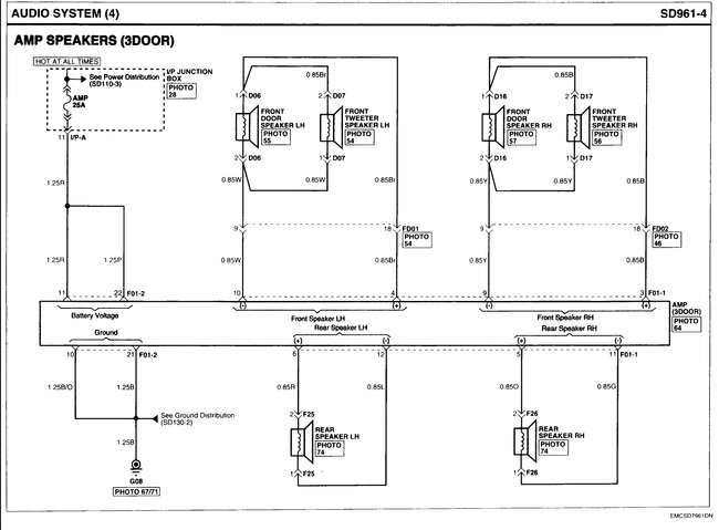
Factory amplifier location

Tiny
NEFF
  • MEMBER
  • 2007 HYUNDAI ACCENT
  • 1.6L
  • 4 CYL
  • 2WD
  • AUTOMATIC
  • 120,000 MILES
Where is located the factory amp? This is the SE hatchback model.
Wednesday, February 14th, 2018 AT 4:10 PM

1 Reply

Tiny
STEVE W.
  • MECHANIC
  • 15,608 POSTS
If it has one it will be behind the right rear trunk trim panel under the hatchback. Remove the screws and clips and the amp is mounted to a bracket. Check out the diagrams (Below). Please let us know what you find. We are interested to see what it is.
Was this
answer
helpful?
Yes
No
+2
Friday, February 16th, 2018 AT 7:23 PM

Please login or register to post a reply.