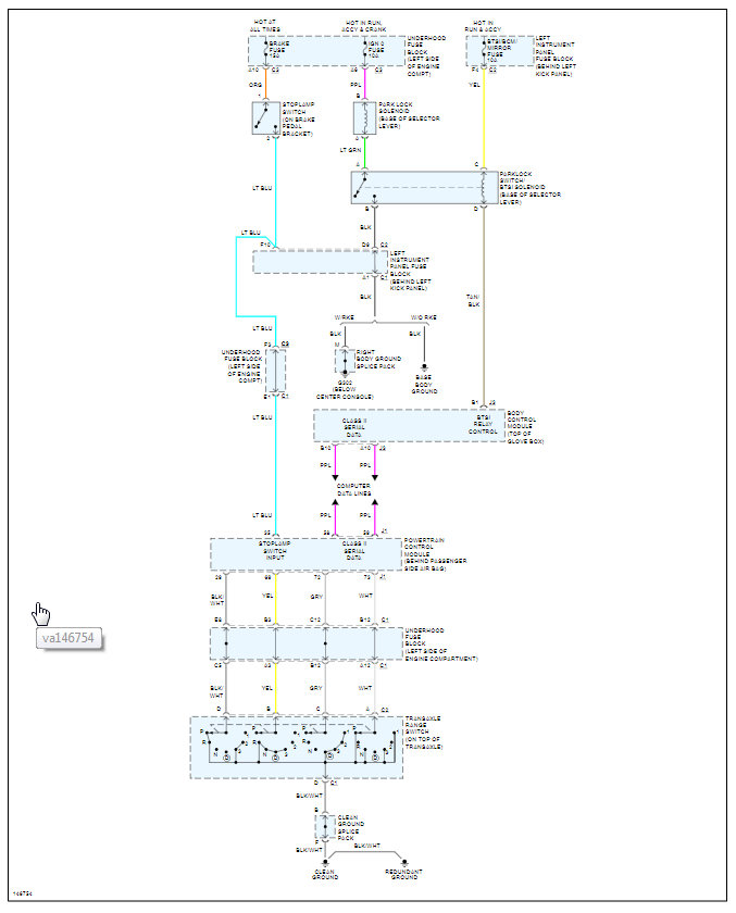
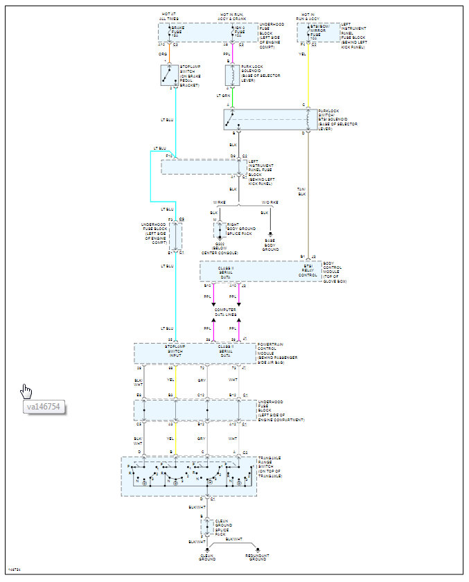
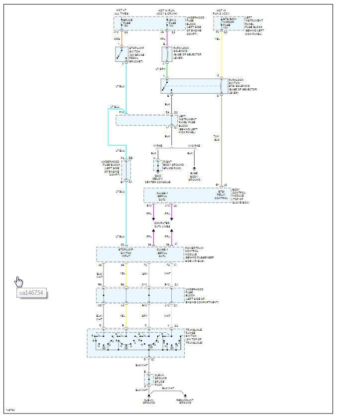
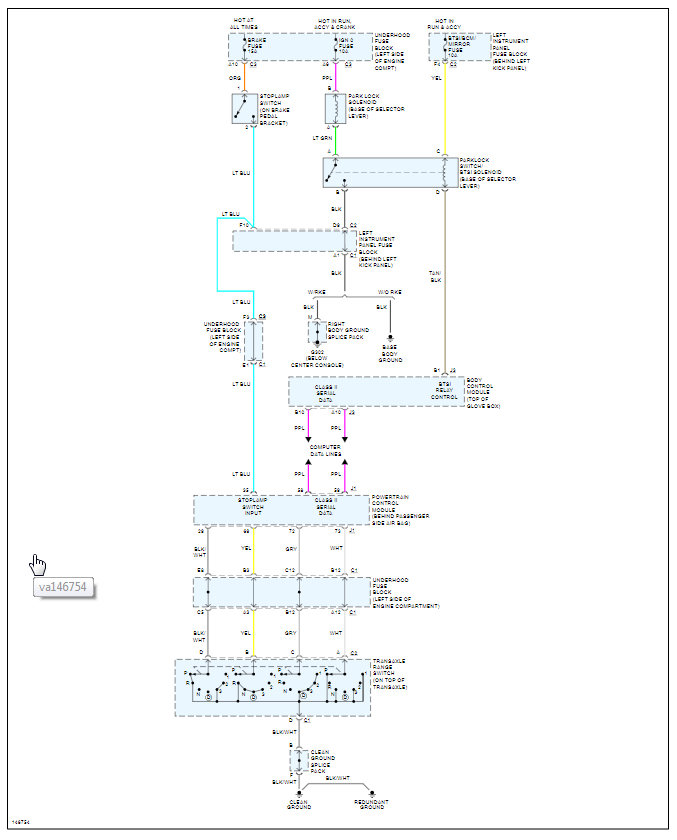
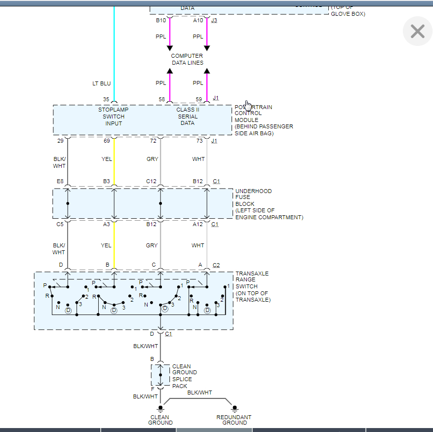
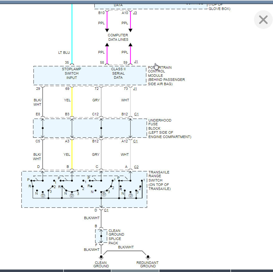
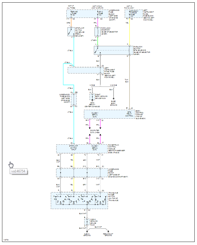
Wednesday, May 26th, 2021 AT 1:05 PM
Last week my vehicle was side swiped and took off my mirror. I replaced the mirror but got wrong one. Now waiting for the correct one to come in! Since the side swiping, my vehicle turns on and runs fine, but it will not shift out of park. What could cause that?









