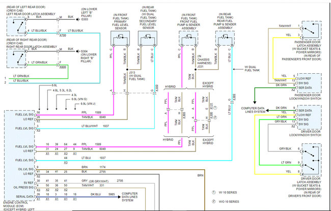
Sunday, August 22nd, 2021 AT 11:46 AM
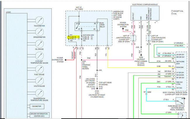
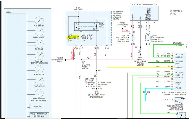
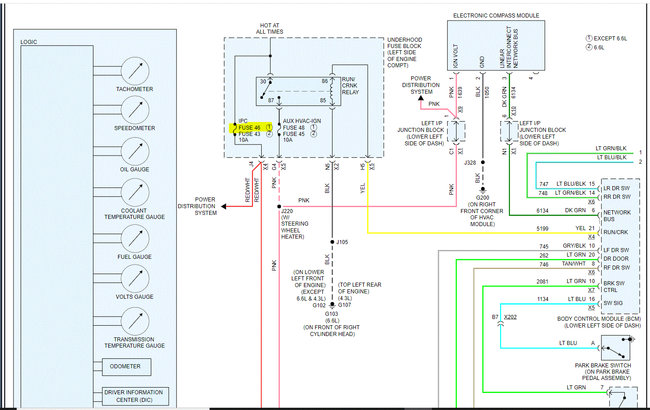
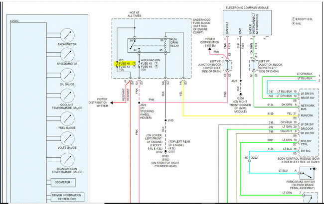
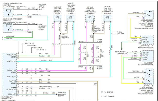
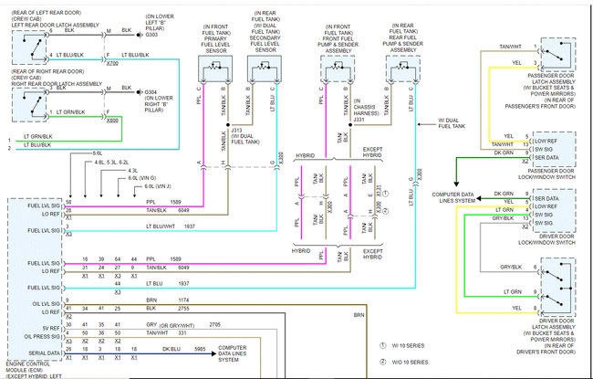
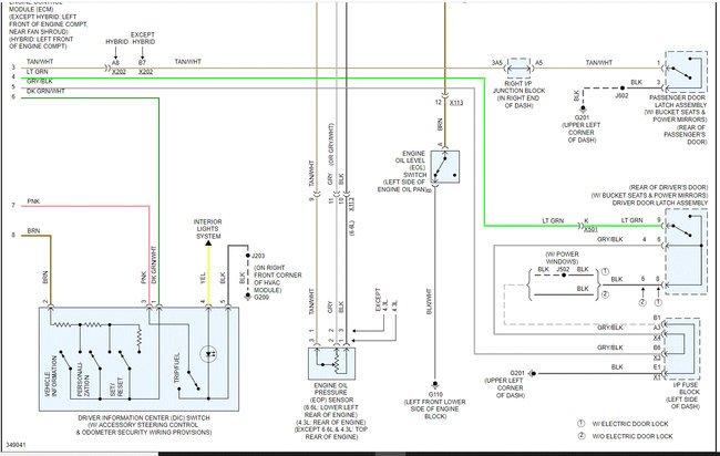
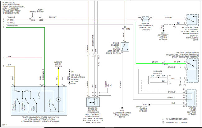
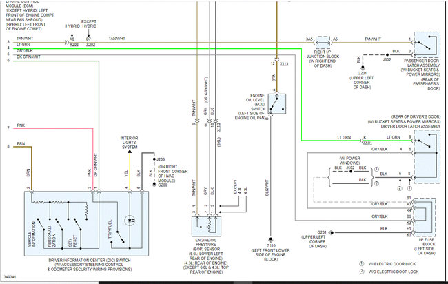
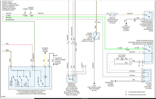
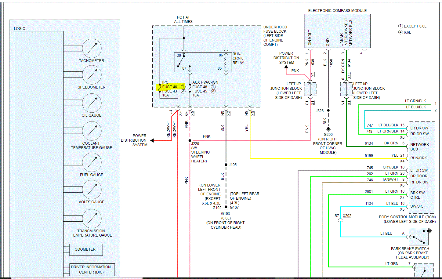
I started to re-train my tires, a family emergency stopped me from finishing it. The next day I went out to finish it and the entire dash is not working. Nothing works; gauges, speedometer, fuel level, tachometer, the digital mileage, nothing. I've I looked at all of the fuses in the box inside the cab (driver's side) and they are good. I've searched google to find the cluster fuse but can't seem to get the answer. I'm stuck, any help would be greatly appreciated. Thank you.







