Will not start

Tiny
MYKEL ROSE
  • MEMBER
  • 2001 CHRYSLER SEBRING
  • 2WD
  • AUTOMATIC
  • 81,000 MILES
I tried jumping it a few times but everything electric is working just fine. I turn the key and nothing, no click or noise or movement whatsoever. I swapped out the ignition fuse and it's not blown. There were absolutely zero problems or signals before this that something might be happening. It ran and I went to bed and woke up and then it wouldn't start.
Wednesday, December 29th, 2021 AT 8:22 AM

1 Reply

Tiny
CARADIODOC
  • MECHANIC
  • 34,463 POSTS
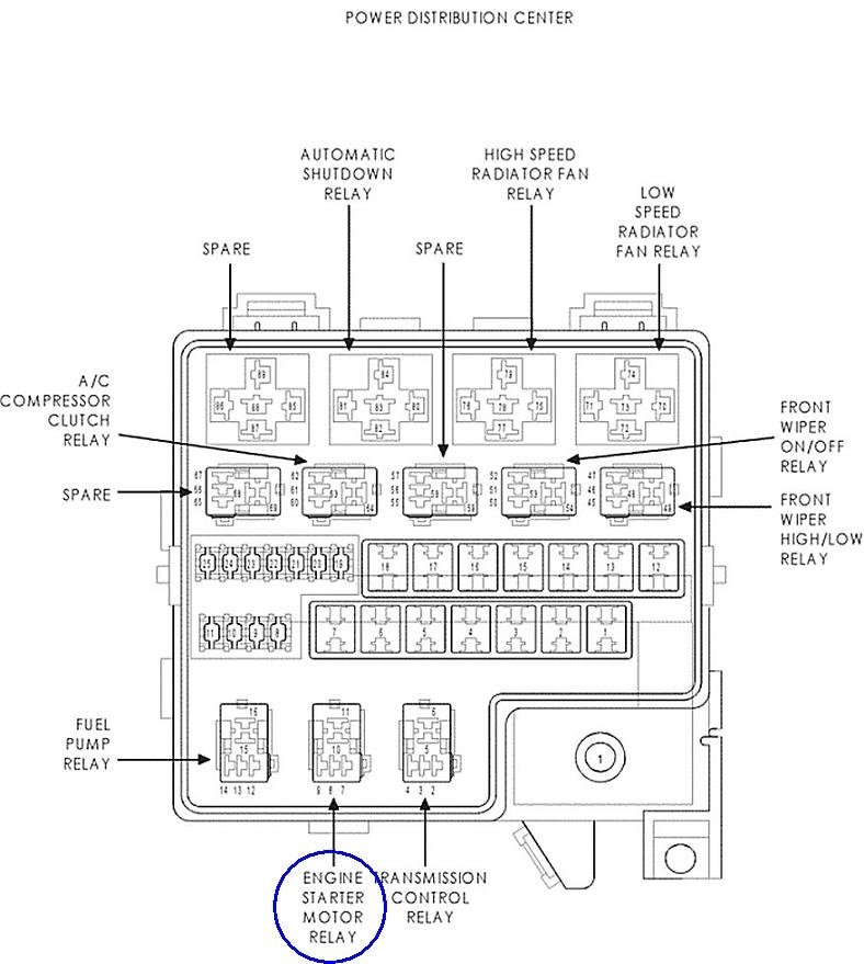
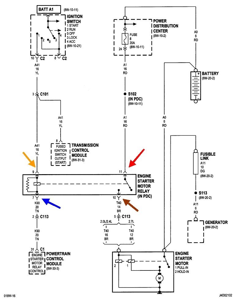
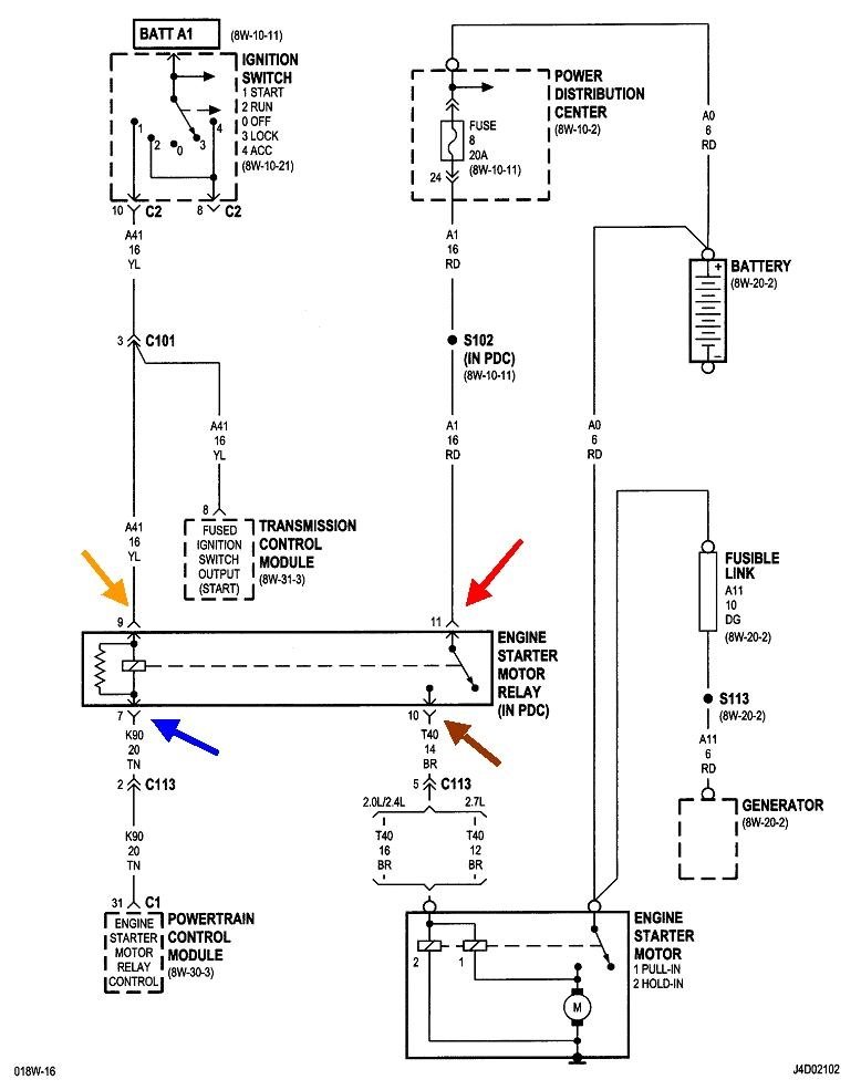
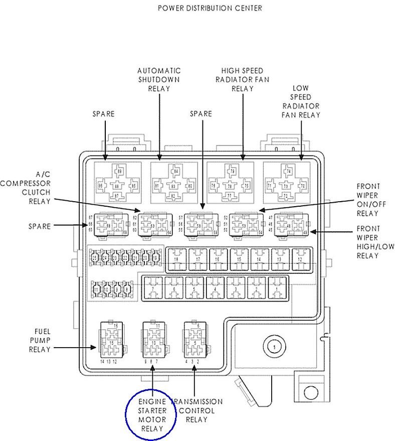
This starter diagram is for the Sebring Sedan 2.7L. If you have a different model or engine size, the under-hood fuse box may look different, but the test procedure is the same. In fact, it's the same for almost all vehicles that use a starter relay. Remove the starter relay. The entire system can be broken down into four circuits, each with a corresponding test point in the socket.

Use the center relay drawing in the third drawing below. The center terminal in the three smaller terminals at the top is not used. You can use a digital voltmeter, but for this type of problem, a test light is faster and easier. Here's a link to an article on how to use a test light, if you need it. This needs to be a standard, inexpensive test light with a small flashlight bulb inside, not one of the newer fancy electronic lights. You can find these at Harbor Freight Tools, Walmart, or any hardware store for only a few bucks.

https://www.2carpros.com/articles/how-to-use-a-test-light-circuit-tester

When probing a terminal in the relay's socket, just touch it lightly. If you stuff the probe into the terminal, you run the risk of spreading it. That can cause intermittent operation in the future. Start out with the test light's wire clipped to the battery's negative cable or to any paint-free point on the engine or body sheet metal. Touch the probe to each of the four terminals in the socket. The light should light up full brightness on only one of them. That would be the wire with the red arrow in the diagram.

Next, touch the probe on each of the remaining three terminals while a helper holds the ignition switch in the "crank" position. Again, the test light should light up on only one of them. That's the wire coming from the ignition switch, (yellow arrow).

For the last two terminals, move the test light's clip to the battery's positive cable. We're looking for ground circuits now. Touch it to the last two terminals in the relay's socket. It should light up on both of them. One circuit goes to ground through the starter solenoid, (brown arrow). The last one goes to ground through the Engine Computer, (blue arrow). The computer grounds that terminal when the shifter is in "park" or "neutral".

One of those terminals should not respond to the test. Tell me which one that is, then we'll figure out where to go next.
Was this
answer
helpful?
Yes
No
Wednesday, December 29th, 2021 AT 9:42 AM

Please login or register to post a reply.